扫码加入

  • 方案介绍
  • 附件下载
  • 相关推荐
申请入驻 产业图谱

微波炉控制器设计VHDL代码Quartus仿真

2025/08/15
989
加入交流群
扫码加入
获取工程师必备礼包
参与热点资讯讨论

2-240R91ZH01K.doc

共1个文件

名称:微波炉控制器设计VHDL代码Quartus仿真

软件:Quartus

语言:VHDL

代码功能:

微波炉控制器设计

该系统能完成微波炉的控制功能,实现了微波炉的测试、时间设置、烹调计时、完成提示等设计。

微波炉控制器是一件常见的设备,它能够根据不同的要求完成相应的功能。本设计以VHDL语言为主要表达方式,采用自上而下的设计方法,使用Quartus II 或 ISE 软件进行该微波炉控制器的设计。

FPGA代码Verilog/VHDL代码资源下载:www.hdlcode.com

演示视频:

设计文档:

1. 工程文件

2. 程序文件

3. 程序编译

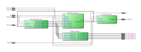
4. RTL图

5. 仿真图

5.1 顶层仿真

5.2 显示模块仿真

模块功能说明:输入为分钟十位个位,秒钟十位个位,需要把4位二进制的BCD码时间时间转换为数码管显示的数字,以此需要将BCD码转换为数码管段选值。使用4个BCD-七段译码器

5.3 火力设置模块仿真

模块功能说明:输入为状态值和火力按键,当状态值等于"000"时表示可以设置火力,按下火力键对应的火力led灯就会亮,led灯有3个,对应三个档位,分别为001,010,100三种档位循环切换。

5.4 状态控制模块

模块功能说明:输入包括启动和暂停键,以及当前时间,输出为状态值和报警信号,状态值一共有5种,分别为000表示设置状态,可以设置时间和火力。001表示启动,010表示启动后开始倒计时,011表示暂停,100表示倒计时结束,此时报警提示信号拉高。

5.5 设置时间模块

模块功能说明:输入为时间设置按键和当然状态,输出为BCD码时间,当在000状态时,通过按键可以设置分钟时间,当在010状态时,系统按一秒一次倒计时。倒计时为0后保持不变。当在011状态时,暂停倒计时。

部分代码展示:

LIBRARY ieee;
   USE ieee.std_logic_1164.all;
--顶层模块
ENTITY microwave_TOP IS
   PORT (
      clk          : IN STD_LOGIC;--1Hz
      reset_key    : IN STD_LOGIC;--复位
      time_key     : IN STD_LOGIC;--设置时间
      fire_key     : IN STD_LOGIC;--设置火力
      start_key    : IN STD_LOGIC;--启动
      stop_key     : IN STD_LOGIC;--暂停
      
      bell         : OUT STD_LOGIC;----完成报警提示
      fire_led     : OUT STD_LOGIC_VECTOR(2 DOWNTO 0);--火力指示灯
      min_ten_HEX  : OUT STD_LOGIC_VECTOR(7 DOWNTO 0);--数码管显示分钟十位
      min_one_HEX  : OUT STD_LOGIC_VECTOR(7 DOWNTO 0);--数码管显示分钟个位
      sec_ten_HEX  : OUT STD_LOGIC_VECTOR(7 DOWNTO 0);--数码管显示秒钟十位
      sec_one_HEX  : OUT STD_LOGIC_VECTOR(7 DOWNTO 0)--数码管显示秒钟个位
   );
END microwave_TOP;
ARCHITECTURE behave OF microwave_TOP IS
--设置时间模块
   COMPONENT time_set IS
      PORT (
         clk          : IN STD_LOGIC;
         reset_key    : IN STD_LOGIC;
         time_key     : IN STD_LOGIC;
         state_out    : IN STD_LOGIC_VECTOR(2 DOWNTO 0);
         minute_ten_display : OUT STD_LOGIC_VECTOR(3 DOWNTO 0);
         minute_one_display : OUT STD_LOGIC_VECTOR(3 DOWNTO 0);
         second_ten_display : OUT STD_LOGIC_VECTOR(3 DOWNTO 0);
         second_one_display : OUT STD_LOGIC_VECTOR(3 DOWNTO 0)
      );
   END COMPONENT;

点击链接获取代码文件:http://www.hdlcode.com/index.php?m=home&c=View&a=index&aid=996

  • 2-240R91ZH01K.doc
    下载

相关推荐