扫码加入

  • 方案介绍
  • 相关推荐
申请入驻 产业图谱

【物联网毕设】智能停车场管理-STM32+Lora+APP+MQTT

2025/12/31
3317
加入交流群
扫码加入
获取工程师必备礼包
参与热点资讯讨论

目录

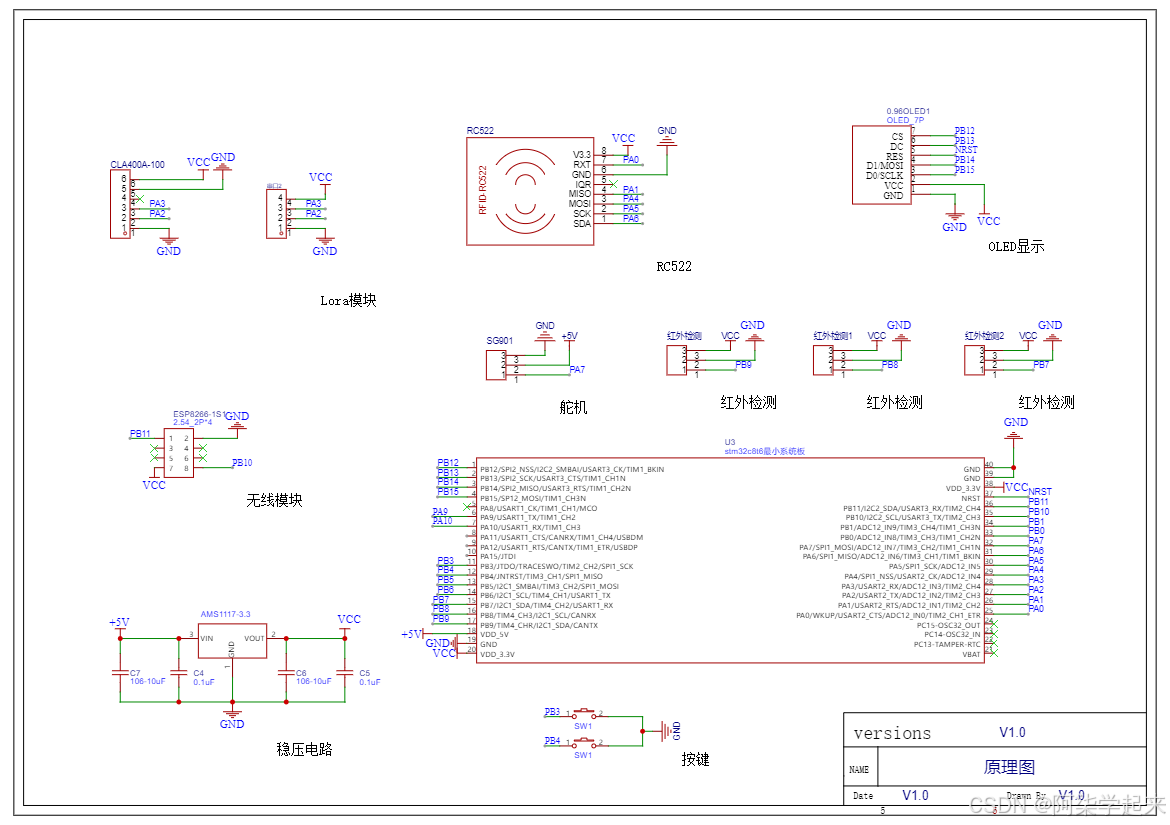
一 连线图

1.原理图

2 PCB效果

3 实物效果

4 APP效果

5 功能概括

(1)硬件端

(2)APP端

(3)云平台使用

(4)演示视频

二 底层代码使用方式

1 使用说明

2 下载程序

三 APP使用方式

下载APP

四 程序架构及修改(通用)


前言

这是一个基于LoRa与物联网技术的智能停车场管理与门禁控制系统。系统由部署于各个停车位的**从机检测终端**和一个集中管理的**主机网关终端**构成。每个从机以STM32F103C8T6为核心,通过多个红外检测模块实时监测对应车位的占用状态,并将车位信息显示在本地的0.96寸OLED屏上,同时通过**LoRa无线网络**将数据上报给主机。主机同样采用STM32主控,它汇总各从机的车位占用信息并显示在自己的OLED屏上,同时通过**Wi-Fi模块**接入互联网,利用**MQTT协议**与云端及APP端通信。主机还集成了读卡器模块和舵机(模拟道闸),支持通过刷卡、本地按键(短按控制舵机启停)或**APP远程一键操控**来实现门禁开关,APP端亦提供绑定/删除RFID卡等管理功能,实现了车位状态远程可视化和出入控制的智能化管理。


关注微信公众号--星之援工作室 发送关键字(项目清单)
可获取项目清单资料

➡️➡️


⚠️⚠️(本文章仅提供思路和实现方法,并不包含代码,需要代码的同学请自行联系博主)

⚠️⚠️(有疑问或需要定制或者技术支持等,也请自行联系博主)⚠️⚠️


一 连线图

1.原理图

开发板本身自带一个LED ,这个LED作为我们查看网络连接状态和获取数据状态的说明

(1)OLED显示屏中会显示联网状态,若MUC上面的的LED处于闪烁状态,则说明我们的设备处于正常运行,若LED灯不再闪烁,请按复位键将程序手动复位一次

(2)硬件每隔8秒会向APP传输一次数据。

热点名字:NET密码:12345678,请使用2.4GHZ频率的无线网。

2 PCB效果

3 实物效果

4 APP效果

5 功能概括

(1)硬件端

从机端

  1. STM32F103C8T6:用于所有程序的中控和模块数据通信
  2. 0.96寸OLDE:用于显示当前当前停车位信息。
  3. 红外检测模块X3:用于模拟车位,检测是否停车等信息
  4. lora组网进行数据的上报

主机端

  1. STM32F103C8T6:用于所有程序的中控和模块数据通信;
  2. 0.96寸OLDE:用于显示当前当前停车位信息。
  3. lora组网进行数据的获取和下发
  4. Wife模块:用于设备联网,实现远程APP查看;
  5. 读卡器模块:用于进入停车场时开门使用
  6. 舵机:用于模拟开门
  7. 按键:用于开门使用

短按按键1可以开启舵机(默认30S)

短按按键2可以关闭舵机

(2)APP端

  1. 使用MQTT协议与设备进行信息交互可以查看;
  2. 可采集到底层设备数据并且展示到界面UI中;
  3. 可以绑定或删除rfid卡,进行开门使用
  4. 可远程一键开启舵机

(3)云平台使用

只是链接各个设备使用,采用MQTT即时通讯;

(4)演示视频

通过网盘分享的文件:T20.1.智能停车场管理系统-Lora+Wifi.mp4

链接: https://pan.baidu.com/s/1VDY4_9CwPCm706NNn9L0Iw?pwd=XZY0 提取码: XZY0

--来自百度网盘超级会员v7的分享

二 底层代码使用方式

1 使用说明

(1). 使用的时候设备会自动连接WIFI

热点名字:NET密码:12345678,请使用2.4GHZ频率的无线网。

(2). 当设备处于正常状态的时候,开发板上面的LED会处于闪烁的状态。

(多看视频,视频中有完整功能演示)

(多看视频,视频中有完整功能演示)

(多看视频,视频中有完整功能演示)

2 下载程序

  1. 先根据原理图进行连线,连接好以后在做后面的操作
  2. 打开手机热点 热点名字:NET密码:12345678
  3. 打开程序(硬件由工作室出的可以忽略下载程序这部分)

三 APP使用方式

下载APP

(1)操作方式:

使用Android手机安装APK进行操控

安装Android studio导入项目使用模拟器

官网下载最新版本

https://developer.android.google.cn/studio?hl=zh-cn

安装包(工作室使用版本)链接:

https://pan.baidu.com/s/1DnRGWeJt7XBTmzqHj1KRSQ?pwd=xzy0

提取码:xzy0

安装教程

https://zhuanlan.zhihu.com/p/528196912

 

(2)使用说明

打开APP后设备会自动订阅MQTT主题,等待1-5秒APP会自动获取到设备上的数据,若5秒内没有获取到设备数据,则请检测设备是否在线,若在线,则请重新打开APP进行数据的获取

(多看视频,视频中有完整功能演示)

(多看视频,视频中有完整功能演示)

(多看视频,视频中有完整功能演示)

四 程序架构及修改(通用)

链接:

https://pan.baidu.com/s/1TZkvdEOp-ERgi-2A1o-KWw?pwd=XZY0

提取码:XZY0

APP参数修改

联系方式 微信号:13648103287

相关推荐