扫码加入

  • 方案介绍
  • 相关推荐
申请入驻 产业图谱

基于单片机的数字频率计设计

01/15 15:56
9411
加入交流群
扫码加入
获取工程师必备礼包
参与热点资讯讨论
文末下载完整资料
1.1数字频率计概述
数字频率计是计算机、通讯设备、音频视频等科研生产领域不可缺少的测量仪器。它是一种用十进制数字显示被测信号频率的数字测量仪器。它的基本功能是测量正弦信号方波信号及其他各种单位时间内变化的物理量。在进行模拟、数字电路的设计、安装、调试过程中,由于其使用十进制数显示,测量迅速,精确度高,显示直观,经常要用到频率计。
本数字频率计将采用定时、计数的方法测量频率,采用一个1602A LCD显示器动态显示6位数。测量范围从1Hz—10kHz的正弦波、方波、三角波,时基宽度为1us,10us,100us,1ms。用单片机实现自动测量功能。
基本设计原理是直接用十进制数字显示被测信号频率的一种测量装置。它以测量周期的方法对正弦波、方波、三角波的频率进行自动的测量。
1.2频率测量仪的设计思路与频率的计算
频率测量仪的设计思路主要是:对信号分频,测量一个或几个被测量信号周期中已知标准频率信号的周期个数,进而测量出该信号频率的大小,其原理如右图1所示。

在这里插入图片描述

若被测量信号的周期为,分频数m1,分频后信号的周期为T,则:T=m1Tx 。由图可知: T=NTo (注:To为标准信号的周期,所以T为分频后信号的周期,则可以算出被测量信号的频率f。)
由于单片机系统的标准频率比较稳定,而是系统标准信号频率的误差,通常情况下很小;而系统的量化误差小于1,所以由式T=NTo可知,频率测量的误差主要取决于N值的大小,N值越大,误差越小,测量的精度越高。
1.3 基本设计原理
基本设计原理是直接用十进制数字显示被测信号频率的一种测量装置。它以测量周期的方法对正弦波、方波、三角波的频率进行自动的测量。
所谓“频率”,就是周期性信号在单位时间(1s)内变化的次数。若在一定时间间隔T内测得这个周期性信号的重复变化次数N,则其频率可表示为f=N/T。其中脉冲形成电路的作用是将被测信号变成脉冲信号,其重复频率等于被测频率fx。时间基准信号发生器提供标准的时间脉冲信号,若其周期为1s,则门控电路的输出信号持续时间亦准确地等于1s。闸门电路由标准秒信号进行控制,当秒信号来到时,闸门开通,被测脉冲信号通过闸门送到计数译码显示电路。秒信号结束时闸门关闭,计数器停止计数。由于计数器计得的脉冲数N是在1秒时间内的累计数,所以被测频率fx=NHz。
第2节 数字频率计(低频)的硬件结构设计
2.1 系统硬件的构成
本频率计的数据采集系统主要元器件是单片机AT89C51,由它完成对待测信号频率的计数和结果显示等功能,外部还要有分频器、显示器等器件。可分为以下几个模块:放大整形模块、秒脉冲产生模块、换档模拟转换模块、单片机系统、LCD显示模块。各模块关系图如图2所示:

在这里插入图片描述

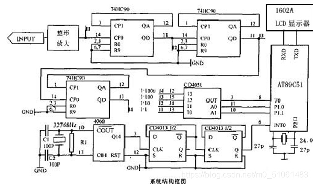
2.2 系统工作原理图
该系统工作的总原理图如图3所示:

在这里插入图片描述

2.3 AT89C51单片机及其引脚说明
89C51是一种高性能低功耗的采用CMOS工艺制造的8位微控制器,它提供下列标准特征:4K字节的程序存储器,128字节的RAM,32条I/O线,2个16位定时器/计数器, 一个5中断源两个优先级的中断结构,一个双工的串行口, 片上震荡器和时钟电路
引脚说明:
·VCC:电源电压
·GND:地
·P0口:P0口是一组8位漏极开路型双向I/O口,作为输出口用时,每个引脚能驱动8个TTL逻辑门电路。当对0端口写入1时,可以作为高阻抗输入端使用。
当P0口访问外部程序存储器或数据存储器时,它还可设定成地址数据总线复用的形式。在这种模式下,P0口具有内部上拉电阻
EPROM编程时,P0口接收指令字节,同时输出指令字节在程序校验时。程序校验时需要外接上拉电阻。
·P1口:P1口是一带有内部上拉电阻的8位双向I/O口。P1口的输出缓冲能接受或输出4个TTL逻辑门电路。当对P1口写1时,它们被内部的上拉电阻拉升为高电平,此时可以作为输入端使用。当作为输入端使用时,P1口因为内部存在上拉电阻,所以当外部被拉低时会输出一个低电流(IIL)。
·P2口:P2是一带有内部上拉电阻的8位双向的I/O端口。P2口的输出缓冲能驱动4个TTL逻辑门电路。当向P2口写1时,通过内部上拉电阻把端口拉到高电平,此时可以用作输入口。作为输入口,因为内部存在上拉电阻,某个引脚被外部信号拉低时会输出电流(IIL)。
P2口在访问外部程序存储器或16位地址的外部数据存储器(例如MOVX @ DPTR)时,P2口送出高8位地址数据。在这种情况下,P2口使用强大的内部上拉电阻功能当输出1时。当利用8位地址线访问外部数据存储器时(例MOVX @R1),P2口输出特殊功能寄存器的内容。
当EPROM编程或校验时,P2口同时接收高8位地址和一些控制信号
·P3口:P3是一带有内部上拉电阻的8位双向的I/O端口。P3口的输出缓冲能驱动4个TTL逻辑门电路。当向P3口写1时,通过内部上拉电阻把端口拉到高电平,此时可以用作输入口。作为输入口,因为内部存在上拉电阻,某个引脚被外部信号拉低时会输出电流(IIL)。
2.4 信号调理及放大整形模块
放大整形系统包括衰减器、跟随器、放大器施密特触发器。它将正弦输入信号Vx整形成同频率方波Vo,幅值过大的被测信号经过分压器分压送入后级放大器,以避免波形失真。由运算放大器构成的射级跟随器起阻抗变换作用,使输入阻抗提高。同相输入的运算放大器的放大倍数为(R1+R2)/R1,改变R1的大小可以改变放大倍数。系统的整形电路由施密特触发器组成,整形后的方波送到闸门以便计数。
由于输入的信号幅度是不确定、可能很大也有可能很小,这样对于输入信号的测量就不方便了,过大可能会把器件烧毁,过小可能器件检测不到,所以在设计中采用了这个信号调理电路对输入的波形进行阻抗变换、放大限幅和整形,信号调理部分电路具体实现电路原理图和参数如下图4所示:

在这里插入图片描述

2.5 时基信号产生电路:
CD4013------双上升沿D触发器 ,引脚及功能见如下图5:
CD4013 由两个相同的、相互独立的数据型触发器构成。每个触发器有独立的数据置位复位时钟输入和 Q及Q非输出。此器件可用作移位寄存器,且通过将Q非输出连接到数据输入,可用作计数器和触发器。在时钟上升沿触发时,加在D 输入端的逻辑电平传送到Q输出端。置位和复位或复位线上的高电平完成。

在这里插入图片描述

时基信号的产生原理:
本电路采用32768HZ晶体震荡器,利用CD4060芯片经过14级分频得到2HZ的信号(32768/214),在经过CD4013双D触发器经过二分频得到0.5HZ的方波,即输出秒脉冲信号使单片机进行计数。

 

全套资料免费下载:
关注v-x-公-众-号:【嵌入式基地
后-台-回-复:【毕业设计】 即可获资料
回复【编程】即可获取
包括有:C、C++、C#、JAVA、Python、JavaScript、PHP、数据库、微信小程序、人工智能、嵌入式、Linux、Unix、QT、物联网、算法导论、大数据等资料

在这里插入图片描述

相关推荐