PCF85063AT 是一款 CMOS 实时时钟 (RTC) 和日历芯片,针对低功耗进行了优化。偏移寄存器可用于对时钟进行微调。所有地址和数据均通过双线双向 I2C 总线串行传输。
该演示应用程序提供了一个命令行界面,允许用户轻松探索驱动程序的不同功能,以使用 RTC 控制器功能进行中断、偏移模式、校正中断和警报控制。
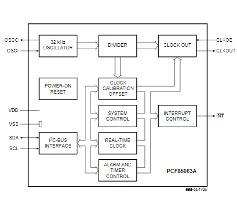
PCF85063AT 框图
PCF85063AT RTC驱动器的主要特性
- 提供年、月、日、星期、小时、分钟和秒信息。
- 板载电源LED(D1)和中断LED(D2)分别用于检测电源和中断产生。
- 分钟、半分钟和闹钟中断功能。
- PCF85063AT 支持倒计时器功能,可在 244 μs 至 4 小时 15 分钟范围内获取中断。
- 外围设备的可编程时钟输出(32.768 kHz、16.384 kHz、8.192 kHz、4.096 kHz、2.048kHz、1.024 kHz 和 1 Hz)
- 时钟工作电压:0.9 V 至 5.5 V
- 提供两种偏移模式,可在这两种模式下进行时钟脉冲校正并使用校正中断进行测试。
主板:FRDM-MCXA153、FRDM-MCXN947
类别:用户界面
外设:I2C
工具链:MCUXpresso IDE
1.软件
- 物联网传感 SDK (ISSDK) v1.8作为 MCUXpresso SDK 中的中间件提供给支持的平台
- MCUXpresso IDE v11.9.0
2.硬件
- FRDM-MCXN947 和 FRDM-MCXA153 MCU 板
- PCF85063AT RTC驱动程序
- 个人电脑
- Mini/Micro USB Type C USB 线缆
- 跳线
3. 设置
3.1 步骤 1:下载并安装所需软件
- 安装 MCUXpresso IDE 11.9.0
- 下载并安装适用于 FRDM-MCXN947 的 MCUXpresso SDK v2.14.0。构建 SDK 时,请确保选择 ISSDK 中间件。
- 下载并安装适用于 FRDM-MCXA153 的 MCUXpresso SDK v2.14.2。构建 SDK 时,请确保选择 ISSDK 中间件。
- 安装 Git v2.39.0(用于克隆和运行 west 命令)。
- 为 UART 安装 Putty/Teraterm。
3.2 步骤 2:克隆 APP-CODE-HUB/dm-pcf85063at-rtc-driver-with-demo-app
- 克隆此存储库以获取示例项目:
- 将目录更改为克隆的项目文件夹:
cd dm-pcf85063at-rtc-driver-with-demo-app
注意:如果您使用 Windows 克隆项目,请使用以下命令配置文件名长度限制 git config --system core.longpaths true
3.3 步骤3:构建示例项目
- 打开 MCUXpresso IDE 并选择一个目录来创建您的工作区。
- 将适用于 FRDM-MCX947、FRDM-MCXA153 的 MCXUpresso SDK 2.14.x 安装到 MCUXpresso IDE 中(将 SDK zip 拖放到“已安装的 SDK”视图中)。
- 转到“快速启动面板”并单击“从文件系统导入项目”,
- 选择“项目目录(解压)”并浏览到克隆的项目文件夹。
- 选择您想要打开并运行的示例项目。
- 右键单击项目并选择构建以开始构建项目。
4. 测试应用步骤
- 用户需要使用跳线连接屏蔽板(PCF85063AT)和基板(MCXA153 和 MCXN947)。
- 用户需要通过设备管理器连接主机 PC 和目标板之间的 USB 电缆后检查 COM 端口。
- 打开安装在 Windows PC 上的 PUTTY/Teraterm 应用程序,波特率为 115200,并按照上述步骤分配 COM 端口。
- 右键点击项目并选择“Debug As”,Demo 应用程序将以交互模式运行。运行成功后,您可以在终端上看到打印的日志。
4.1 日志结果
主菜单将如下所示
输入#1启动RTC
输入#4设置时间和日期
启用分钟/半分钟中断
输入#9设置闹钟
- 用户必须选择进一步的值来设置警报,然后按回车键。
- 用户必须输入#10 来启用警报中断,他们必须根据显示的日志选择他们想要的警报中断类型,然后按回车键。
- 用户可以通过输入#8来查看他们选择的警报值。
- 收到警报中断提示后,用户必须输入#10 来禁用警报中断
输入#11设置定时器配置
注意:计时器有四个可选的源时钟,允许倒计时时间在 244 μs 至 4 小时 15 分钟的范围内。
- 要选择定时器时钟频率,请输入#1
- 要选择频率值,请根据显示的日志输入。(例如:这里我们选择了第 3 个板,2 秒时钟。)
- 要选择定时器中断模式,请输入#1 来生成脉冲,输入#2 来遵循定时器标志条件(需要清除中断才能生成另一个中断)。
- 这里我们选择了脉冲模式。
- 输入#1 启用定时器中断
- 输入#1 启用计时器,然后按回车键
- 中断将以脉冲形式产生,直到定时器中断并且定时器未被禁用。
要停止中断的生成:
输入#12设置校正中断
偏移寄存器用于实现精度调整、老化调整和温度补偿等功能,因此通过增加或减去时钟校正脉冲来进行校正。
- 用户可以启用/禁用校正中断,如日志所示。
注意:用户需要先启用校正中断才能以中断的形式看到校正后的时钟脉冲。
输入#13设置偏移/校正模式
- 用户可以根据需要选择正常模式(输入#1)或课程模式(输入#2)。
- 这里我们选择了课程模式,在该模式下,我们最多需要等待 4 分钟才能获得中断。而在普通模式下,我们最多需要等待 2 小时才能获得中断。
- 用户需要根据提到的范围提及偏移值。
要停止中断的产生:
输入#14 清除所有中断
输入#5执行软件重置
输入#2停止RTC
输入#15退出RTC
5. 支持
项目元数据
有关此示例的内容/正确性的问题可以作为此 GitHub 存储库中的问题输入。
来源:恩智浦appcodehub
2437
