扫码加入

  • 方案介绍
  • 相关推荐
申请入驻 产业图谱

【应用方案】从智能终端到自动驾驶:艾为电子GNSS LNA应用方案赋能多领域高精度定位

01/12 20:28
2902
加入交流群
扫码加入
获取工程师必备礼包
参与热点资讯讨论

 

智能设备全面普及的当下,全球导航卫星系统(GNSS)已成为各类终端的“刚需功能”。而高精度定位的实现,离不开核心器件——GNSS低噪声放大器(LNA)。卫星信号从2万公里外的太空抵达地面时,功率已降至-130dBm以下,极易被系统噪声淹没,进而导致定位失效。GNSS LNA的核心作用在于破解这一技术瓶颈,它能将微弱信号放大至平台系统可处理的水平,同时优化系统信噪比,通过GNSS LNA靠近天线摆放,可减少信号传输损耗与噪声干扰,作为接收端的第一级器件,其噪声特性直接决定整机的定位精度。

 

 

 

艾为全场景GNSS LNA方案

 

 

数模龙头艾为电子深耕GNSS LNA领域,产品覆盖专业高精度设备、消费级智能终端(手机/穿戴)、工业及车载交通等全场景,核心亮点:

  • 超低噪声:高端型号噪声系数低至0.5dB,复杂环境定位精度提升显著;
  • 多频段兼容:单器件支持L1/L2/L5多频段,简化前端设计;
  • 全场景适配:从1.2mA超低功耗(穿戴设备)到车规认证型号(车载场景),覆盖不同需求。

在介绍应用方案之前先简单介绍衡量LNA性能的四大关键指标。

 

噪声系数:灵敏度的"守门员"

 

噪声系数(Noise Figure)是LNA的核心性能指标,直接决定接收机灵敏度。艾为电子GNSS LNA的噪声系数性能处于业内领先水平:AW15345DNR & AW15045FDR可达0.50dB,可有效提升GNSS定位精度与速度。

 

表1 AW15345DNR和AW15045FDR部分主要指标

 

增益:放大能力的"调节器"

 

增益(Gain)参数需要平衡,过高或过低都会影响系统性能,取决于平台的解调能力。

设计考量:

  • 增益过高:可能导致后续电路饱和,产生非线性失真
  • 增益过低:无法有效提升信号强度,难以克服后续电路的噪声影响

针对手机、穿戴等设备对eLNA约18dB的典型增益需求,艾为电子的GNSS LNA增益可精准满足;若场景需要更高增益,通过级联GNSS LNA即可实现。

 

线性度抗干扰的"防火墙"

 

线性度(Linearity)指标主要包括IP3(三阶交调截止点)和P1dB(1dB压缩点),这些参数决定了LNA抗干扰能力。

关键参数:

·IP3(三阶交调截止点):>-10dBm,可有效抵抗邻频干扰

·P1dB(1dB压缩点):>-20dBm,确保强信号下不饱和

艾为电子的GNSS LNA的AW15745DNR线性度性能业内领先,P1dB达-2.5dBm,IIP3高达3.3dBm,极高的线性度有效地解决了手机蜂窝与GNSS共存场景、多模导航相互干扰问题等。

 

表2 AW15745DNR部分主要指标

 

 

功耗: 能量消耗的“计量器”

 

 

艾为电子已量产多档位功耗GNSS LNA产品系列,全面覆盖各行业差异化需求:核心型号AW15085DNR以1.2mA超低功耗达成行业领先,同时提供2.4mA、4mA等多档位多产品的选择。

穿戴设备优先选用4mA以内低功耗型号、手机产品可灵活适配6mA左右型号。

 

表3 不同功耗的LNA部分主要指标

 

以下将详解各领域典型应用方案图:

 

 

智能手机/儿童手表/手环GNSS电路框图

 

以Qual**&MT**平台为例:

图1 智能终端GNSS电路应用方案图

 

1. 图1为典型智能终端GNSS电路应用框图,穿戴除平台差异外,前端设计与手机基本一致,信号链路为:ANT→Pre SAW→GNSS LNA→Post SAW→TR。其中Post SAW为兼容设计,Qual**平台通常必需,因天线至RF TR走线较长易引入带外干扰,需摆放在靠近平台端;MT**平台为兼容设计,仅当存在带外干扰时使用。

 

2. 天线设计方案:L1天线通常与WIFI 2.4G/5G共天线;L5天线可采用独立方案,也可与MIMO WIFI 2.4G/5G或主射频共天线,具体需根据PCB布局及天线环境确定。

 

3. B13频段干扰防护:若手机支持B13(787MHz),需考虑其二次谐波对GPS的干扰,防护措施如下:

  • 保障B13二次谐波与GPS天线的隔离度;
  • 选用高带外抑制的Pre-SAW滤波器
  • 在B13-PA输出端预留二次谐波衰减LC电路;
  • 在GPS天线后预留谐波衰减LC电路,推荐电路如图2。

 

图2 787MHz陷波网络

 

低插损陷波网络(Notch)

  • 建议BOM:L4:15nH, C4:2.7pF, C5:7.5pF, C6:7.5pF;
  • 该网络插损约0.2dB,787MHz抑制度约10dB;
  • 该HPF我们建议加在LNA前SAW的输入端;
  • 该网络因此不要额外的匹配器件,根据实际情况微调C5/C6即可。

 

GNSS模组电路应用框图

图3 GNSS模组电路应用方案图

 

1. 单LNA共匹配方案:一颗GNSS LNA实现L1+L5信号同时放大,滤波器在第二级抗干扰能力差,适用于共享单车、电动车、物流追踪等中低精度定位场景。

 

2. 双LNA双SAW方案:两颗GNSS LNA搭配前后级SAW滤波器,适配无人机自动驾驶汽车、自动割草机等复杂电磁环境场景。

 

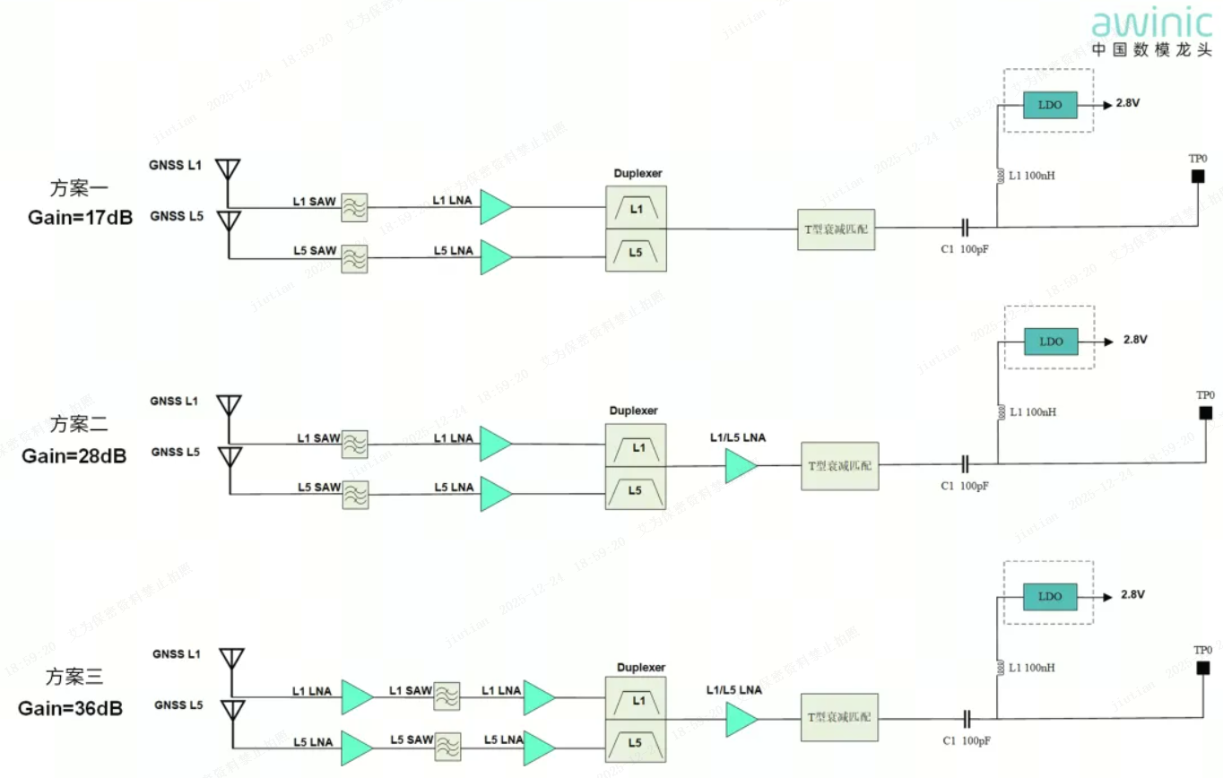
GNSS有源天线电路应用方案

推荐如下三个设计方案:

图4 GNSS有源天线电路应用方案图

 

1.GNSS有源天线设计:需根据GNSS模组平台的差异确定天线增益要求,常见规格为17dB/28dB/36dB,针对不同增益需求,对应提供上述三种建议应用方案,LNA级联的前后位置可根据实际情况调整。

 

2.前端电路设计要点:天线后第一级器件选型需结合天线类型,多合一天线(GNSS与Cellular/WIFI集成)建议优先串联滤波器,以抑制带外干扰导致的性能衰减;外置GNSS天线因带外干扰较少,可优先放置GNSS LNA,从而显著提升GNSS信号性能;电路中的LDO为高电压平台供电提供兼容设计,以提供适当的电压给GNSS LNA供电;此外,TP0是GNSS模组接入的馈点,其中C1(100pF)实现隔直流通高频功能,L1(100nH)实现阻高频通直流功能。

 

3.LNA选型建议:天线后首级LNA可按需选型,末级则采用L1/L5二合一LNA,艾为电子AW15745DNR仅需一颗输入电感即可实现双频段信号同时放大AWR5005DNR-Q1更是通过了AEC-Q100车规认证,为客户提供了更灵活的设计选型空间。

表4 AW15745DNR&AWR5005DNR-Q1部分主要指标

 

GNSS LNA作为定位系统性能的核心,其性能直接定义了自动驾驶、物联网等新兴领域的定位精度高度。面对持续攀升的高性能需求,科学选型与优化设计是实现精准定位的关键。数模龙头艾为电子始终以技术为核心深耕迭代用更卓越的产品赋能全场景应用。以下为艾为电子全系列GNSS LNA产品选型表,后续重磅新品,敬请持续关注!

表5 GNSS LNA选型表

 

相关推荐

方案定制

去合作
方案开发定制化,2000+方案商即时响应!

上海艾为电子技术股份有限公司创立于2008年6月,专注于高性能数模混合信号、电源管理、信号链等IC设计,于2021年8月, 在上海证券交易所科创板成功上市,股票代码为688798。艾为电子累计拥有42种产品子类、产品型号总计超1300余款,产品的性能和品质已达到业内领先水平。公司产品广泛应用于消费电子、工业互联、汽车等市场领域。

微信公众号