扫码加入

  • 方案介绍
  • 相关推荐
申请入驻 产业图谱

Robot之眼---多光谱传感器的静电浪涌防护指南

02/13 15:43
1730
加入交流群
扫码加入
获取工程师必备礼包
参与热点资讯讨论

一、多光谱传感器概述

多光谱传感器通过分光技术将光分为窄波段,经探测器转换为电信号,处理后提取目标多光谱特征,通过不同谱段反射/辐射差异识别物质特性。由光学(成像、分光元件)、控制和显示部分(信号处理、图像呈现)组成,具备多波段探测、高光谱分辨率、非接触测量等特点,应用于农业、环境、医疗、工业、遥感、安防等领域。

二、实现原理与技术应用

1、雷卯EMC小哥绘制多光谱传感器工作原理图如下

 

2、多光谱技术的广泛应用

应用领域 核心技术(光谱通道 / 波长) 典型案例及主要成效
农业 8 通道 VIS(400-700nm)+ 1 通道 NIR(750nm,测叶绿素) 富士苹果智能采收(山东烟台试点):采收时机判定误差 ≤ 1 天,过熟损耗降低32%
农业 7+1 通道(红边 730nm、近红外 900nm) 大疆农业无人机 T60 麦田管理:单架次覆盖15 公顷,氮肥用量减少15%
医疗 可见光(400-700nm)+ 红外 850nm 飞利浦新生儿重症监护仪:心率误差 ≤ 3 次 / 分,呼吸暂停预警响应< 3 秒
医疗 400-1000nm(500nm 黑素、570nm 血红蛋白) 佳能医疗皮肤成像系统:早期黑色素瘤识别准确率88%,较目视检查提升25%
环境监测 5 通道(蓝 450nm / 绿 550nm / 红 650nm / 红边 730nm / 近红外 840nm) 中科院南京地理所 水体监测:提前72 小时预警蓝藻水华,应急成本降低55%
环境监测 热红外 8-14μm + 短波红外 1.5-1.8μm 华为 & 森林消防 火情预警:早期火情平均发现时间缩短至12 分钟,年度有效预警12 起(某省试点)
工业检测 UV254nm + 可见光 + IR1310nm(适配 3nm 制程) 台积电 3nm 产线(ASML 设备集成):0.1μm 级缺陷检出率99.5%,检测效率提升35%
工业检测 线阵 CCD(450-1000nm) 宁德时代电池极片检测:良品率从95%升至98%,单 GWh 成本节省100 万元
安防 红外 10μm + 可见光 海康威视变电站热缺陷系统:故障预警提前率90%,年度停电事故减少65%
消费电子 3200 万像素紫外多光谱(365nm 为主波段) 华为 Mate 70 Pro+:支持荧光装饰拍摄、文物防伪标记识别,拓展 “荧光涂鸦” 创意拍摄玩法
消费电子 绿光 525nm + 红光 660nm + 红外 940nm(PPG 技术) 华为 Watch GT5:-20℃环境下 心率数据准确率 96%,光电容积脉搏波(PPG)精度提升 22%

三、雷卯针对多光谱传感器电路静电浪涌防护指南

1:测试认证标准

·浪涌抗扰度:按 IEC 61000-4-5,输入24V电源端口,线-线 ±2kV、线-地 ±4kV,通过10/700μs 波形测试。

·静电放电(ESD:遵循 IEC 61000-4-2,接触放电 ±8kV、空气放电 ±15kV;医疗设备需达接触 ±6kV、空气 ±8kV,通过 YY 0505 认证。

2:核心接口防护

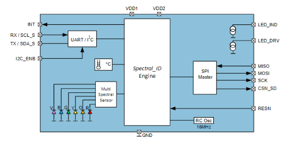
如上图示多光谱传感器芯片接口主要包含电源输入口VCC,信号接口I2C/UART,及外部接口(USB/以太网)。

l输入电源防护

24V工业电源需兼顾浪涌与过流保护

浪涌防护:推荐 TVS 器件 LM1K24CA(封装 SMB,VC=35V,残压低),保护水平达 2KV;

过流防护:SMD1812 系列 PTC(6-60V,0.1-3.5A),响应速度快,可重复使用;

反极性保护肖特基二极管 SK56C(60V/5A),降低电源接反时的损坏风险。

或者使用常规方案:前级GDT 2R090-5S+MOV ,后级用TVS再精细钳位。

l信号接口防护

UART接口:雷卯采用单颗器件防护,节约空间, 保证信号完整性,ULC3304P10,ULC0524P,满足IEC61000-4-2,等级4,接触放电30kV,空气放电30kV。

l电源轨静电防护

针对模拟电源(3.3V),雷卯采用ESD0321CW(DFN0603 封装,30pF 电容,21A 泄放电流);

针对数字电源(1.8V)雷卯采用ESD1821C(DFN0603,25pF,18A),降低电源纹波与静电干扰。

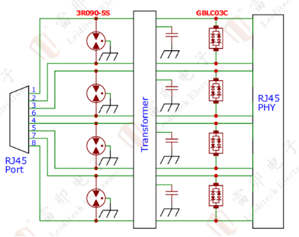
l千兆网络防雷击浪涌保护方案

 

雷卯针对用于室外的1000M网口浪涌保护,采用二级防护,变压器前级采用GDT 3R090-5S泄放大电流,变压器后端采用ESD GBLC03C精细钳位,结电容小于0.6pF,保证信号高温完整性,满足IEC61000-4-2,等级4,接触放电30kV,空气放电30kV。 IEC61000-4-5 10/700μs,40Ω,6kV,±5次,此方案高温传输不丢包。

 

 

雷卯电子(Leiditech)致力于成为电磁兼容解决方案和元器件供应领导品牌,供应ESD、TVS、TSS、GDT、MOV、MOSFET、Zener、电感等产品。雷卯拥有一支经验丰富的研发团队,能够根据客户需求提供个性化定制服务,为客户提供最优质的解决方案。

相关推荐

方案定制

去合作
方案开发定制化,2000+方案商即时响应!

雷卯电子是中国电磁兼容解决方案和元器件供应领导品牌。成立于2011年,品牌Leiditech,是国家高新技术企业。公司研发团队由留美博士和TI原开发经理组建,凭借技术精湛的研发队伍和经验丰富的电磁兼容行业专家,主要提供防静电TVS/ESD以及相关EMC元器件(放电管TSS/GDT、稳压管ZENER、压敏电阻MOV、整流二极管RECTIFIER、自恢复保险丝PPTC、场效应管MOSFET、电感)。