扫码加入

  • 方案介绍
  • 相关推荐
申请入驻 产业图谱

长距离POE供电模块静电浪涌防护方案

02/12 15:39
1258
加入交流群
扫码加入
获取工程师必备礼包
参与热点资讯讨论

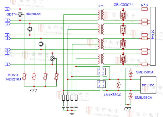
雷卯 EMC 小哥以海康威视摄像机内置 POE 供电模块(以下简称 “海康 POE 模块”)为研究对象,结合模块拆解图深入分析现有防护基础,针对性提出适配长距离场景的静电浪涌防护方案,聚焦户外安防监控、工业远程监控等场景的核心痛点,确保 POE 模块 “供电+数据传输” 双重功能稳定可靠。

一、长距离 POE 应用场景风险与防护标准

在户外道路沿线、园区周界及工业工厂车间、矿山井下等长距离 POE 应用中,网线易受三重威胁:一是雷雨天气引发的雷击电磁感应,浪涌能量沿网线叠加传输;二是工业设备启停产生的瞬态干扰,形成高频电压尖峰;三是超 100 米长距离网线的分布电容、电感进一步放大冲击。这些威胁轻则导致 POE 模块供电中断、数据丢包,重则击穿 DC-DC 转换器、PHY 芯片,损毁后端摄像机。

基于此,上海雷卯明确防护需满足两大国际标准:

·IEC61000-4-2(静电放电抗扰度):达等级 4 要求,输入端口接触放电、空气放电均达 30kV,输出端口接触放电 8kV、空气放电 15kV;

·IEC61000-4-5(浪涌抗扰度):应对 10/700μs、40Ω、6kV、±5 次浪涌冲击,适配长距离场景的能量叠加特性;1.2/50μs 波形(适用于 100-300 米场景)的标准阻抗为 2Ω(电源端口)或 12Ω(通信端口)、±6kV、±5 次。

二、海康 POE 模块接口分级防护方案(雷卯优化)

通过拆解海康 POE 模块可见,其防护核心集中在输入、输出两大端口,雷卯 EMC 小哥在此基础上强化 “分级拦截” 逻辑,融入雷卯自研防护器件与策略:

(一)输入端口:雷卯三级防护拦截前端浪涌

输入端口是浪涌侵入首要路径,采用 “泄放-钳位-精准防护” 三级策略,核心器件与部署要求如下:

第一级:大电流泄放(变压器前端)雷卯选用 GDT(气体放电管 3R090-5S)与 MOV(压敏电阻 14D821KJ)串联,快速泄放雷击等大能量浪涌(如 6kV 浪涌下可泄放 60% 以上能量)。

部署注意:户外场景需确保 GDT 接地端与设备接地极路径≤5cm,减少泄放损耗。

第二级:共模 / 差模钳位(变压器抽头处)搭配 MB6S 整流桥实现 POE 供电极性转换,并联 3 颗 TVS 二极管(LM1K58CC、SMBJ58CA×2雷卯选型),分别针对共模与差模浪涌进行钳位过电压;同时集成 Bob Smith 终端电路,兼顾浪涌防护与以太网差分信号完整性,降低信号反射损耗。

第三级:后端精准防护(变压器后端)采用 4 颗雷卯GBLC03C 瞬态抑制二极管,针对 PHY 芯片等低压器件进行 3.3V 精准钳位,响应时间<1ns,弥补前两级防护疏漏,避免低压电路击穿和数据丢包。

(二)输出端口:稳定负载与尖峰吸收

输出端口直接连接 12V 摄像机,雷卯 EMC 小哥重点优化 “防倒灌 + 尖峰抑制” 能力:

·雷卯采用SS210LA肖特基二极管(100V/2A)防倒灌,确保 12V 输出方向正确,减少长距离供电损耗,同时规避施工阶段的电路倒灌风险;

 

并联 SMBJ15CA型TVS 二极管,可有效钳制因负载波动(如摄像机红外灯启停瞬间)引发的电压尖峰,保护后端设备。

 

 

三、浪涌波形适配与 PCB 布局关键要求

(一)浪涌波形与场景匹配

雷卯 EMC 小哥指出,长距离 POE 场景需根据网线长度选择对应浪涌测试波形,避免防护错配:

·10/700μs 波形:适用于超 300 米户外对称线路,模拟长距离传输中雷击感应的叠加浪涌能量;

·1.2/50μs 波形:适用于 100-300 米户外线或工业内线,是多数 POE 设备的主流测试波形。

(二)PCB 布局:留足安全余量,避免防护失效

PCB 布局直接影响浪涌泄放与隔离效果,需严格遵循以下要求:

1.间距要求:外层铜迹间距≥6mm,内层≥3mm;垂直层间偏移 1mm,保留 3kV 隔离余量,防止层间击穿;

2.铜箔与迹线:雷卯推荐采用 1oz 铜箔,迹线宽度≥0.3mm(0.13mm 细迹线易在 GR-1089-CORE 测试中熔断);GDT/MOV 接地迹线≥2mm,降低泄放阻抗;

3.接地与屏蔽:STP 网线屏蔽层两端接地(接地电阻≤4Ω);GDT/MOV 用独立接地线(线径≥1.5mm²),避免多器件共用接地导致浪涌串扰;

 

Leiditech 雷卯电子致力于成为电磁兼容解决方案和元器件供应领导品牌,供应 ESD(如 GBLC03C)、TVS、TSS、GDT(如 3R090-5S)、MOV、MOSFET、Zener、电感等产品。雷卯拥有经验丰富的研发团队,可根据不同应用场景(户外 / 室内、PoE / 非 PoE)提供个性化防护方案,为千兆设备接口安全保驾护航。

相关推荐

方案定制

去合作
方案开发定制化,2000+方案商即时响应!

雷卯电子是中国电磁兼容解决方案和元器件供应领导品牌。成立于2011年,品牌Leiditech,是国家高新技术企业。公司研发团队由留美博士和TI原开发经理组建,凭借技术精湛的研发队伍和经验丰富的电磁兼容行业专家,主要提供防静电TVS/ESD以及相关EMC元器件(放电管TSS/GDT、稳压管ZENER、压敏电阻MOV、整流二极管RECTIFIER、自恢复保险丝PPTC、场效应管MOSFET、电感)。