扫码加入

  • 正文
  • 相关推荐
申请入驻 产业图谱

盛铂科技PDROUxxxx系列超低相位噪声锁相介质振荡器(固定点频信号源)1至44GHz

2025/11/15
2300
加入交流群
扫码加入
获取工程师必备礼包
参与热点资讯讨论

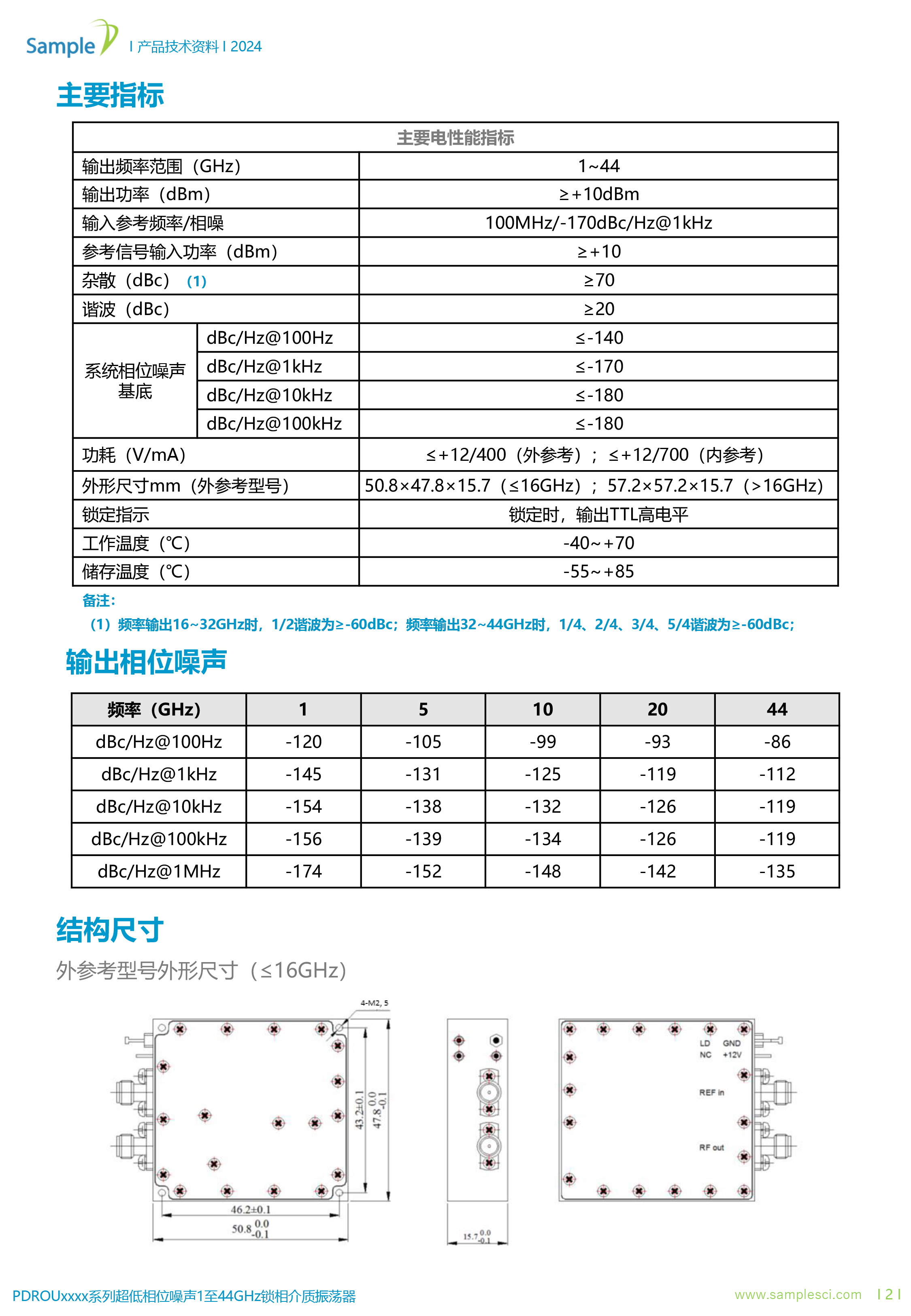
盛铂科技的PDROUxxxx系列锁相介质振荡器是一款覆盖 1GHz至44GHz 频段的固定频率信号源,其超低相位噪声、低杂散和低功耗的特点,特别适合高性能射频微波系统。

技术核心

这款产品能达到如此高的性能,主要得益于两项关键技术:

双环取样锁相技术:该技术通过将微波介质振荡器产生的高频信号与一个稳定的参考频率进行相位比对和锁定,确保了输出信号具有极高的频率稳定度和极低的相位噪声。

低相噪阶跃二极管:在鉴相过程中,该器件能有效降低引入的额外噪声,从而保证了系统优异的相位噪声基底

应用场景

凭借其优异的性能,PDROUxxxx系列可以在多个高端应用领域发挥作用:

高速数据转换系统:特别适合作为高精度高速ADC模数转换器)和DAC(数模转换器)的时钟源。一个超低相位噪声的时钟能显著提升系统的信噪比和动态范围。

微波组件与接收机:可以作为核心本地振荡源,集成到各种高性能的微波组件和无线通信接收机中。

测试与测量设备:在需要极高信号纯度的数字采集系统或作为其他测试仪器的内部基准时,它能提供高质量的信号输出。

选型注意事项

在选择具体型号时,有两点需要你特别关注:

参考模式选择:该系列提供内参考外参考两种型号。如果你的系统外部已经提供了高质量的参考时钟,可以选择外参考型号以实现系统同步;如果追求系统的简洁和独立集成,则内参考型号更为合适。

频率与相噪关系:需要注意的是,振荡器的相位噪声性能会随输出频率的变化而变化。在为你的具体应用评估相位噪声时,请参考对应频率点的典型值数据进行判断。

希望以上信息能帮助你全面了解这款产品。如果你需要特定频率下更详细的资料,建议直接联系盛铂科技以获取技术文档。

相关推荐

登录即可解锁
  • 海量技术文章
  • 设计资源下载
  • 产业链客户资源
  • 写文章/发需求
立即登录

盛铂科技(上海)有限公司采用具有自主知识产权的技术并结合引进先进的测试测量产品和技术,利用自身在数字信号处理、射频与微波测试测量、高速信号完整性、功率电子和半导体测试领域的专业优势,向客户提供高质量的硬件和软件解决方案。

微信公众号