扫码加入

  • 方案介绍
  • 相关推荐
申请入驻 产业图谱

电子设计大赛-信号产生电路

02/11 16:17
296
加入交流群
扫码加入
获取工程师必备礼包
参与热点资讯讨论

文末免费下载资料

分立模拟电路构成矩形波产生电路

运算放大器组成的矩形波产生电路电路图3.3.1所示,图中参数R1,R2,R3可根据具体应用情况调整,而振荡频率取决于R,C的大小。频率计算公式为

在这里插入图片描述
在这里插入图片描述

图3.3.2中7400构成高频振荡器,其频率决定于RPC,最后一个7400用作隔离级。

图3.3.3 由晶振和运放组成的矩形波产生电路

图3.3.3中的输出信号频率决定于晶振的频率,其中电阻 欧用来用作运算放大器输出级集电极开路的负载。

在这里插入图片描述

 

图3.3.4电路采用555组成占空比可调的方波发生器。A、P间的电阻为 ,P、B间的电阻记为RBP,则充电时间为0.693RAPC1,放电时间为0.693RBPC1,占空比D和频率f为:

在这里插入图片描述

正弦波产生电路

图3.3.5这是一个桥T型RC振荡器,电路中 C1 = C2 = C,振荡频率为

在这里插入图片描述
在这里插入图片描述

为了减少失真,Q值不大于5,

在这里插入图片描述

 

,正反馈系数F=R3/(R3+R4)。

在这里插入图片描述

图3.3.6是一个自激式的等效电感振荡器,在等效电感电路的基础上,加 构成谐振选频电路。采用光隔离器稳幅方式。当放大器增益大于一时,是负阻性。等效关系如下:

, ,

则振荡频率

在这里插入图片描述

按图中的参数输出正弦波的频率为1.6KHz。

三角波产生电路

图3.3.7中运放采用4136, 是一个门限检测器; 是一个积分器; 是用于幅度调节, 用于控制 的充电电流,进行频率的调节。

图3.3.7 由运放组成的三角波发生器电路

多种信号发生电路

图3.3.8所示电路中R1/R2决定三角波输出幅度,振荡频率为 。
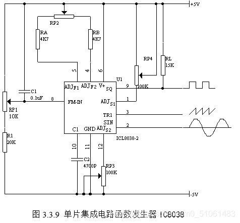
图3.3.9中ICL8038为单片集成电路函数发生器,其工作频率为几Hz至几百千Hz之间,它可以同时输出方波、三角波、正弦波等信号。 调节频率范围,其范围值为20Hz—20KHz, 改善正弦波负向失真。 改善正弦波正向失真。

图3.3.8 由运放组成的三角波和方波发生器
图3.3.9 单片集成电路函数发生器IC8038

资料详情(点击)

 

全套资料免费下载:
关注v-x-公-众-号:【嵌入式基地
后-台-回-复:【电赛】 即可获资料
回复【编程】即可获取
包括有:C、C++、C#、JAVA、Python、JavaScript、PHP、数据库、微信小程序、人工智能、嵌入式、Linux、Unix、QT、物联网、算法导论、大数据等资料

在这里插入图片描述

相关推荐