存储/储能技术资源交流群
电子技术交流群
AI人工智能交流群
物联网技术交流群
机器人技术交流群
电源技术交流群
广深工程师技术资源交流群
上海区域工程师技术资源交流群
北京区域工程师技术资源交流群
直播活动群
板卡试用群
扫码加入
热搜
搜索历史清空
加入星计划,您可以享受以下权益:
产业图谱
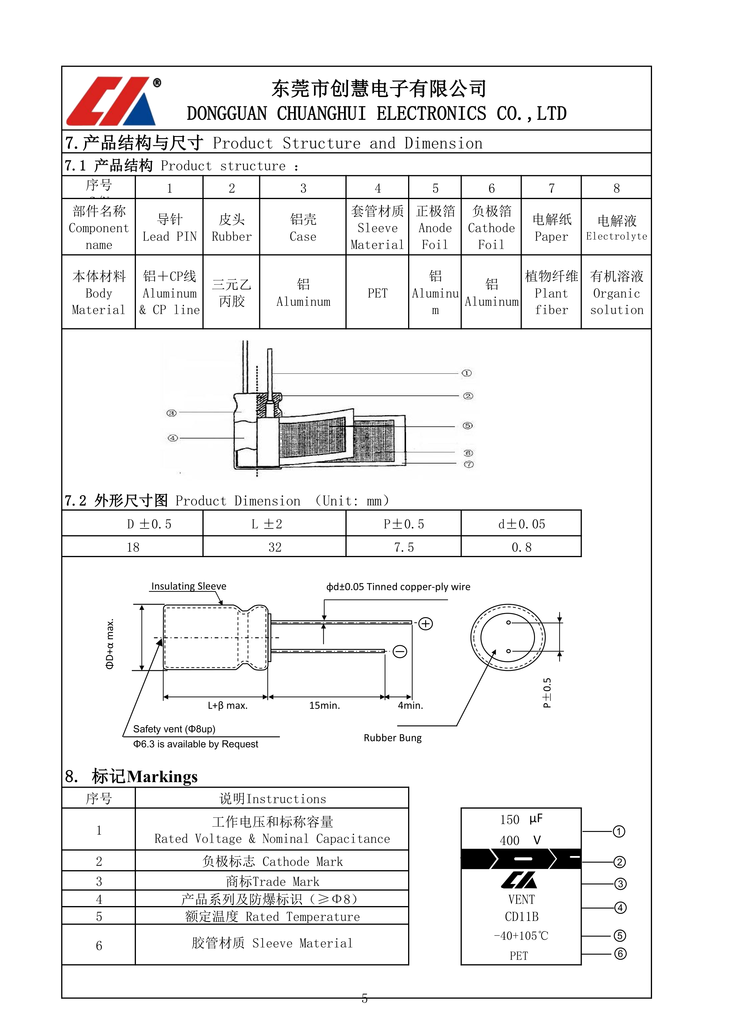
铝电解电容器CD11B系列150uF 400V ±20%插件,D18xL32mm
工业机器人 工业计算机
CT机
扫地机器人 智能电视
智能音箱 XR
汽车充电桩 CT机
汽车 汽车充电桩
工业机器人
元器件
汽车充电桩
汽车 自动驾驶域
半导体封测
智能音箱
元器件 半导体制造
路由器 基站
汽车
工业摄像头
贴片铝电解电容器创慧SS系列固态电容
制造商:创慧电子
牛角电解电容器CD296-1200μF/180V/25*55mm
牛角电解电容器CD296-1000μF/315V/35*50mm
牛角电解电容器CD296-1000μF/200V/22*65mm
CD288HK系列铝电解电容器82uF 450V ±20% D18XL26mm