汽车电子技术交流群
单片机技术交流群
射频技术交流群
传感器技术交流群
嵌入式技术交流群
PCB技术交流群
存储技术交流群
电子技术交流群
半导体设备技术交流群
通信/网络技术交流群
广深工程师技术资源交流群
上海区域工程师技术资源交流群
北京区域工程师技术资源交流群
苏州区域工程师技术交流群
西南地区武汉重庆工程师交流群
与非AI体验反馈群
直播活动群
板卡试用群
扫码加入
热搜
搜索历史清空
加入星计划,您可以享受以下权益:
产业图谱
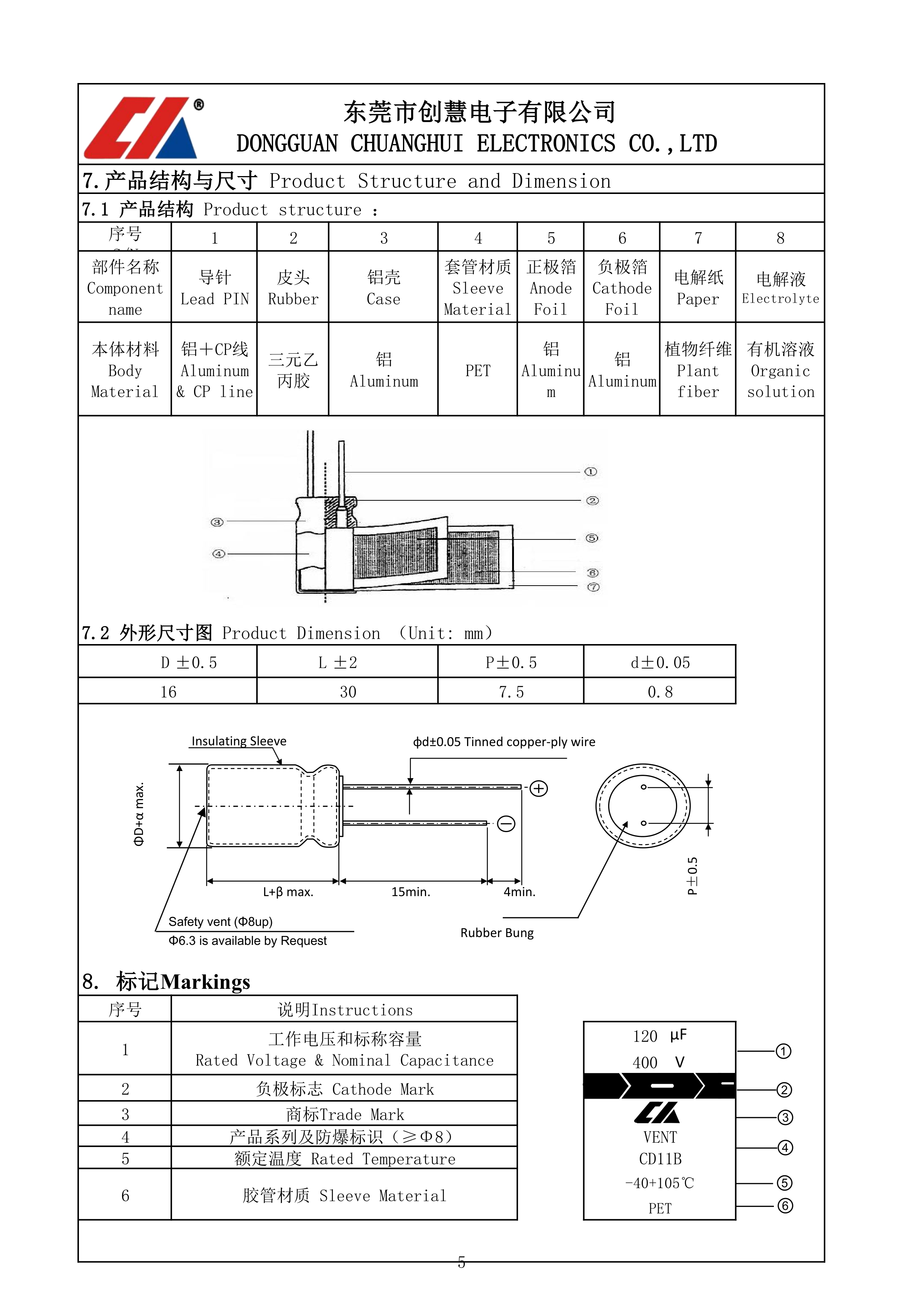
铝电解电容CD11B系列120uF 400V ±20%插件,D16xL30mm
工业机器人 工业计算机
扫地机器人 智能电视
CT机
智能音箱 XR
汽车充电桩 CT机
元器件
汽车 自动驾驶域
汽车充电桩
智能音箱
半导体封测
路由器 基站
元器件 半导体制造
汽车 汽车充电桩
汽车
工业机器人
贴片铝电解电容器创慧SS系列固态电容
制造商:创慧电子
牛角电解电容器CD296-1200μF/180V/25*55mm
牛角电解电容器CD296-1000μF/315V/35*50mm
牛角电解电容器CD296-1000μF/200V/22*65mm
CD288HK系列铝电解电容器82uF 450V ±20% D18XL26mm