作者:Manley Qin 公司:骏龙科技
模数转换器(之后简称ADC)广泛应用于数据采集系统中,如我们常见的温度测量、压力测量、仪器仪表,以及工业过程控制系统等都会用到ADC。选择合适的ADC对搭建良好测试系统至关重要。
目前多数ADC集成度不高,对小信号的测量需要外加运放或仪放等器件做相关信号的处理;对某些激励传感器的驱动需要添加额外的恒流源做驱动,整个系统较为繁杂,不利于多路信号测量。且外围器件过多,会引入额外的噪声,不能保证产品的一致性以及长期稳定性。而AD7124因为其高集成度,低噪声,低功耗等特点,能够适用于各种精密测试的应用场合。
一、AD7124的优势和特点
- 可配置为低功耗、中功率、全功率三种功耗模式,最低电流可低至125uA
- 在所有功率模式下,无噪声分辨率高达22位,即最大噪声小于1.5uV(增益为1),能满足绝大多数高精密测试的需求
- 可编程增益(1至128),可直接输入小信号,外部电路无需加额外器件
- 可编程激励电流(档位50/100/250/500/750/1000 uA),可做传感器激励信号
- 片内偏置电压发生器
- 片内基准电压源
- 开路检测及诊断功能
- AD7124-4版本支持4个差分/7个单端输入
- AD7124-8版本支持8个差分/15个单端输入
二、AD7124的应用场景
(一) RTD测温场合应用
传统的RTD测量需要外加激励源,当涉及到多路测量时需要用模拟开关进行切换,然后使用运放或仪放做信号的处理,再经过ADC进行信号的采集。下图为典型的RTD信号链框图。

图1 典型RTD信号链
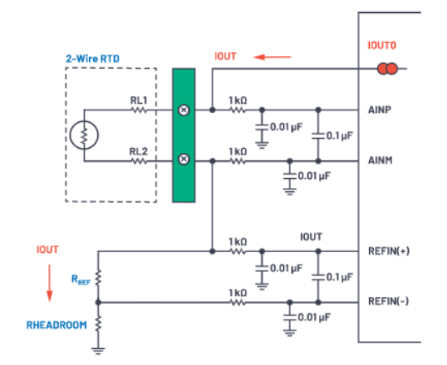
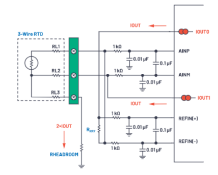
从图1中可以看出,典型的多路RTD测量电路,外围器件要求较多,增加了设计的复杂度以及电路的不确定性。而AD7124这款ADC,它内部集成了激励源,模拟开关以及放大电路,与此同时,它的噪声非常低,可以说是为RTD测试量身打造的ADC。图2、图3、图4为不同RTD与AD7124的接法。

图2 2线RTD与AD7124的接法

图3 3线RTD与AD7124的接法

图4 4线RTD与AD7124的接法
从上面不同RTD与AD7124的接法(图2、图3、图4)与图1典型的接法对比可以看出,用于信号处理的外围器件基本没有了,既降低了产品的研发难度,又减小了产品的尺寸。
(二) 压力传感器测试应用
除了RTD的测量以外,AD7124也可用于压力传感器的测试。
图5为连接一个电压激励的压力传感器,图6为连接一个电流激励的压力传感器。

图5 电压激励的压力传感器

图6 电流激励的压力传感器
无论是电压激励还是电流激励的传感器,使用AD7124做设计都不必外加其他器件,因为AD7124拥有多个通道,能同时接入多个传感器。除了以上列出的温度压力的测量以外,由于AD7124的噪声很低,内部有PGA,也可用来做小信号的测量,工业过程控制等等。
三、总结
AD7124是一款性能优异,功能强大的高精度ADC,拥有多种模式供选择,每个输入管脚均可单独配置,提供多种滤波器选项,可针对多种不同应用进行相应的配置和开发,为客户带来更大的灵活性。从文中的电路图可以看出,与传统的采样电路相比,AD7124大大缩减了外围的电路,简化了设计,为研发人员的设计提供了极大的便利。
欲了解更多 ADI 相关方案或技术信息,请与骏龙科技当地的办事处联系,或发送邮件至inquiry.cytech@macnica.com,骏龙科技公司愿意为您提供更详细的技术解答。
更多精彩资讯,敬请关注骏龙电子公众号或浏览骏龙科技官方网站:

3090