扫码加入

  • 正文
  • 相关推荐
申请入驻 产业图谱

MS5192T/MS5193T 低噪声、低功耗模数转换器

2025/10/16
1147
加入交流群
扫码加入
获取工程师必备礼包
参与热点资讯讨论

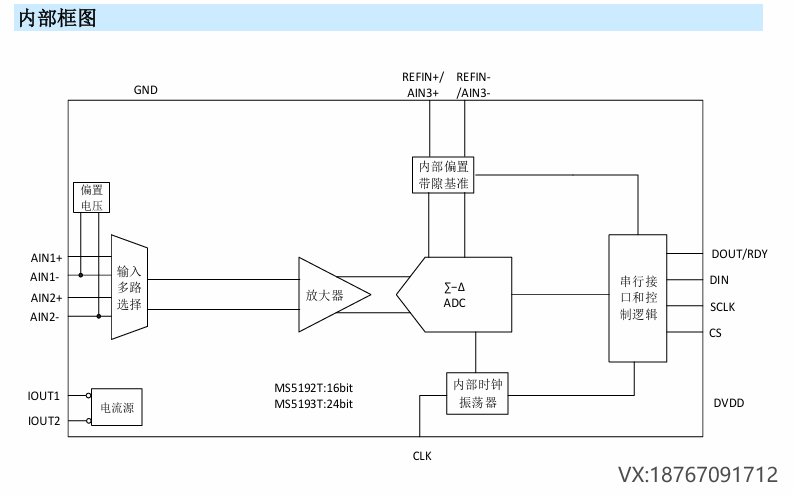
MS5192T/MS5193T 为适合高精度测量应用的低功耗、低噪声、三通道差分输入的 16bit/24bit 模数转换器。完美替代AD7792/AD7793。其内部集成了输入缓冲器仪表放大器,当增益设置为 64,更新速率为 4.17Hz时,均方根噪声为 25nV。集成了精密低噪声、低漂移内部带隙基准,也可采用外部差分基准电压。片内还集成可编程激励电流源、burnout 电流源和偏置电压发生器。偏置电压发生器可将通道共模电压设置为 0.5*AVDD芯片采用外部时钟或内部时钟, 输出数据速率可通过软件设置为 4.17Hz 到 470Hz。电源电压范围为 2.7V 到 5.25V。 MS5192T/MS5193T 采用了 TSSOP16 封装

主要特点

RMS 噪声:在 4.17Hz 为 25nV;在 16.7Hz 为 30nV;

功耗:典型值为 380uA

集成可编程增益放大器

集成低温漂电压基准

更新速率:4.17Hz 到 470Hz

集成 50Hz/60Hz 限波滤波器

集成可编程电流源

集成偏置电压发生器

电源电压:2.7V 到 5.25V

工作温度范围:-40℃~105℃

应用

热电偶和 RTD 测量

衡器应力检测

气体分析和血液分析

工业过程控制和仪器仪表

液相和气相色谱仪

智能发射机

6 位 DVM

相关推荐

登录即可解锁
  • 海量技术文章
  • 设计资源下载
  • 产业链客户资源
  • 写文章/发需求
立即登录