扫码加入

  • 正文
  • 相关推荐
申请入驻 产业图谱

XBLW MAX485:10Mbps半双工RS485收发器,高ESD防护与低功耗设计

2025/10/23
1788
加入交流群
扫码加入
获取工程师必备礼包
参与热点资讯讨论

芯伯乐(XBLW)MAX485是一款支持3V~5.5V宽电压供电、具备±15kVESD防护能力的半双工RS485通信收发器。该器件集成驱动器接收器,支持高达10Mbps的数据传输速率,适用于工业控制电力通信智能电表及工厂自动化等应用场景。

产品特性

高速通信:支持10Mbps数据传输速率

电源电压:0V~5.5V

高ESD防护:A/B引脚±15kV(HBM),其他引脚±8kV

低功耗:工作电流典型值300µA,关断模式下低至1µA

共模输入范围:-7V~+12V

总线负载能力:最多支持256个节点

故障保护功能:支持开路、短路等故障安全模式

热关断与过流保护:防止驱动器过热和短路损坏

引脚功能


模式说明

MAX485通过接收使能(RE)和驱动器使能(DE)引脚的组合控制其工作模式:

当DE为高电平、RE为高电平时,器件进入发送模式,将DI引脚的单端数据转换为A、B总线的差分信号进行输出;

当DE为低电平、RE为低电平时,器件切换至接收模式,将总线上的差分信号转换为单端信号从RO引脚输出,并具备输入开路故障安全功能;

当DE为低电平、RE为高电平时,则进入关断模式,驱动器和接收器均呈现高阻抗状态,功耗降至极低的1μA以下,从而实现电源节能。这种灵活的控制机制使其能够高效管理数据流向和系统功耗。

核心特性

电气性能优势

高速通信能力:支持最高10Mbps的数据传输速率,满足大多数工业现场总线需求

宽电源电压范围:3.0V~5.5V,兼容3.3V和5V系统设计

低功耗设计:工作模式下静态电流典型值300μA,关断模式下低至1μA

高ESD防护:A/B引脚具备±15kV(HBM)ESD保护,其他引脚±8kV保护

可靠性设计

热关断保护:内置过热保护电路,防止驱动器因过热损坏

短路电流限制:驱动器具备短路保护功能,提高系统可靠性

故障安全设计:接收器输入开路、短路时保证逻辑高电平输出

工业级温度范围:-40℃~+85℃工作温度范围

系统集成优势

高节点容量:1/8单位负载设计,单总线最多支持256个节点

电源无关操作:上电/断电期间驱动器输出保持高阻抗状态

兼容性强:完全兼容RS-485标准,可与同类产品互换使用

绝对最大额定值

典型应用

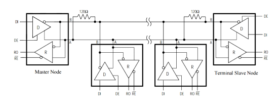
半双工RS485网络:半双工RS-485网络是一种采用一对差分信号线(A和B)进行数据传输的多节点通信系统,其核心特点是所有设备共享同一总线,依靠协议协调,在任何时刻只能有一个设备作为发送方,其余设备作为接收方,XBLW MAX485支持多达256节点总线连接,从而实现稳定、抗干扰、低成本的多点通信。

工业控制系统:MAX485是工业控制系统中实现设备间可靠通信的核心芯片,它作为RS-485收发器,将控制器的逻辑信号转换为抗干扰的差分信号,通过一对双绞线构建多节点网络。其采用半双工通信模式,支持长达1200米的远距离传输,通过差分传输机制有效抑制工业环境中的共模噪声,具有高可靠性、低成本、布线简单的显著优势。

总结

XBLW MAX485是一款高性能、高可靠性的 RS485 收发器,兼具高通信速率与低功耗特性,具备出色的 ESD 防护能力和全面的故障保护机制,广泛适用于各类工业与通信应用场景。其宽电源电压范围与多样化的封装选择,为系统设计提供了更高的灵活性与便利度,助力实现稳定而高效的通信连接。

相关推荐