扫码加入

  • 正文
  • 相关推荐
申请入驻 产业图谱

IU5528:低功耗,单电感,2.6A升降压DCDC

2025/11/18
917
加入交流群
扫码加入
获取工程师必备礼包
参与热点资讯讨论

IU5528D是一款超微小型、超低功耗的升降压一体DC-DC电压调整器,适配双节/三节干电池或单节锂电池应用,主要面向电池产品、4G/5G模块、AIOT、POS系统等场景,采用DFN3X3_10L封装,工作电压范围1.8~5.0V,额定工作温度-20~85℃,能有效延长设备电池使用时间。

核心性能表现优异:输出电压可在1.2~5V之间通过外接两个电阻调整,最大效率达95%;输出电流能力随输入输出电压组合变化,4.2V输入转3.3V输出时最大2.6A,3.7V输入转5.0V输出时最大1.8A。开关频率为1MHz,静态电流仅8μA(MD=0V低功耗模式),关断电流小于0.1μA,支持PWM/PSM自动切换,在宽负载范围内保持高效率与低纹波。

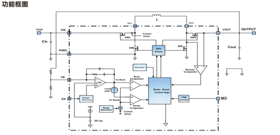
功能与可靠性设计完善:具备软启动功能和100%占空比低压操作能力,内置输入欠压保护(1.6V阈值,200mV滞回)、温度保护(150℃触发,20℃滞回);通过MD管脚可切换工作模式,高电平强制PWM模式,低电平为PSM模式;EN管脚用于开启或关闭芯片,操作便捷。

PCB布局需注意:芯片底部散热片需与PCB散热区域相连并接地;输入输出电容建议选用22μF以上陶瓷电容,且尽量靠近芯片引脚;功率通路走线需短而粗,电感引脚需与其他元件隔离,以保障性能稳定。整体凭借小尺寸、低功耗、高效率及灵活的电压转换特性,为各类便携电子设备提供可靠的供电解决方案。

一、IU5528的特性

高效率:最大效率可达到95%

电流输出能力:

4.2V->3.3V:2.6A 3.0V->3.3V:1.7A

2.5V->3.3V:1.3A 1.8V->3.3V:0.7A

3.0V->5.0V:1.4A 3.7V->5.0V:1.8A

低功耗静态电流:8uA(MD=0V)

关断电流:<0.1μA

输入电压范围:1.8~5V

可调输出电压范围:1.2~5V

开关频率:1MHz

基准电压:0.6V

软启动

低压操作,可达100%占空比

PWM/PSM自动切换占空比自动可调,以保持很大负载范

围内的高效率、低纹波

二、IU5528的应用信息

1、典型应用图

2、引脚排列及定义

3、功能框图

4、基础参数

5、PCB布局

相关推荐