扫码加入

  • 正文
  • 相关推荐
申请入驻 产业图谱

矽力杰 Silergy SY8816 降压稳压器 佰祥电子

7小时前
204
加入交流群
扫码加入
获取工程师必备礼包
参与热点资讯讨论

突破6A核心供电的空间物理极限:SY8816同步降压架构与热设计六大硬核拆解

导语:

在当下火热的高性能固态硬盘(PCIe SSD)、Wi-Fi 6/7 路由器以及紧凑型智能终端主板设计中,核心处理器的供电轨正面临着极其苛刻的物理学挑战。随着主控算力的飙升,其运行电压被无情地压缩至1V左右,但对电流的吞吐需求却动辄达到5A甚至6A。面对“超低压、大电流”与“极限空间”的双重工程夹击,传统的降压方案要么因为内阻过高而热失控,要么因为体积庞大而根本无法塞进极度拥挤的板卡中。

作为深耕电源管理领域的专业团队与矽力杰官方授权代理商,佰祥电子不仅为您提供稳定可靠的原装正品芯片,更致力于从底层原理出发协助硬件团队跨越设计鸿沟。本期,我们将为您深度拆解矽力杰 SY8816 工业级大电流同步降压稳压器,看看它是如何在极微缩的空间内驯服6A澎湃动力的。

1.突破空间天花板:QFN2x2极限微缩封装

将高达6A的连续巨量电流强行塞进一颗极小的贴片芯片中,最致命的工程瓶颈就是物理封装的散热极限。如果只是简单地缩小芯片尺寸,满载运行时产生的巨大热量会瞬间触发过温保护。SY8816 交出了一份极其硬核的热力学答卷。它采用了仅有 2mm x 2mm 大小的 QFN 极限微缩封装,在极其有限的物理空间内,通过底部的超大面积接地散热焊盘(Exposed Pad)构建了直通 PCB 地平面的散热高速公路,彻底解决了微型化带来的热淤积难题。

图一:极限微缩,高功率密度下 QFN2x2 引脚布局与底部大面积散热焊盘设计

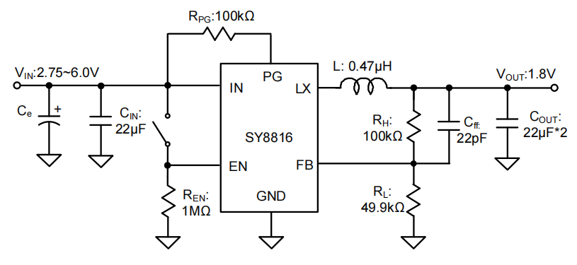
2.极简外围与原生宽压架构

在大电流供电网络中,过多的外围元器件不仅会推高 BOM 成本,更会增加走线寄生电感,导致高频噪声难以抑制。SY8816 原生支持 2.75V 到 6V 的宽输入电压区间,完美覆盖了 3.3V 和 5V 的主流前端总线,无需任何外部降压前级。得益于内部高度集成的控制逻辑与双功率管,硬件工程师仅需搭配区区几颗陶瓷电容和一颗微型贴片电感,即可构建出完整的 6A 供电中枢。

图二:高度集成化,仅需极少阻容元件的 6A 级核心供电极简实战原理图

3.极致内阻压榨:全负载域的超高能效

持续的高效能转换是确保大功率设备不降频的绝对关键。SY8816 的核心杀手锏在于,其内部集成的经过深度工艺优化的高低侧功率 MOSFET导通电阻被疯狂压榨到了惊人的 28mΩ(高侧)和 14mΩ(低侧)。极其强悍的超低内阻表现,有效削减了大电流下的导通损耗。配合智能的轻载运行模式,即使在剧烈波动的输入电压下,它依然能划出一条极其优美的效率曲线,完美契合了现代便携设备对全时能效的极致追求。

图三:不同输入电压与轻重载条件下的高能效转换实测表现

4.1.5MHz高频架构与微秒级瞬态响应

在固态硬盘或光模块执行庞大数据的读写吞吐时,处理器内部几百万个晶体管同时翻转,会产生极具破坏性的负载电流阶跃(Load Step)。供电环路的响应速度,直接决定了逻辑电压是否会跌破死机红线。SY8816 在连续导通模式下维持着高达 1.5MHz 的伪恒定开关频率。极高的开关频率赋予了它极大的闭环控制带宽,当面临从轻载瞬间飙升至满载的突发电流时,其瞬态响应速度达到了微秒级,瞬间抹平电压毛刺,确保了核心算力在极端跳变过程中的绝对平滑。

图四:极速响应,6A大负载瞬态阶跃跳变下的输出电压实测波形

5.驯服开机浪涌:底层安防与平滑软启动

在大电流供电网络中,稳定的上电时序与故障防御同样决定了系统的生死。面对极低输出电压与大容量输出电容,硬开机瞬间产生的巨大充电浪涌电流(Inrush Current)足以拉垮前端总线甚至击穿脆弱的计算核心。SY8816 内部配置了高可靠性的软启动(Soft-start)机制。无论系统何时被唤醒,它都能强制控制输出电压平滑、缓慢地爬升。此外,芯片集成了完善的逐周期限流与过温保护功能,构筑了堡垒级的底层防御。

图五:精准可靠的内部软启动机制与平滑爬升动作实测波形

6.6A大电流的物理妥协:严苛的PCB布局

极致的电气性能最终需要落实在物理尺寸的覆铜上。对于一颗要吐出 6A 巨量电流的芯片来说,PCB 的 Layout 布局不再是简单的连线,而是关乎芯片生死的电气与散热双通道设计。为了让底层热量顺利散出,并隔绝高频开关节点(LX)的致命噪声辐射,规格书给出了极其严谨的覆铜指导。大面积的 PGND 铺铜、密集的散热过孔,以及输入旁路电容的极限贴近,都是保证这款微缩引擎全速运转的物理基石。

图六:官方硬核指导,大电流覆铜与敏感高频走线的抗干扰 PCB 布局方案

总结:

SY8816 以其极其强悍的 6A 动力输出、2x2mm 的极限体积微缩以及出色的动态响应,成功化解了现代高性能终端面临的超低压、大电流与空间受限的三重供电矛盾,堪称大容量固态硬盘、智能路由以及便携式设备的破局之选。

高密度大电流开关电源的稳定落地,绝非简单的连线敷铜。从底层大电流回路的开尔文连接法则,到大电流覆铜的热仿真布局,每一个底层细节都关乎着昂贵主芯片的生死存亡。在追求极度微型化与高可靠性的今天,吃透核心器件的底层逻辑并辅以严苛的实战验证,才是打造堡垒级供电系统的唯一捷径。未来,佰祥电子技术团队将持续为您带来更多前沿的芯片拆解与实战选型参考,与广大硬件工程师并肩攻克复杂的算力供电设计难题。

相关推荐