扫码加入

  • 方案介绍
  • 相关推荐
申请入驻 产业图谱

【物联网毕设】大棚环境监测系统-STM32+MQTT+APP

04/03 11:27
536
加入交流群
扫码加入
获取工程师必备礼包
参与热点资讯讨论

 

目录

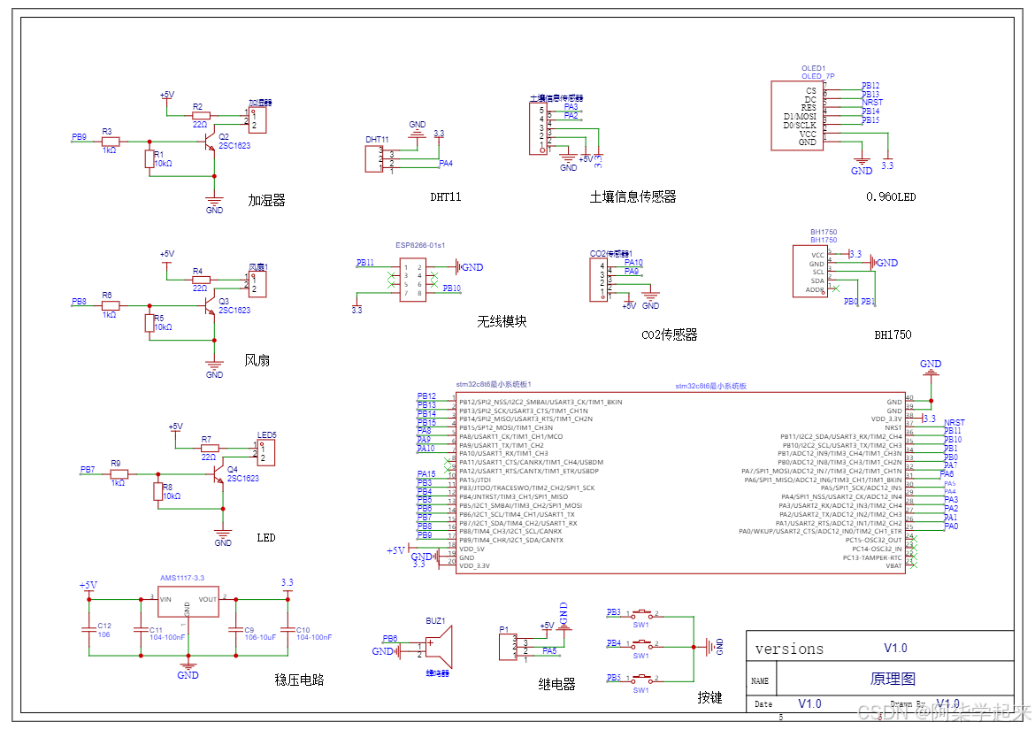
一 连线图

1 原理图

2 PCB效果

3 实物效果

4 APP效果

5 功能概括

(1)硬件端

(2)APP端

(3)云平台使用

(4)演示视频

二 底层代码使用方式

1 使用说明

2 下载程序

三 APP使用方式

1下载APP

四 程序架构及修改(通用)


前言

我们设计了一套基于STM32F103C8T6核心的智能大棚环境监测系统,该系统集成了ESP8266-01s WiFi模块实现联网通信,通过0.96寸OLED显示屏实时展示各项环境参数。系统配备了多种传感器:温湿度传感器监测环境气候,光照传感器检测光照强度,485型土壤综合传感器测量土壤温湿度、氮磷钾含量、pH值和EC值,二氧化碳传感器检测CO₂浓度。执行机构包括风扇(异常时通风)、加湿器(湿度过低时加湿)、补光灯(光照不足时补光)以及继电器控制的CO₂注入设备。本地可通过按键短按控制设备启停(在未触发阈值条件下),长按切换显示界面;同时通过MQTT协议与云平台和手机APP实时交互,实现远程数据监控、历史数据查询、设备远程控制、阈值调整及超限报警等功能,当系统检测到异常数据时,蜂鸣器会发出警报提示。


关注微信公众号--星之援工作室 发送关键字(项目清单)
可获取项目清单资料

➡️➡️


⚠️⚠️(本文章仅提供思路和实现方法,并不包含代码,需要代码的同学请自行联系博主)

⚠️⚠️(有疑问或需要定制或者技术支持等,也请自行联系博主)⚠️⚠️


一 连线图

1 原理图

2. 开发板本身自带一个LED ,这个LED作为我们查看网络连接状态和获取数据状态的说明

(1)首先需要打开我们的WIFI热点让设备进行联网操作,看到显示数据界面,即可进行下一步功能测试

(2)硬件每隔几秒会向APP传输一次数据。

热点名字:NET密码:12345678,请使用2.4GHZ频率的无线网。

2 PCB效果

3 实物效果

4 APP效果

5 功能概括

(1)硬件端

  1. ESP8266-01s:使用wifi模块进行联网使用;
  2. 0.96寸OLED:用于显示的设备的状态,实现实时监测;
  3. STM32F103C8T6:用于所有程序的中控和模块数据通信
  4. 温湿度检测:用于环境的温湿度数据;
  5. 光照传感器:用于检测环境的光照强度
  6. 土壤状态监测:485 型土壤综合检测传感器(测量土壤温湿度、氮磷钾含量、pH 值、EC 值)。
  7. 蜂鸣器:异常状态的报警提示
  8. 二氧化碳:二氧化碳传感器(实时检测 CO₂浓度,适配光合作用需求)。
  9. 风扇:检测到异常数据,可以进行通风处理
  10. 加湿器,检测到环境湿度过低,进行加湿处理
  11. 补光灯:检测到光照过低,可以自动开启补光灯
  12. 继电器:用于模拟CO2注入设备
  13. 按键:可以控制设备状态

短按按键可以控制设备可开启和关闭(需要在阈值没有触发)

长按按键可以直接切换界面

(2)APP端

  1. 使用MQTT协议与设备进行信息交互;
  2. 可采集到底层设备数据并且展示到界面UI;
  3. 设备异常状态时,界面会出现提示信息;
  4. 可以保存环境的历史数据进行查询
  5. 可以远程控制设备的模式,可以远程开启和关闭各个设备
  6. 可以修改阈值,实现超过阈值自动报警

(3)云平台使用

只是链接各个设备使用,采用MQTT即时通讯;

(4)演示视频

通过网盘分享的文件:170.1.大棚环境监测系统-WiFi.mp4

链接: https://pan.baidu.com/s/1d1ZpPqytz8GR3l8Ci3wFRA?pwd=XZY0 提取码: XZY0

--来自百度网盘超级会员v7的分享

二 底层代码使用方式

1 使用说明

(1). 使用的时候设备会自动连接WIFI

热点名字:NET密码:12345678,请使用2.4GHZ频率的无线网。

(多看视频,视频中有完整功能演示)

(多看视频,视频中有完整功能演示)

(多看视频,视频中有完整功能演示)

2 下载程序

  1. 先根据原理图进行连线,连接好以后在做后面的操作
  2. 打开手机热点 热点名字:NET密码:12345678
  3. 打开程序(硬件由工作室出的可以忽略下载程序这部分)

三 APP使用方式

1下载APP

(1)操作方式:

使用Android手机安装APK进行操控

安装Android studio导入项目使用模拟器

官网下载最新版本

https://developer.android.google.cn/studio?hl=zh-cn

安装包(工作室使用版本)链接:

https://pan.baidu.com/s/1DnRGWeJt7XBTmzqHj1KRSQ?pwd=xzy0

提取码:xzy0

安装教程

https://zhuanlan.zhihu.com/p/528196912

(2)使用说明

打开APP后设备会自动订阅MQTT主题,等待1-5秒APP会自动获取到设备上的数据,若5秒内没有获取到设备数据,则请检测设备是否在线,若在线,则请重新打开APP进行数据的获取

(多看视频,视频中有完整功能演示)

(多看视频,视频中有完整功能演示)

(多看视频,视频中有完整功能演示)

四 程序架构及修改(通用)

链接:

https://pan.baidu.com/s/1TZkvdEOp-ERgi-2A1o-KWw?pwd=XZY0

提取码:XZY0

APP参数修改

联系方式 微信号:13648103287

相关推荐