扫码加入

  • 方案介绍
  • 相关推荐
申请入驻 产业图谱

【物联网毕设】多功能露营灯-STM32+4G+GPS

04/03 10:54
313
加入交流群
扫码加入
获取工程师必备礼包
参与热点资讯讨论

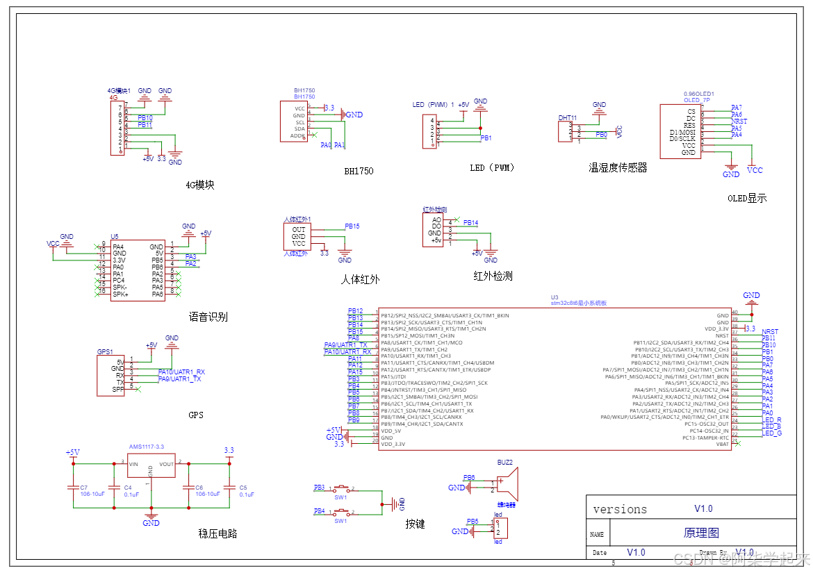
一 连线图

1 原理图

2 PCB效果

3 实物效果

4 APP效果

5 功能概括

(1)硬件端

(2)APP端

(3)云平台

(4)演示视频

二 底层代码使用方式

1. 使用说明

2. 下载程序

三 APP使用方式

1下载APP

四 程序架构及修改(通用)


前言

本系统以STM32F103C8T6为主控,集成了4G模块(支持联网与一键短信发送)、GPS定位模块、0.96寸OLED显示屏DHT11温湿度传感器、BH1750光照传感器、补光灯、HC-SR501人体红外传感器、ASR PRO语音模块、红外传感器及LED与蜂鸣器,实现了环境温湿度与光照监测、光线不足时自动补光、“人来亮灯、人走延时熄灭”的智能照明控制、语音指令操控以及异常靠近实时报警等功能;同时通过MQTT协议连接云平台,配套APP可实时展示传感器数据与GPS定位信息,支持远程切换工作模式、远程控制LED开关,从而构建出一款具备本地智能感知、语音交互、远程监控与定位追踪能力的多功能露营灯方案。


关注微信公众号--星之援工作室 发送关键字(项目清单)
可获取项目清单资料

➡️➡️


⚠️⚠️(本文章仅提供思路和实现方法,并不包含代码,需要代码的同学请自行联系博主)

⚠️⚠️(有疑问或需要定制或者技术支持等,也请自行联系博主)⚠️⚠️


一 连线图

1 原理图

2. 开发板本身自带一个LED ,这个LED作为我们查看网络连接状态和获取数据状态的说明

(1)说明我们已经连接上云平台,OLED显示屏中会显示联网状态,若MCU上面的的LED处于闪烁状态,则说明我们的设备处于正常运行,若LED灯不再闪烁,请按复位键将程序手动复位一次

(2)硬件每隔2.5秒会向APP传输一次数据。

室内会到站GPS模块搜星异常,请到户外进行GPS定位获取

4G模块需要先插入SIM卡使用,否则连不上网络

2 PCB效果

3 实物效果

4 APP效果

5 功能概括

(1)硬件端

  1. 4G:使用4G模块进行联网使用,必要时可以一键发送短信;
  2. GPS模块:用于定位自身的经纬度
  3. 0.96寸OLED:用于显示的设备的状态,实现实时监测;
  4. STM32F103C8T6:用于所有程序的中控和模块数据通信
  5. 温湿度检测(DHT11):用于环境的温湿度数据;
  6. 光照传感器:借助BH1750光照传感器获取环境光线亮度,为照明模式切换提供依据。
  7. 补光灯:检测到光照过低,可以自动开启补光灯
  8. 人体检测传感:HC-SR501人体红外传感器触发式工作,达成“人来亮灯、人走延时熄灭”的智能控制
  9. 语音模块:搭载ASR PRO低功耗语音识别模块,支持“开灯、调亮、切换模式”等语音指令操作
  10. 红外传感器:检测是否有物体靠近,进行实时报警
  11. led与蜂鸣器:用于报警处理

(2)APP端

  1. 使用MQTT协议与设备进行信息交互;
  2. 可采集到底层设备数据并且展示到界面UI;
  3. 可以远程修改设备的模式
  4. 可以远程控制led的开关
  5. 可以在app上看到设备的gps定位信息

(3)云平台

只是链接各个设备使用,采用MQTT即时通讯;

(4)演示视频

通过网盘分享的文件:176.1.多功能露营灯-4G+GPS.mp4

链接:

https://pan.baidu.com/s/1-JX_scPHrRftleCfW2uLKQ?pwd=XZY0 提取码: XZY0

--来自百度网盘超级会员v7的分享

二 底层代码使用方式

1. 使用说明

(1). 使用的时候设备会自动连接平台

4G模块需要先插入SIM卡使用,否则连不上网络

(2). 当设备处于正常状态的时候,开发板上面的LED会处于闪烁的状态。

(3). 需要注意GPS模块是否正常,正常状态GPS的状态灯会持续闪烁,若GPS状态灯长亮,则需要在户外获取卫星定位,否则不会有经纬度产生

(多看视频,视频中有完整功能演示)

(多看视频,视频中有完整功能演示)

(多看视频,视频中有完整功能演示)

2. 下载程序

  1. 先根据原理图进行连线,连接好以后在做后面的操作
  2. 打开程序(硬件由工作室出的可以忽略下载程序这部分)

三 APP使用方式

1下载APP

(1)操作方式:

使用Android手机安装APK进行操控

安装Android studio导入项目使用模拟器

官网下载最新版本

https://developer.android.google.cn/studio?hl=zh-cn

安装包(工作室使用版本)链接:

https://pan.baidu.com/s/1DnRGWeJt7XBTmzqHj1KRSQ?pwd=xzy0

提取码:xzy0

安装教程

https://zhuanlan.zhihu.com/p/528196912

(2)使用说明

打开APP后设备会自动订阅MQTT主题,等待1-5秒APP会自动获取到设备上的数据,若5秒内没有获取到设备数据,则请检测设备是否在线,若在线,则请重新打开APP进行数据的获取

(多看视频,视频中有完整功能演示)

(多看视频,视频中有完整功能演示)

(多看视频,视频中有完整功能演示)

四 程序架构及修改(通用)

链接:

https://pan.baidu.com/s/1TZkvdEOp-ERgi-2A1o-KWw?pwd=XZY0

提取码:XZY0

APP参数修改

联系方式 微信号:13648103287

相关推荐