扫码加入

  • 方案介绍
  • 相关推荐
申请入驻 产业图谱

【物联网毕设】智能家庭储物柜-STM32+RFID+密码+MQTT

04/03 10:55
148
加入交流群
扫码加入
获取工程师必备礼包
参与热点资讯讨论

目录

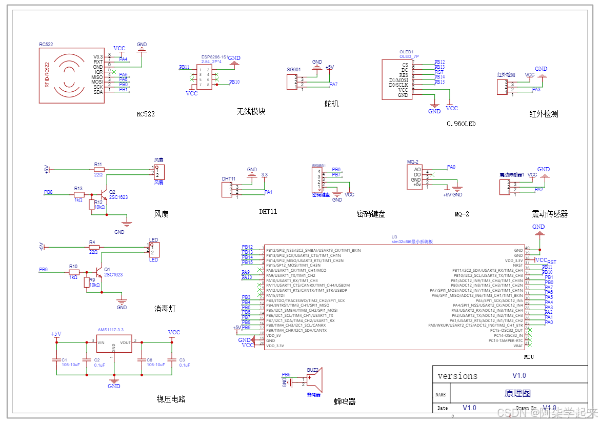
一 连线图

1 原理图

2 PCB效果

3 实物效果

4 APP效果

5 功能概括

(1)硬件端

(2)APP端

(3)云平台使用

(4)演示视频

二 底层代码使用方式

1 使用说明

2 下载程序

三 APP使用方式

1下载APP

四 程序架构及修改(通用)


前言

本系统基于STM32F103C8T6作为主控,整合了0.96寸OLED显示屏、4×4矩阵键盘、RFID读卡器舵机温湿度传感器烟雾传感器红外传感器、风扇、蜂鸣器、消毒灯及震动传感器,实现了密码开锁、刷卡开门、环境监测与自动调节(如湿度超标自动开启风扇)、异常报警(蜂鸣器配合烟雾或持续震动触发)以及定时/手动消毒等硬件端功能;同时通过MQTT协议连接云平台,配套APP提供用户与管理员双权限登录界面,支持手机一键开锁、密码开锁、RFID卡绑定与刷卡开门,并可查看环境数据及开锁记录,管理员具备远程禁用用户权限的能力,系统在多次认证失败或设备异常时主动报警,从而构建出一套具备本地智能控制与远程管理能力的智能家庭储物柜方案。


关注微信公众号--星之援工作室 发送关键字(项目清单)
可获取项目清单资料

➡️➡️


⚠️⚠️(本文章仅提供思路和实现方法,并不包含代码,需要代码的同学请自行联系博主)

⚠️⚠️(有疑问或需要定制或者技术支持等,也请自行联系博主)⚠️⚠️


一 连线图

1 原理图

2. 开发板本身自带一个LED ,这个LED作为我们查看网络连接状态和获取数据状态的说明

(1)首先需要打开我们的WIFI热点让设备进行联网操作,看到显示数据界面,即可进行下一步功能测试

(2)硬件每隔几秒会向APP传输一次数据。

热点名字:NET密码:12345678,请使用2.4GHZ频率的无线网。

2 PCB效果

3 实物效果

4 APP效果

5 功能概括

(1)硬件端

  1. STM32F103C8T6:用于所有程序的中控和模块数据通信
  2. 0.96寸OLDE:用于显示当前设备状态;
  3. 4X4矩阵键盘:使用键盘进行密码开锁功能,以及实现模式的选择和切换;
  4. RFID读卡器:实现刷卡开门
  5. 舵机:实现开关门;
  6. 温湿度传感器:检测环境的温湿度数据
  7. 烟雾传感器:检测环境的烟雾浓度
  8. 红外传感器:用于检测门是否关闭
  9. 风扇:若检测到湿度过高 可以自动开启,也可以手动一键开启
  10. 蜂鸣器:检测到异常状态,自动报警
  11. 消毒灯:可以设置定时消毒(倒计时实现),也可以手动一键消毒
  12. 震动传感器:若设备持续1S震动状态,模块或自动发出蜂鸣器报警,持续10s没有监测到震动,自动关闭

(2)APP端

  1. 使用MQTT协议与设备进行信息交互;
  2. 可采集到底层设备数据并且展示到界面UI中;
  3. 两个权限登录系统,用户,管理员,管理员可以一键禁用用户权限。
  4. 用户可以使用app可通过密码啊或者手机一键开锁;
  5. 用户可以绑定RFID卡号,使用RFID进行开锁
  6. 可以记录用户的开锁记录
  7. 当多次认证识别或者设备处于异常状态时,设备会进行报警处理

(3)云平台使用

只是链接各个设备使用,采用MQTT即时通讯;

(4)演示视频

通过网盘分享的文件:179.1.智能家庭储物柜+RFID+密码-WiFi.mp4

链接: https://pan.baidu.com/s/1C1G2OAWhXAu8d3eyN5ycog?pwd=XZY0 提取码: XZY0

--来自百度网盘超级会员v7的分享

二 底层代码使用方式

1 使用说明

(1). 使用的时候设备会自动连接WIFI

热点名字:NET密码:12345678,请使用2.4GHZ频率的无线网。

(多看视频,视频中有完整功能演示)

(多看视频,视频中有完整功能演示)

(多看视频,视频中有完整功能演示)

2 下载程序

  1. 先根据原理图进行连线,连接好以后在做后面的操作
  2. 打开手机热点 热点名字:NET密码:12345678
  3. 打开程序(硬件由工作室出的可以忽略下载程序这部分)

三 APP使用方式

1下载APP

(1)操作方式:

使用Android手机安装APK进行操控

安装Android studio导入项目使用模拟器

官网下载最新版本

https://developer.android.google.cn/studio?hl=zh-cn

安装包(工作室使用版本)链接:

https://pan.baidu.com/s/1DnRGWeJt7XBTmzqHj1KRSQ?pwd=xzy0

提取码:xzy0

安装教程

https://zhuanlan.zhihu.com/p/528196912

(2)使用说明

打开APP后设备会自动订阅MQTT主题,等待1-5秒APP会自动获取到设备上的数据,若5秒内没有获取到设备数据,则请检测设备是否在线,若在线,则请重新打开APP进行数据的获取

(多看视频,视频中有完整功能演示)

(多看视频,视频中有完整功能演示)

(多看视频,视频中有完整功能演示)

四 程序架构及修改(通用)

链接:

https://pan.baidu.com/s/1TZkvdEOp-ERgi-2A1o-KWw?pwd=XZY0

提取码:XZY0

APP参数修改

联系方式 微信号:13648103287

相关推荐