扫码加入

  • 资料介绍
  • 在线预览
  • 相关推荐
申请入驻 产业图谱

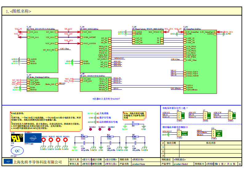
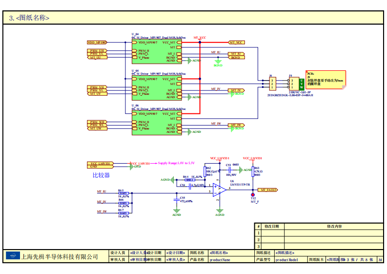
先楫HPM5E00系列 电机驱动板原理图

2025/06/26
2665
加入交流群
扫码加入
获取工程师必备礼包
参与热点资讯讨论

先楫HPM5E00系列 电机驱动板原理图

3.20 MB

先楫半导体HPM5E00 MCU开发板,32位RISC-V内核聚焦EtherCAT运动控制

    • 硬核高算力:主频480 MHz,性能超过 2712 CoreMark™ 和1368 DMIPS。
    • 实时以太网:德国倍福公司正式授权EtherCAT 从站控制器,支持多达 3 个端口; 1000Mbps 以太网 MAC 控制器。
    • 增强运动控制系统:2 个 8 通道增强型 PWM 控制器,PWM 调制精度高达 100ps。
    • 高效电源系统设计,灵活支持各种低功耗模式。
    • 丰富外设,集成多种通讯接口、Σ∆ 数字滤波 ,及2个2MSPS 16 位高精度 ADC等。
    • 提供全面的开发资源支持,软件生态支持完善。

配置简介

HPM5E00EVK提供双百兆网口,实现ESC功能,提供RGMII千兆网口,CAN接口,sigma-delta 转换接口,EUI接口,OWR接口,HS USB接口以及标准的电机接口,可以适配先楫的电机驱动板。同时HPM5E00EVK带有PPI插槽,方便用户实现各类总线接口,并默认提供PPI子板,其具有SRAM和ESC功能。此外,还提供树莓派部分接口以及板载的调试接口,可以方便用户进行调试,同时也提供标准的JTAG接口供用户选择。

 

相关开发板试用:【RISC-V】先楫半导体HPM5E00 MCU开发板评测试用

在线预览

相关推荐