|
|
|
多维科技 TMR 磁开关传感器以低功耗 (1~2μA)、高频响应 (> 5000Hz)、可编程开关点和优异的温度特性,受到多家头部厂商青睐。作为工业自动化、消费电子、智能表计等领域的核心元件之一,其选型直接影响系统性能与可靠性。因此,TMR 磁开关传感器在选型的过程中需要综合考虑磁路设计、敏感方向、芯片特性、环境适应性以及磁体等多方面因素。本文首先破除工程师的两大认知误区,再从 TMR 磁开关传感器的基础特性入手,逐一讲述,为工程师提供详细的选型攻略。 |
| 认知误区一:霍尔传感器 = 磁传感器 |
|
在进行磁传感器选型沟通的过程中,发现会有将霍尔传感器和磁传感器混为一谈的情况。 磁传感器是一种能够检测磁场 (包括其强度、方向和变化) 并将其转换为可用电信号 (通常是电压、电流或数字信号) 的电子器件,主要包括传统的霍尔传感器和高性能隧道磁电阻传感器两大类。霍尔传感器是第一代磁传感器,在不断发展的磁传感器技术进程中,磁阻型传感器已从第二代 AMR (各向异性磁阻) 传感器,发展到第三代 GMR (巨磁电阻) 传感器和第四代 TMR (隧道磁电阻) 传感器。霍尔传感器和磁电阻传感器在物理效应、材料结构、性能特性和应用场景上都有着较大的差异。 |
|
|
| 认知误区二:磁感应方向 = Z 轴敏感 |
|
在 TMR 磁开关传感器芯片的应用中,有反馈在使用后出现“信号无感应”的情况,经多维科技现场应用工程师排查发现,项目上磁铁和磁传感器的位置摆放,是按传统霍尔开关传感器的应用方案设计的。 通常情况下,霍尔效应是利用在电流平面施加垂直磁场,从而感应出电动势。所以霍尔传感器在应用时,磁场的敏感方向要垂直于器件封装表面 (Z 轴感应)。磁阻传感器的原理特性是只能感应在自由层平面内方向磁场变化。所以 TMR 磁开关传感器芯片在应用时,磁场的敏感方向要平行于器件封装表面。 |
|
霍尔开关 (左) & TMR 磁开关传感器 (右) 敏感方向示意图 |
|
随着技术工艺的不断发展,霍尔传感器也有实现水平感应的。同时,多维科技也有实现Z轴感应的 TMR 磁开关传感器。因此,在做应用方案设计时需清楚了解磁传感器的感应方向。 |
|
TMR 磁开关传感器选型
|
| 1、单极型 |
|
多维科技 TMR11xx 系列产品 单极型 TMR 磁开关传感器是只对 N 极或 S 极其中的一个极性的磁场信号敏感,开关状态随着磁场的强弱的变化而变化。 触发条件:磁场强度 ≥ 触发阈值 (如 +30Gs),且仅对设定极性敏感 输出特性:磁场存在时输出高/低电平,磁场消失后恢复初始状态 典型应用:用于计数检测、液位检测、唤醒检测、到位检测、感应检测等 设计建议:针对磁场环境复杂,对信号质量要求高、通常作为另一个磁场磁极的屏蔽设计,在磁铁装配过程中需要对磁铁磁极方向有管控 |
单极型 TMR 磁开关传感器磁场响应 |
| 2、双极锁存型 |
|
多维科技 TMR12xx 系列产品 双极锁存型 TMR 磁开关传感器是需磁场极性反转触发状态切换,输出信号在磁场移除后仍保持锁定。 触发条件:磁场极性方向发生反转并且磁场达到触发阈值 输出特性:输出状态在磁场极性反转时切换,零磁场时维持上一时刻状态 抗干扰优势:因需极性反转,可有效抑制外部恒定磁场干扰 典型应用:流量检测、转速检测、计量检测 设计建议:通常应用在磁铁周期型旋转或者往复运动的场景 |
|
双极锁存型 TMR 磁开关传感器磁场响应 |
| 3、全极型 |
|
多维科技 TMR13xx 系列产品 全极型 TMR 磁开关传感器是对 N 和 S 极方向的磁场都敏感,输出信号随着磁场的强弱的变化而变化。 触发条件:磁场强度绝对值 ≥ 阈值 (如 ±25Gs),极性不敏感 输出特性:磁场存在即触发,消失后复位,适用于简单存在检测 设计优势:无需区分磁极方向,简化安装校准流程 典型应用:到位检测、液位检测、计数检测、接近检测等 设计建议:磁场环境较为良好,周边无剩磁,对感应磁铁的安装方向一般不做区分 |
|
全级型 TMR 磁开关传感器磁场响应 |
| 4、磁场感应方向 |
|
磁传感器本身具有磁场敏感方向,理想状态下 TMR 磁开关传感器的敏感方向和被检测磁场的方向是一个平行关系,在实际应用中由于磁场一个闭环路径传播的特点,磁场在每个位置的方向的偏角都不一样,磁传感器感应到的有效磁场信号等于 B×cosθ (B 为传感器位置点的实际磁场大小,θ 为传感器感应点实际磁场方向和传感器的敏感方向的夹角),为了实现有效磁场的最大化,需要将 θ 设计的尽量小。 |
|
磁传感器有效感应方向 θ 角示意图 |
| 多维科技典型的单轴和双轴 TMR 磁开关传感器敏感方向,如图所示: |
|
|
| 典型的 TMR 磁开关传感器应用检测方向原理,如图所示: |
|
液位检测应用磁路示意图 |
|
门磁开关应用磁路示意图 |
| 5、磁特性 |
|
工作点 BOP:在磁开关信号处于磁场待响应状态下:随着磁场增大,存在一个磁场阈值点使得磁开关触发动作响应信号,此时的这个磁场阈值点称为 BOP。 释放点 BRP:在磁开关信号处于磁场响应状态下:随着磁场的变小,存在一个磁场阈值点使得磁开关信号得以释放,此时的这个磁场阈值点称为 BRP。 回差 BH:BOP 和 BRP 在磁场数值上不是一个重合的关系,BOP 和 BRP 之间的磁场差值为 BH。 |
|
磁特性曲线 |
| 6、功耗 |
|
低功耗是多维科技 TMR 磁开关传感器芯片的优异特性之一,在全时供电的情况下可以保持在 2 微安以下的电流消耗,在某些对功耗要求更严苛的应用场景中,可以通过分时供电使得 TMR 磁开关传感器的平均功耗保持在 200 纳安以下。 |
| 7、响应频率 |
|
响应频率是传感器可检测的磁场变化频率,反映其对动态磁场的实时响应能力。多维科技 TMR 磁开关传感器芯片有提供 >1kHz 的典型响应频率,同时也有支持高频 >5kHz 响应频率的芯片。 多维科技常规产品型号说明: |
|
|
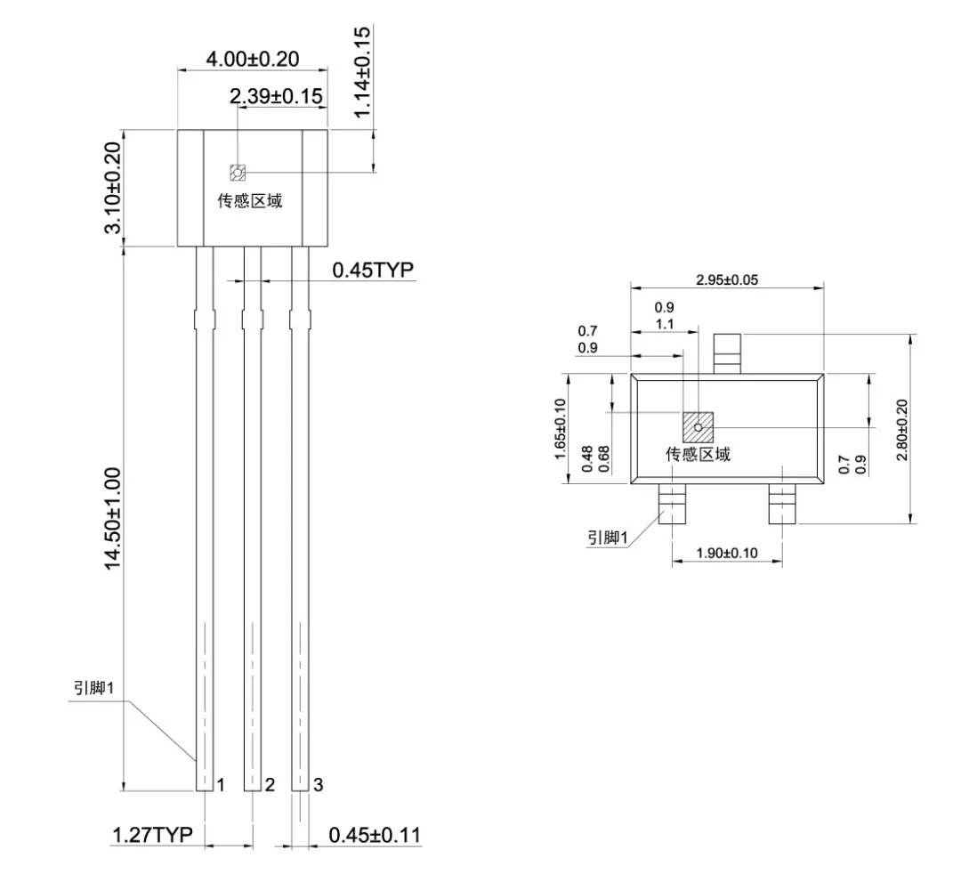
| 8、封装 |
|
多维科技 TMR 磁开关传感器芯片为了满足不同市场应用需求的特点,推出了多款封装类型,如:SOT23-3、TO92S、LGA3L、DFN4L 等,工程师在进行产品选型时可以通过多维科技官网 (www.dowaytech.com) 发布的产品规格书中了解到每款产品封装的引脚定义,以及在封装图中查看 TMR 传感区域在封装体中的位置。 |
|
|
| 9、输出方式 |
|
多维科技 TMR 磁开关传感器芯片提供两种输出方式,一种是 CMOS (推挽输出),另一种是 Open Drain (开漏输出)。CMOS 主要应用在对单个传感器信号采集,Open Drain 主要应用在多个传感器信号的串并联上。 |
| 10、工作温度 |
|
多维科技 TMR 磁开关传感器芯片典型支持温度为 -40°-125°,也有可支持高温 -40°-150°的 TMR 磁开关传感器芯片。 |
| 11、常见磁体牌号及参数 |
|
多维科技 TMR 磁开关传感器芯片在实际应用场景下常用的磁体主要有四大类:包括钕铁硼 (NdFeB)、铁氧体 (Ferrite)、铝镍钴 (AlNiCo) 和钐钴 (SmCo) 。 |
| 11.1. 钕铁硼 (NdFeB) |
| 特点:高磁能积、高矫顽力,但耐温性和耐腐蚀性较差 (通常需镀层保护)
钕铁硼 (NdFeB) 特性参数: |
|
|
| 11.2. 铁氧体 (Ferrite) |
| 特点:价格低、耐腐蚀、耐高温,但磁能积和剩磁较低
铁氧体 (Ferrite) 特性参数: |
|
|
| 11.3. 钐钴 (SmCo) |
| 特点:高耐温性、耐腐蚀,成本高
钐钴 (SmCo) 特性参数: |
|
|
| 11.4. 铝镍钴 (AlNiCo) |
| 特点:低矫顽力、高剩磁,耐高温但易退磁
铝镍钴 (AlNiCo) 特性参数: |
|
|
| 11.5. 磁体关键参数说明 |
| 剩磁 (Br):磁铁充磁后在外磁场为零时的磁感应强度
矫顽力 (HcB):抵抗退磁的能力,值越高越不易退磁 内禀矫顽力 (HcJ):衡量磁铁抗高温退磁的能力 (尤其对钕铁硼重要) 最大磁能积 (BHmax):磁体存储磁能的能力,值越高磁性能越强 |
| 11.6. 磁体选型建议 |
| 高性价比:铁氧体 (Y30/Y35)
最强磁性:钕铁硼 (N52/N42EH) 高温环境:钐钴 (Sm2Co17) 或钕铁硼高温系列 (UH/EH) 防腐蚀:钐钴或镀层钕铁硼 (如镀镍、环氧树脂) |
| 12、磁路仿真:磁场分布的可视化验证 |
|
磁路仿真是现代磁传感器应用设计的核心技术,通过数值模拟精准预测磁场分布、优化结构参数并验证抗干扰能力,大幅缩短研发周期并降低试错成本。 多维科技可根据客户需求,提供定制化的磁场仿真支持,进行磁场模型设计,磁场仿真输出,磁铁参数输出,协助客户确定磁铁尺寸、磁铁牌号以及充磁方向,优化磁铁体积,推荐应用方案,进一步提升降本空间,缩短客户项目开发周期。 |
|
典型磁路仿真图 |
|
TMR 磁开关传感器芯片选型并非孤立环节,而是贯穿从需求分析到量产落地的系统工程。工程师需通过在定义应用场景与性能指标 (功耗、开关点、响应频率等) 后,进行磁传感器与磁体材料筛选,再通过仿真验证磁路设计,优化布局与屏蔽方案。随着多维科技 TMR 芯片技术和晶圆量产工艺的成熟,工程师可更灵活平衡性能与成本,结合设计需求选择合适的 TMR 磁开关传感器芯片。 |
|
江苏多维科技倾力打造的磁传感器晶圆 IDM 模式制造平台,经过十多年不断地累积,高度整合了供应链资源,在满足客户的批量采购需求的同时,最大程度地保障供应产品的质量一致性及稳定性。多维科技为满足客户多元化的定制需要,将努力提供更多、更好的优质磁传感器芯片产品。 |
|
|
745

磁传感器技术发展趋势




TMR 磁开关传感器敏感方向示意图



TO92S (左)、SOT23-3 (右) 封装俯视图





