在现代自动化系统中,信号线通常直接连接现场仪表与PLC/DCS控制单元,线路分布广、干扰源复杂、雷电感应与浪涌冲击频发。一旦信号链路遭受过电压侵扰,不仅会导致采集信号失真,更可能造成控制系统误动作、仪表模块损坏甚至连带停机事故。因此,在信号系统中部署隔离型浪涌保护器(SPD)成为保障信号稳定运行的重要手段。
一、产品设计标准与合规性
DK-GL信号隔离SPD严格依据电磁兼容与低压SPD国家标准设计,满足信号系统防雷及隔离安全要求,其中包含:
GB/T 18268.1-2010《测量、控制与实验室用电设备电磁兼容性要求·通用要求》
GB/T 18802.21-2016《低压电涌保护器·电信与信号网络SPD性能要求与试验方法》
标准遵循确保产品在雷电、电磁干扰及浪涌冲击条件下仍能保持性能稳定,实现有效泄流及保护精密仪表,提高工业系统整体运行安全。
二、地凯科技信号隔离浪涌保护器产品设计原理与防护机制
DK-GL信号隔离SPD具备 "隔离 + 多级防雷"双重结构",核心功能包括:
信号隔离
通过隔离变换方式将输入信号进行隔离处理,输出电流或电压信号,实现 输入、输出、电源三端彻底隔离,避免接地电位差造成的信号漂移与误码。
多级泄流限压
内部集成多级SPD电路,可快速泄放雷电感应电涌,限制过电压进入仪表,残压低、响应快,可有效保护系统前后级设备不受损坏。
信号稳定传输
在强干扰环境下仍能保证信号线性和精度,适用于工业PLC采集回路、DCS控制信号及远程测控系统。
三、产品优势特点总结
多级防护设计,安全可靠
信号隔离 + SPD防雷一体化
全方位保护信号线路,避免感应雷破坏
泄流限压能力强,残压极低
体积轻薄、导轨式安装、运维便利
这使其特别适用于现场信号复杂、电磁干扰强及雷击高风险环境下的工业自动化系统。
四、型号参数与功能对比(选型重点)
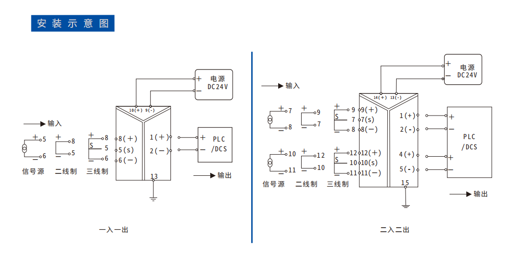
DK-GLS I11:一入一出,电流4-20mA,4芯,单路模拟量信号隔离防雷
DK-GLS I22:二入二出,电流4-20mA,6芯,双通道模拟量采集防护
DK-GLS U11:一入一出,电压0/1-5V,0-10V,4芯,电压采集与控制输出隔离
DK-GLS U22:二入三出,电压0/1-5V,0-10V,6芯,多通道电压监测与信号系统保护
选型建议:
PLC/DCS模拟量采集回路 → I系列更适合(4-20mA)
电压信号采集、变送器输出 → U系列为首选
单测点信号保护 → I11/U11
多回路控制系统/集中布线点 → I22/U22可降低成本
五、适用场景与行业应用
DK-GL信号隔离SPD特别适用于具备弱信号传输、雷电敏感及对系统稳定性要求高的场景:
工业自动化控制系统
PLC、DCS现场控制与采集信号保护,避免雷电干扰造成误动作和停机。
远程测控调度系统
水利闸控、变电站、石化集控、环保监测等长距离信号链路防雷。
仪表与传感器链路
温度、压力、液位、流量等变送器信号隔离稳压保障。
智慧能源与安防监控
多点信号系统冗余防护,降低雷击导致的设备损坏风险。
在以上场景中部署DK-GL可显著提升系统容错能力与防雷安全等级,是中大型工业设备改造与新建项目的常用防护模块。
地凯科技信号隔离浪涌保护器是自动化与仪表系统中必不可少的保护单元,特别是对于雷击频发、干扰复杂的现场环境,选择合适的信号隔离SPD可以从根本上提高信号稳定性,确保PLC/DCS安全运行。
715
