在Type-C接口全面普及与用户对便携电源“精简、高效、智能”需求的双重驱动下,电源管理芯片的设计正面临新的挑战。传统方案中分离的充放电电路、复杂的协议识别外设以及可观的静态功耗,已成为制约产品创新的瓶颈。
本文将基于泉州海川半导体推出的SM5340 TYPE-C同口充放电SOC,探讨一款高度集成的电源管理方案如何回应市场需求,并为终端设备的设计提供新的思路。
一、直面设计挑战:从多口分离到智能同口
早期移动电源多采用“Micro-USB输入、USB-A输出”的分离式设计,用户需携带不同线缆,体验割裂。随着Type-C接口的普及,“一线通用”成为可能,但实现真正的单口智能充放电(DRP,Dual-Role Port)对芯片的集成度和协议智能性提出了更高要求。
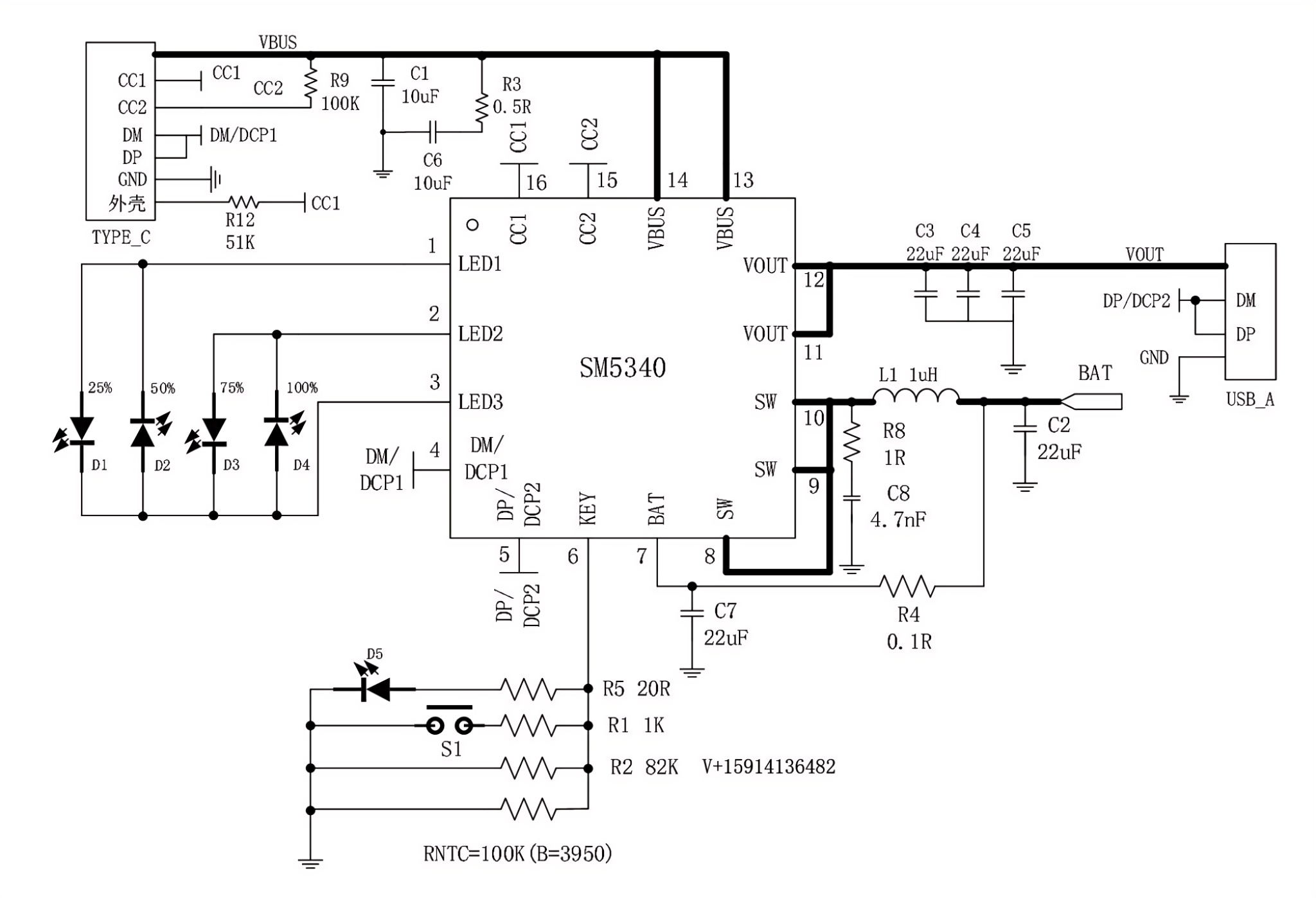
SM5340将充放电路径管理、Type-C CC逻辑控制及协议识别集成于一体。其VBUS引脚作为双向5V端口,可根据连接设备类型,自动在输入(接受充电)与输出(对外放电)模式间无缝切换。这意味着,搭载该芯片的设备,仅凭一个Type-C口即可完成所有充电场景,简化了用户操作与产品结构设计。
二、核心性能:效率与电流能力的平衡
对于移动电源而言,转换效率与输出能力直接影响用户体验和产品竞争力。
根据其技术文档,SM5340采用同步开关架构,在典型工作条件下(电池电压3.8V,输出5V/2.1A),其升压转换效率可达92%。更高的效率意味着更少的能量以热量形式耗散,有助于延长电池续航,并降低对产品散热设计的要求。
在电流能力上,该芯片支持最高2.4A的同步充电与升压放电电流,能够满足多数智能手机、平板电脑的快充需求。其充电管理支持4.2V/4.25V/4.30V/4.35V等多种浮充电压可选,可适配不同化学体系的锂离子电池。
三、智能管理与可靠性设计
除了基础的电能转换,智能化管理与全方位的保护是确保产品可靠与用户安全的关键。
动态功耗管理:芯片具备负载自动检测功能。当检测到输出端口负载电流持续低于45mA达32秒后,系统将自动关闭输出并进入待机状态,此时静态电流典型值为25μA。这一特性对于为蓝牙耳机、智能手表等小电流设备充电,或产品闲置时节约电量有实际意义。
协议兼容性:芯片内置Type-C DRP逻辑及多种DCP(专用充电端口)协议识别,包括苹果设备、三星设备及BC1.2标准。这使其能够广泛适配市面上的主流设备,并触发相应的快充模式。
综合保护机制:方案集成了包括输入过压、输出过流/短路、芯片过温等多重保护。特别集成了电池NTC检测引脚接口,可通过外接热敏电阻实时监控电池温度,实现充放电过程的高低温保护,提升系统安全性。
四、应用场景与设计弹性
基于上述特性,SM5340可适用于多种追求紧凑、高效、智能化设计的便携储能产品:
超薄型大容量移动电源:其高集成度有助于减少PCB板面积和外围元件数量,为追求轻薄化的工业设计提供空间。高效率特性则支撑了大电流快充而不过热的需求。
二合一充电设备(如带线充电宝、充电仓):单口DRP特性使其非常适合作为连接的中枢,自动识别连接方向,实现“一线充一切”的简洁体验。低负载待机功能优化了小电流充电时的效率。
需要常供电或户外使用的设备:全面的保护功能和低待机功耗,使其适用于智能家居设备的备用电源或对可靠性要求较高的户外应急电源场景。
此外,该方案提供了可配置的电量显示模式(支持1-4颗LED)、可编程的按键操作逻辑以及通过MCU读取芯片状态的接口,为产品差异化设计留出了弹性空间。
总结
SM5340代表了一类高度集成化的移动电源SOC发展趋势:通过将充放电管理、协议识别、智能控制与保护电路深度融合,在显著降低系统复杂性与BOM成本的同时,实现了用户体验的实质性提升。其围绕Type-C同口、高效转换、智能待机与安全保护的设计,为开发面向市场的下一代便携电源产品,提供了一个经过整合的参考解决思路。
注:本文内容基于SM5340公开规格书V1.06版本进行分析,具体设计应以官方最新技术文档为准。
1971
