扫码加入

  • 正文
  • 相关推荐
申请入驻 产业图谱

FP5207升压DCDC替代芯片CS5717:引脚兼容,可直接替代

03/05 14:42
296
加入交流群
扫码加入
获取工程师必备礼包
参与热点资讯讨论

CS5717E异步升压DC-DC控制器,凭借出色的硬件兼容性与性能匹配度,可完美兼容替代FP5207,为各类升压电源设计提供高性价比、高灵活度的国产化方案选择,有效解决进口器件供货周期长、成本高的行业痛点。

芯片支持2.7V~36V超宽工作电压输入,完美适配单节锂电池供电场景,可广泛覆盖手持便携设备、LCD显示器充电器移动电源等主流应用领域。芯片内置专用栅极驱动引脚,可直接驱动外部NMOS,采用电流模式控制架构搭配外置补偿网络设计,让系统稳定调节更简便灵活;开关频率可通过外部电阻在100KHz至1MHz范围内自由编程,电感峰值电流限值也可通过外接电阻灵活配置,充分适配不同工况的电源设计需求。

CS5717E具备±1%的超高精度反馈基准电压,同时集成输入欠压、开关管过流、芯片过温等全套可靠防护机制,关断电源电流低至3.5μA,轻载工况下可自动切换至跳周模式降低开关损耗,兼顾低功耗表现与工作稳定性。芯片采用ESOP8L封装,硬件引脚与外围设计可无缝适配FP5207原有方案,大幅缩短客户产品研发与替换周期,降低方案改造成本。

一 、CS5717的特性

2.7V~36V输入电压范围

100KHz至1MHz的可调频率

±1%反馈基准电压

3.5μA关断电源电流

开关管过流保护OCP

输入欠压保护UVP

过温保护OTP

二 、CS5717的应用信息

1 、典型应用图

2 、引脚排列及定义

3 、功能框图

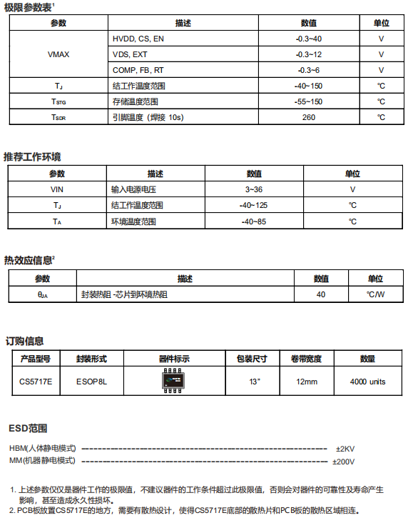
4 、基础参数

相关推荐