扫码加入

  • 正文
  • 相关推荐
申请入驻 产业图谱

工业信号“翻译官”:客益微GP9312 多模APC信号转换器

03/05 13:55
273
加入交流群
扫码加入
获取工程师必备礼包
参与热点资讯讨论

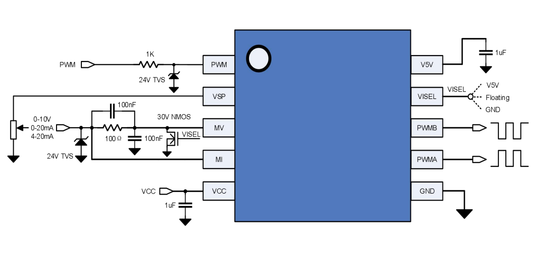
工业控制、楼宇自控、暖通空调(HVAC)等广泛领域,我们常会面对一个“多协议、多标准”的现场信号世界。一个系统可能同时需要处理0-10V的电压信号、4-20mA的电流环信号,甚至是PWM脉宽调制数字信号,而主控系统(如MCUDSP)则更习惯通过PWM进行信息处理。如何将各种工业标准信号,统一、高精度地“翻译”为MCU可识别的PWM占空比客益微GP9312 APC芯片正是为解决这一难题而生的高性能、多合一模拟信号转换方案。

一、 GP9312是什么?

GP9312是一款多功能模拟信号转PWM转换器(Analog to PWM Converter, APC)。您可以把它看作一位精通多种工业语言的“翻译官”,它能将三种最常见的模拟输入信号,线性地转换为标准的PWM信号输出。

支持的输入信号

模拟电压:0V 至 10V。

模拟电流:0-20mA 或 4-20mA。

数字信号:频率范围10Hz至200KHz的PWM信号。

电位器:配合芯片内置的10.5V基准电压(VSP),可直接连接电位器进行调速。

输出信号:占空比为0%至100%的PWM信号。输出频率固定为100Hz或500Hz(可根据需求定制)。

这颗芯片极大地简化了传感器信号调理、PLC模拟输入接口、变频器调速接口等电路的设计,无需复杂的多路ADC电路,即可将模拟世界无缝接入数字控制核心。

二、 GP9312的核心优势与特性

选择GP9312,意味着选择了一种高集成、高精度、高可靠性的信号转换方案:

多合一输入,一键切换

三态输入选择:通过一个简单的VISEL引脚,即可在电压输入(VISEL接GND)、电流输入(VISEL接5V)、PWM输入(VISEL浮空)三种模式间轻松切换,一颗芯片满足多种应用场景,设计灵活性极强。

卓越的转换精度

线性度:输出PWM占空比与输入信号呈极佳的线性关系,线性度误差小于0.2%,确保信号转换不失真,控制精准无误。

高频率精度:输出PWM频率(100Hz/500Hz)的误差小于±5%,信号周期稳定,便于MCU准确捕获。

工业级鲁棒性与便利性

电源电压:支持10.8V 至 32V的单电源供电,兼容常见的12V、24V工业电源。

宽工作温度:可在-40°C 至 125°C的严苛工业环境下稳定工作,适应性强。

内置基准电压:提供一路10.5V/10mA的VSP输出,可直接为外部电位器供电,简化电位器调速电路设计。同时提供一路5V LDO输出,可驱动外部光耦

互补输出:提供PWMA和PWMB两路互补的PWM输出,便于驱动不同逻辑电平要求的后端电路。

灵活的末端处理机制

支持三种不同的输出PWM曲线模式,以适应不同的系统设计逻辑:

C1C1模式:输入信号低于满量程1%时,输出占空比锁定在1%;高于99%时锁定在99%。(推荐模式)​ 此模式确保全量程内均有PWM输出,避免了MCU端PWM捕获程序的误判,设计更友好。

N模式:完全线性模式,输入0V/0mA输出0%占空比,输入10V/20mA输出100%占空比。

L1H1模式:输入低于1%时输出0%占空比,输入高于99%时输出100%占空比。

快速的响应与全面的保护

快速启动:上电后启动时间小于2ms,响应迅速。

宽PWM输入频率:在PWM输入模式下,支持10Hz至200KHz的宽输入频率范围,兼容性广泛。

全面的应用指南:数据手册提供了详尽的典型应用电路和四级端口保护方案(TVS、RC滤波、防护电阻、NMOS管),指导工程师设计出能抵御外部干扰、静电和浪涌的鲁棒性电路。

三、 典型应用场景

GP9312适用于任何需要将工业标准模拟信号转换为PWM数字信号的场合,是构建各类控制接口的“瑞士军刀”:

电机调速系统:接收来自PLC、触摸屏的0-10V或电位器调速信号,转换为PWM信号驱动变频器或直流电机驱动器

EC风机控制器:作为标准接口芯片,处理来自楼宇自控系统的0-10V或4-20mA调速指令。

模拟量采集模块:在分布式I/O模块、数据采集器中,将现场的电流/电压信号转换为PWM,再由MCU捕获计算,实现多路模拟信号的低成本采集。

工业仪表与变送器:将传感器信号处理后,通过GP9312转换为PWM信号,方便无线模块或特定协议进行传输。

四、 可靠的品质与支持

高可靠性:人体模型ESD防护达到2KV,并提供完整的极限参数和热阻参数,设计边界清晰。

灵活选型:提供100Hz/500Hz两种标准输出频率,结合C1C1、N两种末端处理模式,形成多种型号(如GP9312-F100-C1C1-MH)供选型,匹配不同应用需求。

小体积封装:采用MSOP-10封装,节省PCB空间。

完备的国产支持:客益微作为专注于模拟与混合信号芯片的国产厂商,不仅提供高性能产品,其数据手册还详细阐述了应用注意事项和防护设计,体现了严谨的工程态度和对客户的支持。

结语

客益微GP9312 APC芯片,以其多模输入、高精度转换、工业级可靠性和灵活的末端处理能力,为工程师提供了一种简洁、高效、可靠的信号转换解决方案。无论是面对纷繁复杂的现场信号,还是需要简化系统设计、提升集成度,GP9312都能成为您连接模拟前端与数字核心的得力助手,是工业自动化信号链中不可或缺的“智能翻译官”。

相关推荐