• 正文
  • 相关推荐
申请入驻 产业图谱

【技术帖】让接口不再短命:艾为C-Shielding™ Type-C智能水汽防护技术解析

04/07 17:30
255
加入交流群
扫码加入
获取工程师必备礼包
参与热点资讯讨论

随着 USB Type-C 接口在智能手机平板电脑笔记本电脑以及各类智能终端中的快速普及,Type-C 接口已经成为设备中最常使用、也是最容易受到环境影响的关键部件之一。相比传统接口,Type-C 在充电、数据传输和视频传输等方面都具备显著优势,但与此同时,其接口结构更为精密,使用场景也更加复杂。

在日常使用过程中,用户往往会在各种环境中连接设备,例如雨天、潮湿环境、运动场景甚至高温高湿地区。水汽或液体一旦进入 Type-C 接口内部,可能会改变端口电气特性,从而导致接口异常,轻则出现充电失败、通信不稳定等问题,重则可能引发短路甚至接口损坏。

一、行业痛点&艾为方案

针对这一行业普遍存在的痛点,艾为提出了一套面向 Type-C 接口可靠性的智能防护技术体系—— C-Shielding™ 技术

其中 C-Shielding中的 “C” 代表 Connect Compact,寓意通过紧凑而高效的接口检测与保护机制,为 Type-C 接口构建一层 坚固可靠的防护盾(Shielding)。通过智能检测接口环境变化并进行主动防护,C-Shielding™ 技术能够显著提升 Type-C 接口在复杂环境下的稳定性与可靠性。

水汽检测芯片通过实时检测端口电气特性变化,判断是否存在潮湿或液体侵入事件。常见检测机制包括:

静态阻抗检测:

采集端口引脚等效阻抗,当接口中出现水汽时,电极间阻抗下降,该方案通常采用ADC电路采样待检测端口的静态等效阻抗并交与系统层面判别阻抗异常,从而判别进水行为;

动态容抗分析:

利用端口对AC检测信号的反馈来推断引脚的容抗变化,该方案通过动态分析待测端口容抗变化来甄别水汽入侵。

二、艾为方案

艾为电子针对不同应用场景推出两条技术路径的水汽检测解决方案:

方案一 : AW35615基于PD PHY的CC端口解决方案

艾为第二代的PD PHY芯片充分考虑到了目前客户界面普遍存在的两大痛点:DRP模式下的电腐蚀问题和进水检测。

端口的电腐蚀问题在手机、平板、笔电等DRP (既充电又放电) 应用场景中普遍存在,一方面是因为DRP端口需要检测Source or Sink设备插入,需要让自己工作在toggle状态,那么根据Type-c协议规定,端口的CC 引脚上面会周期性存在下表中的一种电流,而这种反复的电荷迁移将会带来电腐蚀问题,且叠加水汽入侵的话腐蚀速度会愈加严重。

表1 各挡位=>各档位

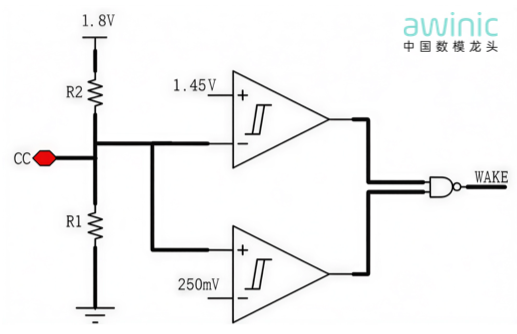
在此背景下,艾为的AW35615系列芯片引入Wake mode,实现了无需toggle即可以判断设备插入的技术(同时降低芯片静态功耗),客户可以配置芯片进入Wake mode,当有外部设备插入端口后,系统读到Wake mode中断再打开toggle mode来进一步判断插入设备的类型,其实现方式可以简化为:

图1 Wake mode 示意图

当用户配置芯片进入Wake mode后,将会使能内部兆欧级上/下拉电阻,从而用nA级别电流将端口CC引脚维持在0.9V左右电压,这将极大减缓端口的电腐蚀速度。而当设备插入或者水汽入侵后,将会打破这里的电压平衡进而发出WAKE中断,进入水汽检测和toggle状态。

艾为的PD PHY系列芯片内部集成拥有专利保护的硬件水汽检测电路,并将其融入到toggle过程中,其原理结合下图解释:

图2 CC PIN Toggle 示意图

图3 水汽入侵后CC pin波形分析模型图

可以看到在水汽入侵之后CC端口电平因寄生的低通滤波器存在,上升沿将变得异常缓慢,通过设置目标CC pin VOL电平及到达目标电平所需时间等参数,即可实现对水汽入侵检测灵敏度的灵活控制。其典型应用框图如下所示:

图4 AW35615 典型应用框图

其主要参数为:

支持 USB PD 3.1  28V EPR
更优秀的眼图
CC引脚最高耐压值:32V
拥有通过CTS认证的完整PD协议栈实现(适配从RTOS到Linux各平台应用)
支持1.2V   1.8V   IIC通信
支持死电池模式 ,未通电时作为SNK
内置专利保护的LPD硬件算法
支持VBUS检测与放电控制功能,可以避免VBUS电腐蚀老化损耗
支持Wake低功耗检测模式

方案二: AW35613系列基于PD Controller端口协议的解决方案

针对PD Controller应用的CC Pin ESD防护及水汽检测芯片在笔电等使用PD Controller作为端口协议解决方案的场景,艾为推出AW35613系列产品,其拥有优异的ESD及Surge防护能力并集成湿度检测功能,同时亦兼顾到端口因长期处于toggle状态而产生的电腐蚀问题。其实现原理简化如下:

图5  AW35613 水汽检测原理展示

当端口被配置为DRP 模式后,AW35613将会持续监测连接到PD Controller端的CC端口电平,并关闭MPASS管,使用芯片内部2μA左右电流镜作用于端口CC pin,进而达到探测设备插入事件的作用。

同时这将极大降低toggle状态下的端口电腐蚀速度,当端口电压变化时,芯片内部的monitor逻辑电路将会通过内置的时序逻辑去探测CC端口的等效AC下阻/容抗,进而识别是正常的设备插入还是水汽入侵,并选择打开MPASS进行后续的协议沟通还是给出NFLT指示,告知系统进水事件。AW35615的典型应用框图如下:

图6  AW35613 典型应用框图

其主要参数为:

C_CC1/2 最高耐压 32V
IEC61000-4-2 ESD 等级: 接触±8kV空气±15kV
IEC61000-4-5 浪涌能力:  ±60V
CC1/2 拥有600mA的过电流能力
支持死电池模式
支持水汽检测
CC Ron 小于0.3Ω
C_CC OVP 阈值 5.8V
-3dB 带宽160MHz

三、系统设计与优化要点

在整机设计中,水汽检测芯片通常与 AP控制器、PD Controller、OVP 芯片、MOSFET 等器件协同工作。

相关推荐

登录即可解锁
  • 海量技术文章
  • 设计资源下载
  • 产业链客户资源
  • 写文章/发需求
立即登录

上海艾为电子技术股份有限公司创立于2008年6月,专注于高性能数模混合信号、电源管理、信号链等IC设计,于2021年8月, 在上海证券交易所科创板成功上市,股票代码为688798。艾为电子累计拥有42种产品子类、产品型号总计超1300余款,产品的性能和品质已达到业内领先水平。公司产品广泛应用于消费电子、工业互联、汽车等市场领域。

微信公众号