本文属于德州仪器“电源设计小贴士”系列技术文章,将聚焦于反激式转换器设计,主要讨论 53VDC 至 12V/5A连续导通模式 (CCM) 反激式转换器的一些关键设计注意事项。
反激式转换器有诸多优点,例如,它是成本超低的隔离式电源转换器,能够轻松提供多种输出电压,并且它是简单的初级侧控制器,功率输出高达 300W。反激式转换器广泛用于从电视到手机充电器等许多离线应用,以及电信和工业应用。它们的基本操作可能会让人望而生畏,设计选择也很多,尤其是对于那些从未进行过设计的人而言。我们来看看 53VDC 至 12V/5A 连续导通模式 (CCM) 反激式转换器的一些关键设计注意事项。
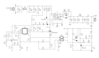
图 1 展示了工作频率为 250kHz 的 60W 反激式转换器的详细原理图。当 FET Q2 导通时,输入电压施加在变压器的初级绕组上。此时,绕组中的电流会逐渐增大,从而将能量储存在变压器中。由于输出整流器 D1 反向偏置,流向输出端的电流被阻断。当 Q2 关断时,初级电流中断,迫使绕组的电压极性反转。此时电流从次级绕组流出,使绕组电压极性反转,且点电压为正。D1 导通,向输出负载输送电流并对输出电容器充电。

图 1. 60W CCM 反激式转换器原理图
可以添加额外的变压器绕组,甚至将其堆叠在其他绕组上,以获得额外的输出。但是,添加的输出越多,稳压效果就越差。这是因为绕组与磁芯之间的磁通链(耦合)不理想,并且绕组之间存在物理分离,因此会产生漏电感。漏电感充当与初级绕组和输出绕组串联的杂散电感。这会在绕组串联处产生意外压降,从而导致降低输出电压调节精度。一般经验法则是,在交叉负载情况下,使用绕线正确的变压器,非稳压输出会有 +/-5% 至 10% 的变化。此外,通过峰值检测漏电引起的电压尖峰,重负载稳压输出会导致空载次级输出电压大幅升高。在这种情况下,预载或软钳位有助于限制电压。
连续导通模式 (CCM) 和不连续导通模式 (DCM) 运行各有优点。根据定义,当输出整流器电流在下一个周期开始前降至 0A 时,就会在 DCM 下运行。DCM 运行的优点包括:初级电感较低,通常可减小电源变压器的体积;消除整流器的反向恢复损耗和 FET 导通损耗;无右半平面零点。然而,与 CCM 相比,初级和次级的峰值电流更高,输入和输出电容增大,电磁干扰 (EMI) 增加,轻负载时的占空比降低,从而抵消了这些优点。

图 2. CCM 和 DCM 反激式 FET 及整流器电流的比较
图 2 说明了 Q2 和 D1 中的电流在最小 VIN 时的变化情况,以及 CCM 和 DCM 中的负载从最大值降至约 25%。在 CCM 下,当输入电压固定且负载处于最大和最小设计电平(约 25%)之间时,占空比保持不变。电流“基底”电平会随着负载的减少而降低,直至达到 DCM,此时占空比会降低。在 DCM 下,仅在最小 VIN 和最大负载时才会出现最大占空比。占空比会随着输入电压的升高或负载的减少而降低。
会使高压线路和最小负载时的占空比很小,因此请确保您的控制器可以在此最短导通时间内正常运行。整流器电流达到 0A 后,当占空比低于 50% 时,DCM 运行会引入死区时间。其特点是在 FET 漏极上产生正弦电压,并由剩余电流、寄生电容和漏电感设定,但通常是良性的。对于此设计,选择 CCM 运行是因为通过减少开关和变压器损耗可实现更高的效率。
这种设计使用初级基准 14V 偏置绕组,在 12V 输出达到稳压后为控制器供电,与直接从输入供电相比,减少了损耗。我选择了一个两级输出滤波器,以实现低纹波电压。第一级陶瓷电容器可处理来自 D1 中脉动电流的高均方根电流。其纹波电压通过滤波器 L1 和 C9/C10 得到降低,使纹波降低了约 10 倍,同时降低了 C9/C10 中的均方根电流。如果可接受较高的输出纹波电压,则无需使用电感器-电容器滤波器,但输出电容器必须能够处理全部均方根电流。
UCC3809-1 或 UCC3809-2 可直接与 U2 光耦合器连接,用于隔离型应用。在非隔离式设计中,可以省去 U2 和 U3 以及直接连接到控制器的电压反馈电阻分压器,例如带有内部误差放大器的 UCC3813-x 系列。
Q2 和 D1 上的开关电压会在变压器绕组间和元件寄生电容中产生高频共模电流。如果 EMI 电容器 C12 不提供返回路径,这些电流就会流入输入和/或输出端,从而增加噪声或可能导致运行不稳定。
Q3/R19/C18/R17 的组合通过将振荡器的电压斜坡加总到 R18 的初级电流检测电压(用于电流模式控制)来提供斜率补偿。斜率补偿可消除次谐波振荡,次谐波振荡的特点是宽占空比脉冲之后出现窄占空比脉冲。由于该转换器设计的运行占空比不超过 50%,因此我增加了斜率补偿,以降低开关抖动敏感性。但是,过大的电压斜率会将控制环路推向电压模式控制,并可能导致不稳定。最后,光耦合器从次级侧传输误差信号,以保持输出电压稳定。反馈 (FB) 信号包含电流斜坡、斜率补偿、输出误差信号和直流失调电压,用于降低过流阈值。
图 3 展示了 Q2 和 D1 的电压波形,其中展示了一些漏电感和二极管反向恢复引起的振铃。

图 3. FET 和整流器振铃由钳位和缓冲器限制 (57VIN,12V/5A)
对于需要低成本隔离式转换器的应用,反激式器件可视为标配。本设计示例介绍了 CCM 反激式设计的基本设计注意事项。
德州仪器“电源设计小贴士”系列技术文章由德州仪器专家创建并撰写,旨在深入剖析当前电源设计普遍面临的难题,并提供一系列切实可行的解决方案和创新设计思路,帮助设计人员更好应对电源设计挑战,助力设计更加高效、可靠。
1388