扫码加入

  • 正文
  • 相关推荐
申请入驻 产业图谱

CS8736:低空载电流,AM抑制,2×150W双声道D类音频功率放大器

2025/11/13
823
加入交流群
扫码加入
获取工程师必备礼包
参与热点资讯讨论

CS8736E 作为 2X150W 立体声 D 类音频功率放大器,在硬件设计中具备多重适配优势,尤其贴合高功率音频场景需求。其顶层设计散热焊盘,外接散热器后可实现 2X150W 以上持续功率输出,且在适宜电源电压下能驱动低至 2Ω 负载,搭配 EFB40 封装,为散热器件安装及 PCB 布局提供便利,额定工作温度范围覆盖 - 20℃至 85℃,适配多环境应用。

电气性能上,该芯片支持 5V~36V 宽电源电压输入,45V 耐压设计提升可靠性,92% 高效性能(PVCC=15V、PO=2X20W 条件下)降低功耗损耗;内置过流、短路、过热三重保护,过热保护触发温度 170℃,降温 20℃后可自动恢复,短路故障排除后 110ms 内自恢复,减少硬件故障风险。

设计灵活性方面,CS8736E 提供三段增益可选,AMR/AML 管脚可通过不同接地方式选择 270kHz-600kHz 开关频率以实现 AM 抑制;PCB 设计时需注意大电流路径(VIN→PVCC→GND)粗短走线、露铜加锡,供电脚就近贴 10μF 与 1μF 陶瓷电容,推荐搭配 470μF 电解电容,所有 GND 就近接大面积铜箔减小阻抗,进一步保障电路稳定性。

目前该芯片提供 EFB40 封装管装版本,适配车载音频、家庭音响系统、紧急呼叫等场景,硬件工程师可结合具体功率需求(如 VDD=34V@RL=4Ω 时 2X155W 输出)及防护设计需求,快速集成至音频方案中。

一、CS8736E的特性

输出功率(THD+N=10%)

VDD=24V@RL=4Ω 2X80W

VDD=28V@RL=4Ω  2X110W

VDD=30V@RL=4Ω 2X130W

VDD=32V@RL=4Ω 2X140W

VDD=34V@RL=4Ω 2X155W

VDD=36V@RL=8Ω 2X99W

单电源供电,宽电源电压范围:5V~36V

高可靠性设计:45V耐压设计

效率:92%@PVCC=15VPO=2X20W

三段增益可选

静音功能控制

音频系统带滤波网络,静态电流30mA@24V

多重开关频率可选:AM抑制选频功能

输出管脚方便布线布局

良好短路保护和具备自动恢复功能的温度保护

良好的失真和防噗声功能

差分输入增强型封装设计:顶层散热焊盘的特殊设计

二、CS8736E 的应用信息

1、典型应用图

2、引脚排列及定义

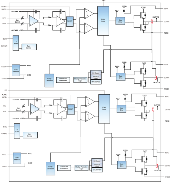
3、功能框图

4、基础参数

相关推荐