扫码加入

  • 正文
  • BOM清单
  • 相关推荐
申请入驻 产业图谱

艾德克斯IT6432 ‐电动车栅极IGBT模块测试 科瑞杰

03/04 15:40
255
加入交流群
扫码加入
获取工程师必备礼包
参与热点资讯讨论

深圳市科瑞杰科技有限公司--IGBT(Insulated Gate Bipolar Transistor)是一种复合全控型电压驱动式功率半导体器件,为世界公认的电力电子第三次技术革命的代表性产品,具有高频率,高电压,大电流,易于开关等优良性能。IGBT 模块是由IGBT 与FWD(续流二极管芯片)通过特定的电路桥接封装而成的模块化半导体产品,IGBT 模块具有节能、安装维修方便、散热稳定等特点;当前市场上销售的多为此类模块化产品。随着节能环保等理念的推进,此类产品在轨道交通、智能电网、航空航天、电动汽车新能源装备等领域应用极广。应用产品如风力发电变频器光伏逆变器、轨道交通牵引变流器、电动汽车电机控制及充放电控制等。

IGBT 芯片及模块

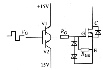
典型IGBT 的栅极驱动电路

IGBT 的端子为C:集电极、G:栅极、E:发射极,一般在G 和E 之间接入‐15V~+15V范围间电压,驱动IGBT 关导通或关断通过正负电压的交替,实现IGBT 的导通和关断控制。

电动车用IGBT 模块常用的典型型号为650V、550A 的模块,其测试项目,主要包括额定值测试、特性测试、耐久性及可靠性测试等。在额定值测试中,我们可以选用艾德克斯IT6500D、IT8900、IT6432 等设备完成测试。

1、集电极‐发射极截止电流ICES 测试

测试条件:在VCE=650V,VGE=0V,Tvj=25°C 的条件下,Ices 需要小于等于5mA。

推荐设备:IT6516D(750V/15A/1800W),IT6432

IT6500D 系列宽范围大功率直流电源,功率高达30kW,电压电流输出高达1000V、1200A,支持CVCCCW 模式下上升下降时间可调,具有高分辨率及高精度,模块化设计在大功率应用中更加稳定。

2、栅极‐发射极漏电流IGES 测试

测试条件:在VCE=0V,VGE=20V,Tvj=25°C 的条件下,测试Iges 电流。

推荐设备:IT6432

IT6432 双极性直流电源,输出为±30V、±5A,同时具有超高的电流量测精度达0.005%+0.3uA,电流显示分辨率高达100nA。

3、栅极‐发射极阈值电压VGE(th)测试

测试条件:将C 和E 之间短接,从零开始逐渐增加栅极‐发射极(GE)间的电压,当检测到集电极电流达到规定13mA,记录此时的VGE 值。

测试设备:IT6432

4、集电极‐发射极饱和电压VCE(sat)测试

测试条件:电压源对被测器件施加规定15V 电压;调节集电极‐发射极电流至规定值(Ic=550A),这时相对栅极脉冲稳定部分的集电极‐发射极电压即为集电极‐发射极饱和电压值。

实验方法:负载控制Ic=550A,IT6432 提供Vge=15V,用DVM 表量测Vce 值。

测试设备: IT6562D(80V/600A/15KW) IT6432 IT8915‐150‐960(150V/960A/15KW)

IT8900 高性能大功率直流电子负载,支持主从机并联,可将功率扩展至600kW,50kHz高速测量、25kHz 动态测试、瞬间过功率加载能力,能满足大功率大电流测试需求。

艾德克斯电子在新能源及功率电子行业有丰富的测试经验, IT6500D 系列宽范围大功率直流电源、IT8900 高性能大功率直流电子负载在大功率、高电压、大电流的场景下均有高性能稳定表现,IT6400 双极性直流电源具备双极性及双象限特性,超高的精度和分辨率是研发测试时的明星电源产品。

深圳市科瑞杰科技有限公司--专注于电子零部件测试技术产品的研发,致力成为可靠性测试技术的领先企业,公司推出的柔性多合一高动态同步测试平台及系列软硬件产品,通过对测试资源、测试知产进行全方位的数字建模,让企业自我快捷实现多场景、复合工况下的智能测试。

BOM清单

更多器件
器件型号 数量 器件厂商 器件描述 数据手册 ECAD模型 风险等级 参考价格 更多信息
IT6500D直流电源 2 ITECH/艾德克斯 未精准适配到当前器件信息,点击查询推荐元器件
IT8900电子负载 1 ITECH/艾德克斯 未精准适配到当前器件信息,点击查询推荐元器件

相关推荐

登录即可解锁
  • 海量技术文章
  • 设计资源下载
  • 产业链客户资源
  • 写文章/发需求
立即登录

深圳市科瑞杰科技有限公司成立于2010年,是一站式智能测试方案服务商,总部位于深圳市,并在香港、杭州、江苏等国内电子工业发达地区设立了分公司,为华东、华南区域客户提供优质的本地化服务。

微信公众号