扫码加入

  • 正文
  • 相关推荐
申请入驻 产业图谱

矽力杰 Silergy SY8371B 4-24V 输入 10A 输出高效同步降压稳压器 佰祥电子

04/01 10:56
259
加入交流群
扫码加入
获取工程师必备礼包
参与热点资讯讨论

笔记本与网络通信的供电神核!矽力杰 SY8371B:10A大电流与集成3.3V LDO的五大硬核突破

在高端轻薄本、智能键盘控制器以及大功率网络路由器(AP)的设计中,系统对电源提出了极为矛盾的要求:既要在满载时提供澎湃的大电流,又要在待机时为外设提供极低功耗的常供电。

为了完美化解这一主板供电难题,作为矽力杰官方合作代理商,佰祥电子本期为您重磅推介一款堪称“供电神核”的高效同步降压稳压器 —— 矽力杰 SY8371B。它不仅具备惊人的 10A 输出能力,更创新性地集成了 3.3V LDO,以五大核心优势重塑大功率降压电源的性能标杆。

一、原生适配:专为 PC 与大功率网络设备量身定制

SY8371B 是一款立足于 4V~24V 宽压环境的原生电源解决方案。无论是应对笔记本电脑内部的 2~4 串锂电池供电,还是网络通信设备的 12V 标准电源轨,它都能在极致紧凑的体积内,实现大电流主供电与小电流外设供电的完美协同。

二、五大核心亮点,直击大电流电源设计痛点

1.澎湃动力,10A大电流与超低导通阻抗

面对核心处理器不断攀升的功耗需求,SY8371B 展现出了傲视同级的驱动能力:

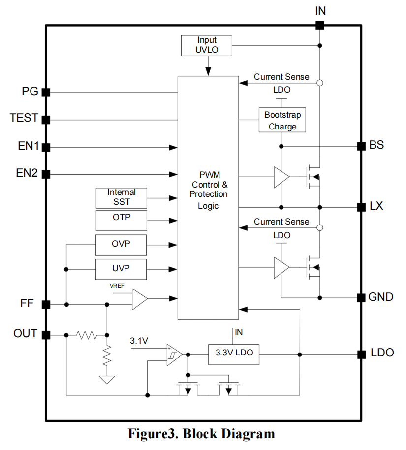
(1)强悍的内部功率管配置,上下侧 MOSFET 导通电阻分别低至惊人的 12mΩ 和 8mΩ。

(2)轻松实现高达 10A 的连续输出电流,满载运行依然游刃有余。

(3)极低的导通损耗大幅缓解了主板的散热焦虑,让设备告别过热降频。

2.创新集成,自带旁路切换的 3.3V LDO

这是 SY8371B 区别于传统降压芯片的“杀手锏”功能,专为优化系统级能效而生:

(1)芯片内部集成了一路固定的 3.3V LDO(支持 100mA 输出),可直接为笔记本键盘控制器等外设供电。

(2)支持智能旁路切换(Switch-over)功能,当主 Buck 电压就绪后,LDO 可无缝切换至降压输出端供电。

(3)这一设计极大降低了系统待机与运行时的功率损耗,并省去了一颗外置 LDO 的成本与空间。

3.独家 Instant-PWM 架构,毫秒级瞬态响应

对于算力设备而言,电压的稳定性决定了系统不宕机:

(1)采用矽力杰专有的 Instant-PWM(恒定导通时间 COT)控制技术,无需复杂的外部补偿电路

(2)在负载发生剧烈跳变时,能够提供极速的瞬态响应,有效抑制电压过冲与跌落。

(3)在重载条件下维持 600kHz 的伪恒定开关频率,完美兼容低 ESR 的陶瓷电容

4.全景级防御矩阵,彻底杜绝异常损坏

供电安全不容有失,SY8371B 为系统构建了堡垒级的保护机制:

(1)支持可编程的谷值电流限制(Valley Current Limit),防范极端过流情况。

(2)具备打嗝模式(Hic-cup)输出欠压保护(UVP)与精确的过压保护(OVP)。

(3)内置完善的软启动与过温保护(OTP),确保每一次上电与高负载运行都安然无恙。

5.极致微缩,挑战 QFN 封装的功率密度极限

在寸土寸金的高密度主板上,空间就是成本:

(1)在提供 10A 强悍输出与集成 LDO 的前提下,SY8371B 将体积极致压缩到了 3mm × 3mm 的 QFN-20 封装内。

(2)引脚布局高度优化,极大简化了 PCB 的布线难度。

(3)底部的超大面积裸露焊盘,为高密度安装提供了卓越的散热通道。

总体而言,SY8371B 绝非一款传统意义上的大电流 DC/DC 降压芯片。它通过“10A 主供电 + 100mA 智能 LDO”的创新融合结构,结合 Instant-PWM 的极速响应,为笔记本及网络设备的供电架构带来了质的飞跃,这充分印证了矽力杰在高端电源管理领域的深厚造诣。

作为矽力杰的紧密合作代理商,佰祥电子不仅为您提供稳定可靠的原装正品芯片,更将依托我们丰富的行业经验,为您提供从原理图设计、周边器件选型到后期 Debug 的全方位技术赋能,助力您的智能终端与网络设备项目加速落地。

面向高集成度电源迭代的新纪元,SY8371B 凭借澎湃输出、极致响应与独创的智能 LDO 设计,必将成为您突破空间与能效瓶颈的致胜之选。

相关推荐