• 正文
  • 相关推荐
申请入驻 产业图谱

矽力杰 Silergy SA22300 升压反激Sepic控制器 佰祥电子

04/21 16:58
196
加入交流群
扫码加入
获取工程师必备礼包
参与热点资讯讨论

导语:

激光雷达(LIDAR)电源供应、汽车12V电瓶系统以及复杂的高功率DC-DC转换器研发一线,硬件工程师常被“三大电源梦魇”死死卡住:汽车启动瞬间巨大的冷电压跌落(Cold Crank)容易导致系统复位、单一升压拓扑无法满足升降压隔离需求、以及恶劣电磁环境下MOSFET驱动力不足引发的高开关损耗。作为决定车载核心系统稳定运行的能量中枢,控制器的拓扑兼容性与车规级抗性至关重要。作为矽力杰一级代理商及华南地区最大的矽力杰代理商,佰祥电子本期将继续沿用硬核拆解视角,带您深挖这款性能极其全面的车规级全能控制器——SA22300。

图1:SA22300外驱MOSFET的多拓扑典型应用电路

一、架构重构:摒弃单一拓扑,车规级全能控制器登场

不同于只能进行简单升压的传统内置管芯片,SA22300立足于高功率与复杂电压转换需求,在极度精简的SOP8空间内实现了令人咋舌的拓扑兼容度与驱动力。这颗引擎内部高密度集成了:

(1)原生支持Boost(升压)、Flyback(反激)以及Sepic(升降压)三种复杂供电拓扑控制,赋予硬件研发极高的系统架构自由度。

(2)内置极其强悍的栅极驱动器(Gate Driver),可提供高达1.5A的峰值拉电流(Peak Gate Source Current)与1.5A的峰值灌电流(Peak Gate Sink Current),轻松驾驭大功率外置N沟道MOSFET。

(3)采用进阶版峰值电流控制策略(Peak current control strategy),并在内部硬件级固化了斜坡补偿电路(Built-in slope compensation),彻底消灭了占空比大于50%时的次谐波振荡隐患。

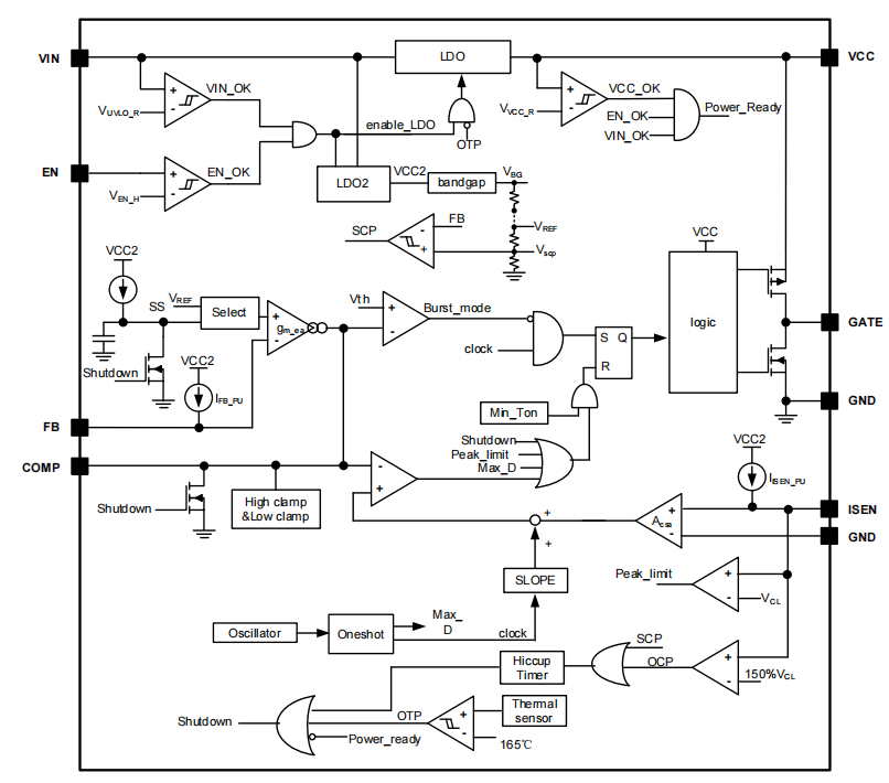
图2:SA22300原生高集成度逻辑控制架构框图

二、极限驱动:36V工业级耐受与微安级休眠

SA22300真正的恐怖之处,在于将“全能拓扑”与“极宽压差耐受”做到了极致融合,直接化解了车载电网剧烈波动与电瓶亏电痛点:

优势1:36V超宽耐压,无惧车载总线狂飙

(1)支持横跨3.45V至36V的极宽输入电压范围(Wide Input Voltage Range),完美接管乘用车12V电瓶系统,无惧抛负载(Load Dump)带来的几十伏高压尖峰浪涌。

(2)3.45V的极低启动电压下限,意味着即使在汽车寒冬冷启动(Cold Crank)导致电网电压瞬间被拉低至深渊时,芯片依然能死死咬住电网,维持后级雷达或网关的稳定供电。

(3)内置1.2V±2%的高精度基准电压源(Reference Voltage),在极端的温度骤变与压差跳变下,依然能为系统提供精准无误的反馈校准基线。

优势2:极微待机功耗与固定高频运作

(1)具备极其优秀的超低关断电流特性,典型休眠漏电流仅为1.6µA(Typical 1.6µA Shutdown Current),在车载系统熄火休眠期间,死死锁住电瓶余量,彻底根治暗电流超标顽疾。

(2)主控采用固定开关频率运行(Fixed Frequency Operation),在保障极高外置MOSFET转换效率的同时,将电磁干扰(EMI)频谱锁定在可预测区间,极大降低了车规级EMC测试的整改难度。

(3)原生内置软启动电路(Internal Soft-Start),在设备上电瞬间强制主电感电流平滑缓慢爬坡,彻底将致命的浪涌开机电流温柔化解。

图3:SA22300大电流外驱工况下的卓越转换效率曲线

三、绝对防御:AEC-Q100车规认证与发丝级防护

在高功率的Flyback反激与Sepic架构中,防御机制是核心命脉。SA22300在细腻的安全隔离与故障管理上,做到了汽车工业的标杆水准:

优势3:AEC-Q100 Grade 1认证,铸就车规级钢铁之躯

(1)毫无悬念地通过了全球最高标准的汽车电子委员会AEC-Q100 Grade 1级可靠性认证(Automotive AEC-Q100 Grade 1 Certified)。

(2)这意味着芯片完全能够从容应对-40℃至+125℃的极端环境温度考验,在引擎舱等高热、高震动恶劣工况下依然坚如磐石。

(3)集成完备的底层过温热关断保护(Thermal Shutdown)机制,结温一旦越过安全红线立即封锁栅极驱动信号,构筑起抗热失控的终极防火墙。

优势4:打嗝式双重短路保护,无懈可击的电流防线

(1)采用极其可靠的打嗝式过流保护(Hiccup-Mode Overcurrent Protection),一旦侦测到异常过载,系统自动进入周期性重启状态,故障解除后无缝恢复,完美防止外挂电感与MOSFET被持续大电流烧毁。

(2)内建专属的打嗝式短路保护(Hiccup-Mode Short-Circuit Protection)与FB反馈引脚短路保护(FB short protection),在应对复杂车载线束破损短路时,提供最果断的物理级拦截。

(3)配合微秒级响应的逐周期电流限制策略(Cycle-by-Cycle Current Limit),每一个PWM周期都在进行极速侦测,死死掐住功率级器件进入磁饱和的命门。

图4:SA22300打嗝模式(Hiccup-Mode)极速短路保护与恢复波形

优势5:成熟的SOP8高可靠封装,直击生产工艺良率

(1)采用汽车电子与工业控制领域应用最广泛、生产良率极高的SOP8贴片封装(Package: SOP8)。

(2)在保证极其精简引脚定义的同时,拥有极佳的引脚机械强度与抗弯折能力,完美契合车载主板面对剧烈长期震动时的物理应力要求。

(3)极其克制的外围管脚排布,使得大电流检测引脚(ISEN)与敏感反馈引脚(FB)在物理层面上实现了最优隔离,天生具备强悍的抗噪体质。

图5:SA22300车规级高可靠SOP8封装尺寸图

四、终端赋能:车载多拓扑应用首选与核心代理保驾护航

无论是在激光雷达的精密高压供电(LIDAR Power Supply)、汽车12V蓄电池系统的电压稳压(Automotive 12-V Battery Application),还是在要求极高的非隔离/隔离型DC-DC转换器中,SA22300都展现出了极具统治力的底层性能压制。

作为矽力杰一级代理商及华南地区最大的矽力杰代理商,佰祥电子不仅仅为您提供原装正品的SA22300全系列车规级芯片现货供应。我们更依托资深的FAE技术团队,持续为您提供从器件选型评估、Boost/Flyback/Sepic复杂拓扑架构搭建、外围MOSFET与变压器匹配、高抗扰PCB Layout设计评审到系统级Debug的全方位支持,为您的车载与工业级智能产品在极其严苛的恶劣环境中保驾护航!

相关推荐