• 方案介绍
  • 附件下载
  • BOM清单
  • 相关推荐
申请入驻 产业图谱

低成本双色温调光方案驱动芯片NU403

提供BOM
04/17 15:58
558
加入交流群
扫码加入
获取工程师必备礼包
参与热点资讯讨论

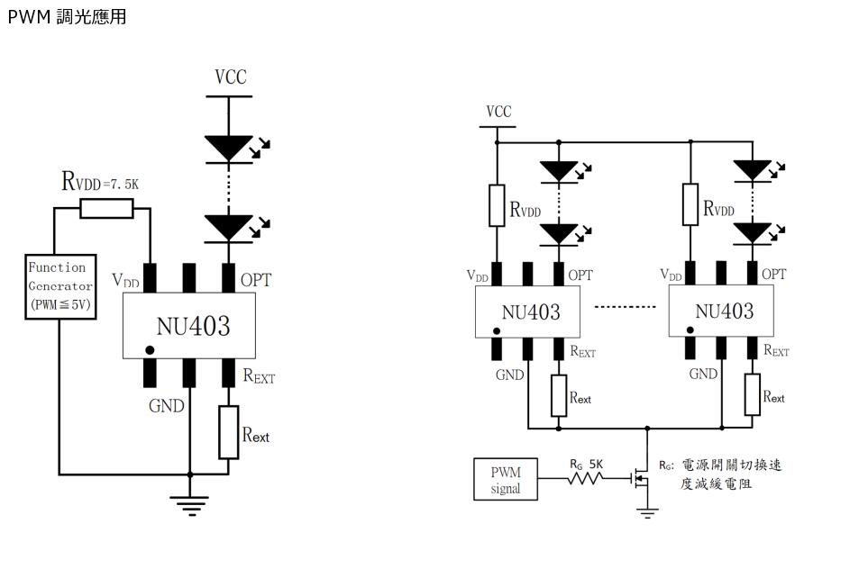
NU403恒流芯片PWM调光应用图.jpg

共2个文件

NU403恒流芯片是来自于数能科技研发的一款高性价比,超低成本, 电流外挂方便可调0-65MA任意调节,封装SOT23-6L, 内部带有过温保护功能.

NU403恒流芯片+普通调光器可变色温调光 ,面对LED灯带市场成本要求高的用户端打造的一款芯片,,LED灯带灯条20米/30米/50米长距离无压降.亮度一致.

0~  65 mA 單通道 恒電流 LED驅動IC

晶片特性
輸出電流可調⾼達0∼65mA與外部電阻
支援PWM調光
電源電壓可達40V
驅動器容易並聯以增加電流
低電壓開銷0.6V
電源電壓變化時電流精度⾼
⾼功率耗散400mW
无铅环保封装
產品說明
一般 LED 照明
LED 燈條應用
LED 模組燈
建築裝飾照明

封裝型
SOT 23-6
(產品型號: NU403)

  • NU403恒流芯片PWM调光应用图.jpg
    下载
  • 低成本LED灯恒流驱动芯片NU403 spec v01.1(1).pdf
    下载

BOM清单

更多器件
器件型号 数量 器件厂商 器件描述 数据手册 ECAD模型 风险等级 参考价格 更多信息
NU403u6052u6d41IC 3000 u6570u80fd 未精准适配到当前器件信息,点击查询推荐元器件

相关推荐