• 方案介绍
  • 相关推荐
申请入驻 产业图谱

千兆以太网防护:3 步搞定电涌威胁

04/15 16:51
301
加入交流群
扫码加入
获取工程师必备礼包
参与热点资讯讨论

雷电、设备插拔、环境静电、电机启动等场景中,可通过网线损坏交换机摄像头等设备,其中ESD(静电放电,含电缆放电事件 CDE)因发生场景高频、直接作用核心元器件,需在防护设计中重点关注。本文雷卯 EMC 小哥围绕以太网接口核心威胁,提供三层防护方案,助力千兆设备实现 “电涌 + 静电可靠防护”。

一、以太网接口面临的三类威胁

以太网接口在运行中易受多种电磁干扰影响,不同干扰的触发场景、危害形式存在差异,需针对性设防:

1. ESD(静电放电,含 CDE 电缆放电事件)

·触发场景:日常设备插拔、人员接触、环境干燥时的静电释放,以及插拔带电网线时的 CDE,后者是静电瞬间集中释放的典型形式。

·危害特点:峰值电流可达数十安,直接作用于 PHY 芯片输入级,是导致 PHY 芯片损坏的主要诱因之一;因设备操作、环境变化均可能引发,这类干扰的发生频率显著高于其他类型。

·防护标准:依据 IEC 61000-4-2 标准,户外及工业环境设备需满足 Level 4(±15kV 空气放电、±8kV 接触放电)要求,以应对各类静电场景。

2. 浪涌(Surge)

·触发场景:主要由雷击感应或电力系统故障引发,电压可达数千伏,能量密度高但发生概率较低。

·防护标准:按 IEC 61000-4-5 标准,户外设备需抵御 4kV 电压波(1.2/50μs)、2kA 电流波(8/20μs)的冲击,避免强能量损坏接口电路

3. EFT(电快速瞬变脉冲群)

·触发场景:电机、继电器等设备开关动作时产生,频率范围 5kHz-100kHz,主要干扰信号传输稳定性,直接损坏设备的概率较低。

·防护标准:IEC 61000-4-4 标准规定,户外设备需按 4 级(±4kV)设防,保障信号传输不受高频脉冲干扰。

二、雷卯核心方案:3 层协同防护

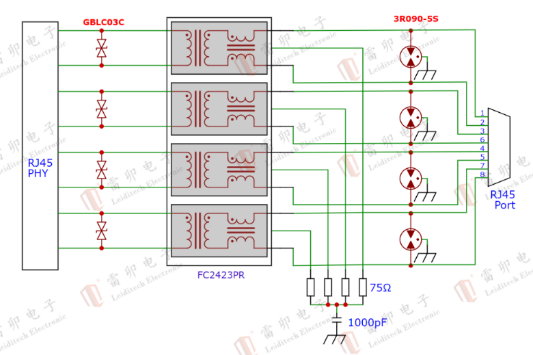
典型的以太网接口应包含隔离变压器(满足 IEEE 802.3 标准,隔离耐压1500VRMS,集成共模扼流圈)和Bob smith终端(75Ω 电阻+1000pF高压电容,降低共模辐射),再遵循 “分级泄放能量 + 精准钳位干扰” 逻辑,构建三层防护体系:

1. 接口层泄放:优先吸收共模大能量

雷卯采用低电容 GDT(气体放电管,型号 3R090-5S)作为第一级防护,重点泄放 80% 的共模电流:

·响应速度<100ns,通流能力达 5KA,可快速吸收雷击等引发的共模能量,避免后续防护组件过载,为核心芯片防护奠定基础。

 

2. 变压器层衰减:降低干扰能量强度

利用隔离变压器的隔离特性,结合 Bob-Smith 终端优化共模阻抗:

·变压器对 ESD、浪涌能量的衰减率超 60%,可将静电峰值电流从 “数十安” 降至 “数安级”,大幅减轻后续钳位环节的防护压力,同时减少干扰对信号传输的影响。

3. 芯片层钳位:精准守护 PHY 芯片

这是抵御 ESD 与差模浪涌的关键环节,采用雷卯GBLC03C 低电容 ESD 二极管

·电容值<0.3pF,完全适配千兆以太网信号传输需求,避免信号衰减或误码;

 

可精准钳位差模方向的 ESD(含 CDE 残余电流)与浪涌能量,将 PHY 芯片端瞬态电压控制在安全范围,满足 IEC 61000-4-2 Level 4(±30kV)、IEC 61000-4-5(4kV)等严苛标准。

三、设计避坑指南

接口防护失效常与设计细节偏差相关,尤其在 ESD 防护环节,上海雷卯建议需规避以下误区:

1. ESD 布局误区:位置与连接方式决定防护效果

·错误做法:将 ESD 二极管置于变压器前的 RJ45 接口处,采用 “信号线对地” 连接。

o问题:变压器 1500VRMS 的隔离特性会阻碍静电共模能量泄放,还可能引发 “共模→差模” 瞬态转换,导致静电直接冲击 PHY 芯片。

·雷卯EMC小哥建议的正确策略是:将 ESD 二极管跨接在变压器 PHY 侧的差分信号对之间

o原理:借助变压器已衰减的静电能量,配合 ESD 二极管<1ns 的快速响应,可直接抑制差模方向的 ESD 瞬态,大幅提升防护效率。

2. GDT 使用误区:按需配置,避免冗余或不足

·严苛环境(户外 / 工业):需搭配低电容 GDT(如 3R090-5S)作为第一级,但需确保与后级 GBLC03C ESD 的协同 ——GDT 泄放共模后,ESD 专注钳位差模,避免两者 “能量冲突” 影响防护效果。

·普通环境(室内办公):无需额外添加 GDT,仅通过 “变压器衰减 + PHY 侧 ESD” 即可应对日常静电场景,盲目增加 GDT 反而可能引入信号干扰。

3. 防护能力误区:不可依赖 PHY 内置 ESD

·错误认知:认为 PHY 芯片自带 ESD 防护,无需外置组件。

·实际局限:PHY 内置 ESD 仅能应对 ±8kV 以下的轻微静电,完全无法抵御 CDE(能量超过内置防护上限)及 PoE 插拔瞬态,必须外置 GBLC03C (±30kV)等专用 ESD,才能实现可靠防护。

工程师需通过厘清各类干扰的防护逻辑、避开设计误区,可在保障千兆以太网信号质量的同时,显著提升接口对静电与电涌的抗扰度,降低设备故障率。

 

Leiditech 雷卯电子致力于成为电磁兼容解决方案和元器件供应领导品牌,供应 ESD(如 GBLC03C)、TVS、TSS、GDT(如 3R090-5S)、MOV、MOSFET、Zener、电感等产品。雷卯拥有经验丰富的研发团队,可根据不同应用场景(户外 / 室内、PoE / 非 PoE)提供个性化防护方案,为千兆设备接口安全保驾护航。

相关推荐

方案定制

去合作
方案开发定制化,2000+方案商即时响应!

雷卯电子是中国电磁兼容解决方案和元器件供应领导品牌。成立于2011年,品牌Leiditech,是国家高新技术企业。公司研发团队由留美博士和TI原开发经理组建,凭借技术精湛的研发队伍和经验丰富的电磁兼容行业专家,主要提供防静电TVS/ESD以及相关EMC元器件(放电管TSS/GDT、稳压管ZENER、压敏电阻MOV、整流二极管RECTIFIER、自恢复保险丝PPTC、场效应管MOSFET、电感)。