扫码加入

  • 方案介绍
  • 相关推荐
申请入驻 产业图谱

【物联网毕设】森林防火监测系统STM32+Lora+4G+GPS

01/27 20:19
1763
加入交流群
扫码加入
获取工程师必备礼包
参与热点资讯讨论

 

目录

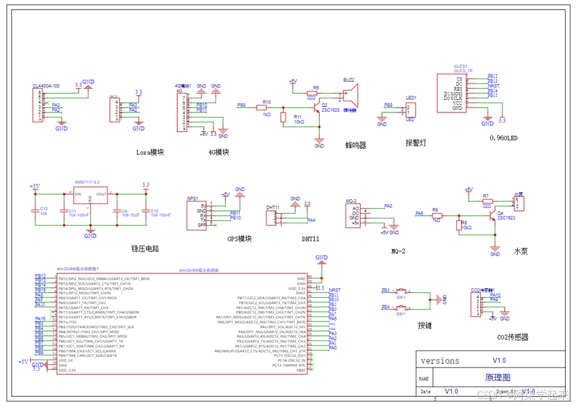
一 连线图

1 原理图

2 PCB效果

3 实物效果

4 APP界面

5 功能概括

(1) 硬件端

(2) APP端

(3)云平台

(4) 演示视频

二 底层代码使用方式

1. 使用说明

2. 下载程序

三 APP使用方式

1下载APP

四 程序架构及修改(通用)


前言

这是一个基于物联网的森林防火监测系统。该系统硬件端由从机与主机组成:从机以STM32为核心,集成温湿度、烟雾、二氧化碳传感器GPS模块,实时采集环境数据并在OLED屏显示,当数据超标时能通过声光报警并联动水泵喷淋,同时通过Lora无线网络将数据上报至主机;主机通过Lora接收数据,并利用4G模块联网,将信息上传至云平台。APP端通过MQTT协议与设备通信,可实时查看环境数据、在地图上显示设备位置、设置各项报警阈值,并能远程控制水泵的启停。云平台主要承担设备间通信枢纽的角色。整套系统实现了对森林环境的远程实时监测、智能预警与联动控制。


关注微信公众号--星之援工作室 发送关键字(项目清单)
可获取项目清单资料

➡️➡️


⚠️⚠️(本文章仅提供思路和实现方法,并不包含代码,需要代码的同学请自行联系博主)

⚠️⚠️(有疑问或需要定制或者技术支持等,也请自行联系博主)⚠️⚠️


一 连线图

1 原理图

2. 开发板本身自带一个LED ,这个LED作为我们查看网络连接状态和获取数据状态的说明

(1)首先需要打开我们的WIFI热点让设备进行联网操作,看到显示数据界面,即可进行下一步功能测试

(2)硬件每隔几秒会向APP传输一次数据。

室内会到站GPS模块搜星异常,请到户外进行GPS定位获取

4G模块需要先插入SIM卡使用,否则连不上网络

2 PCB效果

3 实物效果

4 APP界面

5 功能概括

(1) 硬件端

从机端

  1. STM32F103C8T6:用于所有程序的中控和模块数据通信
  2. 温度传感器:获取环境的温湿度
  3. 烟雾传感器:检测环境的烟雾浓度
  4. oled显示屏:显示设备的状态和采集的数据
  5. Co2传感器:检测环境的co2浓度
  6. led/蜂鸣器:检测到异常时进行声光报警
  7. GPS模块:可以获取设备的经纬度位置,传输给主机
  8. 水泵:检测数据超过设定参数阈值进行报警和对应处理,出现烟雾或是二氧化碳,或是温度过高开启喷淋系统并报警,湿度过高报警
  9. Lora组网进行数据的上报,将数据传输给主机

主机端

  1. Lora组网进行数据的获取和下发
  2. 4G模块:用于设备联网,实现远程APP查看;
  3. 0.96寸OLDE:用于显示设备连接信息

短按按键1可以开启和关闭水泵

(2) APP端

  1. 使用MQTT协议与设备进行信息交互
  2. 可采集到底层设备数据并且展示到界面UI中;
  3. 可以设置环境温度阈值,co2阈值和烟雾阈值下发给硬件进行设置
  4. 获取到设备的经纬度数据之后可以使用地图进行显示
  5. 可以远程控制设备的水泵状态,可以进行一键开启

(3)云平台

只是链接各个设备使用,采用MQTT即时通讯;

(4) 演示视频

通过网盘分享的文件:T22.1.森林防火监测系统-LoraX3+4G+GPS.mp4

链接: https://pan.baidu.com/s/17dCMY1M0JlpFny6EhHhkPw?pwd=XZY0 提取码: XZY0

--来自百度网盘超级会员v7的分享

二 底层代码使用方式

1. 使用说明

(1). 使用的时候设备会自动连接平台

4G模块需要先插入SIM卡使用,否则连不上网络

(2). 当设备处于正常状态的时候,开发板上面的LED会处于闪烁的状态。

(3). 需要注意GPS模块是否正常,正常状态GPS的状态灯会持续闪烁,若GPS状态灯长亮,则需要在户外获取卫星定位,否则不会有经纬度产生

(多看视频,视频中有完整功能演示)

(多看视频,视频中有完整功能演示)

(多看视频,视频中有完整功能演示)

2. 下载程序

  1. 先根据原理图进行连线,连接好以后在做后面的操作
  2. 打开手机热点 热点名字:NET密码:12345678
  3. 打开程序(硬件由工作室出的可以忽略下载程序这部分)

三 APP使用方式

1下载APP

(1)操作方式:

使用Android手机安装APK进行操控

安装Android studio导入项目使用模拟器

官网下载最新版本

https://developer.android.google.cn/studio?hl=zh-cn

安装包(工作室使用版本)链接:

https://pan.baidu.com/s/1DnRGWeJt7XBTmzqHj1KRSQ?pwd=xzy0

提取码:xzy0

安装教程

https://zhuanlan.zhihu.com/p/528196912

(2)使用说明

打开APP后设备会自动订阅MQTT主题,等待1-5秒APP会自动获取到设备上的数据,若5秒内没有获取到设备数据,则请检测设备是否在线,若在线,则请重新打开APP进行数据的获取

(多看视频,视频中有完整功能演示)

(多看视频,视频中有完整功能演示)

(多看视频,视频中有完整功能演示)

四 程序架构及修改(通用)

链接:

https://pan.baidu.com/s/1TZkvdEOp-ERgi-2A1o-KWw?pwd=XZY0

提取码:XZY0

APP参数修改

联系方式 微信号:13648103287

相关推荐