扫码加入

  • 方案介绍
  • 相关推荐
申请入驻 产业图谱

【物联网毕设】智能家居环境-STM32+APP+MQTT

01/29 22:35
2228
加入交流群
扫码加入
获取工程师必备礼包
参与热点资讯讨论

 

目录

前言

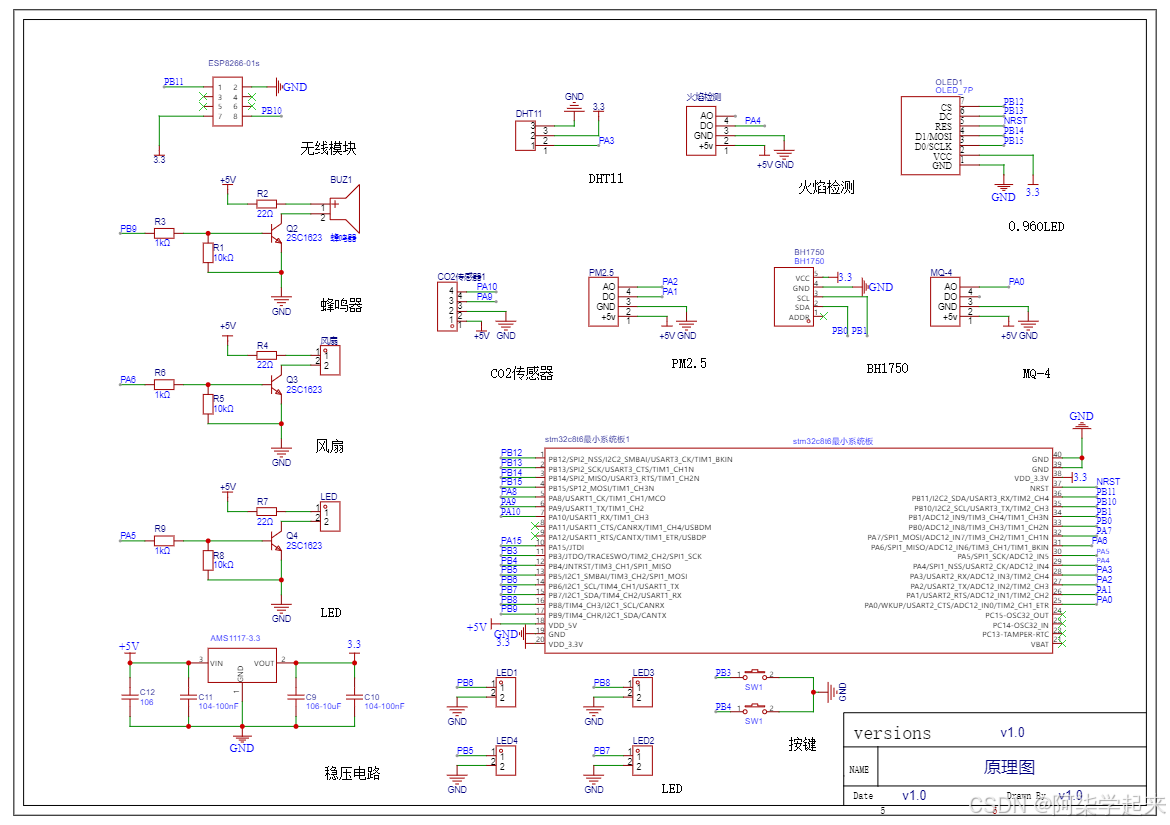
一 连线图

1 原理图

2 PCB效果

3 实物效果

4 APP效果

5 功能概括

(1)硬件端

(2)APP端

(3)云平台使用

(4)演示视频

二 底层代码使用方式

1 使用说明

2 下载程序

三 APP使用方式

1下载APP

四 程序架构及修改(通用)


前言

该系统基于STM32F103C8T6主控,通过ESP8266-01s实现物联网通信,集成多传感器实时监测环境参数:DHT11检测温湿度异常触发风扇及声光报警(红灯+蜂鸣器),MQ-4监测甲烷浓度超限时启动黄灯警报,明火检测触发蓝灯警示,光照不足时继电器自动开启LED补光,PM2.5/CO2传感器分别通过白灯/黄灯报警粉尘与二氧化碳超标。硬件端配备双按键调节阈值(短按增减数值,长按切换模式),0.96寸OLED实时显示状态。APP端采用MQTT协议远程交互,可视化展示传感器数据、阈值设置及报警状态,支持温度/气体浓度阈值自定义与明火检测提醒,实现环境参数的云端监控与异常预警。


关注微信公众号--星之援工作室 发送关键字(项目清单)
可获取项目清单资料

➡️➡️


⚠️⚠️(本文章仅提供思路和实现方法,并不包含代码,需要代码的同学请自行联系博主)

⚠️⚠️(有疑问或需要定制或者技术支持等,也请自行联系博主)⚠️⚠️


一 连线图

1 原理图

2. 开发板本身自带一个LED ,这个LED作为我们查看网络连接状态和获取数据状态的说明

(1)首先需要打开我们的WIFI热点让设备进行联网操作,看到显示数据界面,即可进行下一步功能测试

(2)硬件每隔几秒会向APP传输一次数据。

热点名字:NET密码:12345678,请使用2.4GHZ频率的无线网。

2 PCB效果

3 实物效果

4 APP效果

5 功能概括

(1)硬件端

  1. ESP8266-01s:使用wifi模块进行联网使用;
  2. 0.96寸OLED:用于显示的设备的状态,实现实时监测;
  3. STM32F103C8T6:用于所有程序的中控和模块数据通信
  4. 温湿度传感器(DHT11):温湿度超出或低于阈值时,报警系统响应(红灯闪烁,蜂鸣器响应)风扇工作;
  5. MQ-4传感器:当甲烷天然气浓度超出阈值时,报警系统响应(黄灯闪烁,蜂鸣器响应);
  6. 检测到明火时,报警系统响应(蓝灯闪烁,蜂鸣器响应);
  7. 光照强度低于设定阈值时,继电器响应,照明灯工作;
  8. PM2.5传感器:用于检测环境的的粉尘浓度是否超过阈值(白灯闪烁,蜂鸣器响应);;
  9. 二氧化碳传感器:监测环境的CO2浓度是否超标,报警系统响应(黄灯闪烁,蜂鸣器响应);
  10. 风扇:用于异常状态控制
  11. LED:用于补光控制
  12. 蜂鸣器与LED灯:超过阈值进行报警提示;

短按按键一加大选定的阈值

短按按键二减小选定的阈值

长按按键一可以直接切换进入阈值调整,再次长按退出

长按按键二可以直接进入切换阈值调整

(2)APP端

  1. 使用MQTT协议与设备进行信息交互;
  2. 可采集到底层设备数据并且展示到界面UI;
  3. 可以设置温度、Co2气体浓度、燃气检测浓度阈值,以达到报警提醒的效果
  4. 可以远程查看数据是否超标,界面会出现提示信息;
  5. 可以查看到是否有明火

(3)云平台使用

只是链接各个设备使用,采用MQTT即时通讯;

(4)演示视频

通过网盘分享的文件:165.1.智能家居环境检测-WiFi.mp4

链接: https://pan.baidu.com/s/1p4GpdiaWKnIAfckj50lDCg?pwd=XZY0 提取码: XZY0

--来自百度网盘超级会员v7的分享

二 底层代码使用方式

1 使用说明

(1). 使用的时候设备会自动连接WIFI

热点名字:NET密码:12345678,请使用2.4GHZ频率的无线网。

(多看视频,视频中有完整功能演示)

(多看视频,视频中有完整功能演示)

(多看视频,视频中有完整功能演示)

2 下载程序

  1. 先根据原理图进行连线,连接好以后在做后面的操作
  2. 打开手机热点 热点名字:NET密码:12345678
  3. 打开程序(硬件由工作室出的可以忽略下载程序这部分)

三 APP使用方式

1下载APP

(1)操作方式:

使用Android手机安装APK进行操控

安装Android studio导入项目使用模拟器

官网下载最新版本

https://developer.android.google.cn/studio?hl=zh-cn

安装包(工作室使用版本)链接:

https://pan.baidu.com/s/1DnRGWeJt7XBTmzqHj1KRSQ?pwd=xzy0

提取码:xzy0

安装教程

https://zhuanlan.zhihu.com/p/528196912

(2)使用说明

打开APP后设备会自动订阅MQTT主题,等待1-5秒APP会自动获取到设备上的数据,若5秒内没有获取到设备数据,则请检测设备是否在线,若在线,则请重新打开APP进行数据的获取

(多看视频,视频中有完整功能演示)

(多看视频,视频中有完整功能演示)

(多看视频,视频中有完整功能演示)

四 程序架构及修改(通用)

链接:

https://pan.baidu.com/s/1TZkvdEOp-ERgi-2A1o-KWw?pwd=XZY0

提取码:XZY0

APP参数修改

 

联系方式 微信号:13648103287

相关推荐