扫码加入

  • 方案介绍
  • 相关推荐
申请入驻 产业图谱

【物联网毕设】智慧电梯-STM32+MQTT+APP

01/27 20:58
2010
加入交流群
扫码加入
获取工程师必备礼包
参与热点资讯讨论

目录

一 连线图

1 原理图

2 PCB效果

3 实物效果

4 APP效果

5 功能概括

(1)硬件端

(2)APP端

(3)云平台

(4)演示视频

二 底层代码使用方式

1 使用说明

2 下载程序

三 APP使用方式

下载APP


前言

这是一个多节点智慧电梯模拟系统,硬件端由三台功能相同的节点设备组成,每台设备均以STM32为核心,搭载温湿度、重量传感器及风扇、蜂鸣器等执行机构,并配备键盘和电梯模型,可模拟1-5层的楼层选择与确认操作,实时数据通过WiFi上传。APP端基于MQTT协议,能同时监测三台设备的运行状态与环境数据,并可远程设置温度与重量阈值,实现自动开启风扇通风或触发超重报警。云平台作为通信枢纽,负责设备间的即时消息转发。整套系统实现了对多部电梯运行状态的集中远程监控智能化管理。


关注微信公众号--星之援工作室 发送关键字(项目清单)
可获取项目清单资料

➡️➡️


⚠️⚠️(本文章仅提供思路和实现方法,并不包含代码,需要代码的同学请自行联系博主)

⚠️⚠️(有疑问或需要定制或者技术支持等,也请自行联系博主)⚠️⚠️


一 连线图

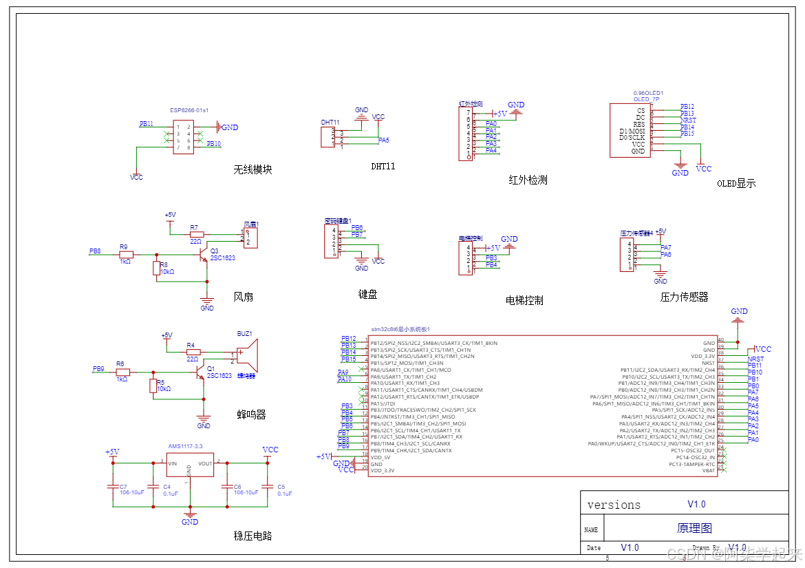
1 原理图

开发板本身自带一个LED ,这个LED作为我们查看网络连接状态和获取数据状态的说明

(1)若MCU上面的的LED处于闪烁状态,则说明我们的设备处于正常运行,若LED灯不再闪烁,请按复位键将程序手动复位一次

(2)硬件每隔5秒会向APP传输一次数据。

2 PCB效果

3 实物效果

4 APP效果

5 功能概括

(1)硬件端

  1. STM32F103C8T6:用于所有程序的中控和模块数据通信
  2. WiFi:作为设备的联网控制,实时发送数据到app中
  3. 0.96寸OLDE:用于显示的各种环境数据,实现实时监测;
  4. 温湿度传感啊(DHT11):用于监测环境数据;
  5. 重量传感器:检测物体重量,用于重量提示
  6. 蜂鸣器:用于异常状态的报警;
  7. 风扇:作为环境通风使用
  8. 键盘按键:用于实现楼层,开关,报警控制
  9. 电梯模型:小型电梯模型,用于模拟

该设备做三台功能一样的设备,实现多节点

按键可以使用1-5层

按D进行确认

(2)APP端

  1. 使用MQTT协议与设备进行信息交互;
  2. 可采集到底层设备数据并且展示到界面UI;
  3. 显示三台设备的运行状态,实时监测设备数据
  4. 可以设置环境的温度阈值,超过进行自动开始风扇
  5. 可以设置重量阈值,超过可以进行蜂鸣器报警

(3)云平台

只是链接各个设备使用,采用MQTT即时通讯;

(4)演示视频

通过网盘分享的文件:169.1.多节点智慧电梯-WiFi.mp4

链接: https://pan.baidu.com/s/1NynT99IKqaSi3U03_AyOcw?pwd=XZY0 提取码: XZY0

--来自百度网盘超级会员v7的分享

二 底层代码使用方式

1 使用说明

(1). 使用的时候设备会自动连接WIFI

热点名字:NET密码:12345678,请使用2.4GHZ频率的无线网。

(2).当设备处于正常状态的时候,开发板上面的LED会处于闪烁的状态。

(多看视频,视频中有完整功能演示)

(多看视频,视频中有完整功能演示)

(多看视频,视频中有完整功能演示)

2 下载程序

  1. 先根据原理图进行连线,连接好以后在做后面的操作
  2. 打开手机热点 热点名字:NET密码:12345678
  3. 打开程序(硬件由工作室出的可以忽略下载程序这部分)

三 APP使用方式

下载APP

(1)操作方式:

使用Android手机安装APK进行操控

安装Android studio导入项目使用模拟器

官网下载最新版本

https://developer.android.google.cn/studio?hl=zh-cn

安装包(老版)链接:

https://pan.baidu.com/s/1DnRGWeJt7XBTmzqHj1KRSQ?pwd=xzy0

提取码:xzy0

安装教程

https://zhuanlan.zhihu.com/p/528196912

(2)使用说明

打开APP后设备会自动订阅MQTT主题,等待1-5秒APP会自动获取到设备上的数据,若5秒内没有获取到设备数据,则请检测设备是否在线,若在线,则请重新打开APP进行数据的获取

(多看视频,视频中有完整功能演示)

(多看视频,视频中有完整功能演示)

(多看视频,视频中有完整功能演示)

32

链接:

https://pan.baidu.com/s/1TZkvdEOp-ERgi-2A1o-KWw?pwd=XZY0

提取码:XZY0

APP参数修改

联系方式 微信号:13648103287

相关推荐