扫码加入

  • 正文
  • 相关推荐
申请入驻 产业图谱

芯伯乐180kHz降压型DC/DC转换器XBL4015 高效率低纹波 5A大负载

2025/08/13
1113
加入交流群
扫码加入
获取工程师必备礼包
参与热点资讯讨论

前言

工业控制设备的电源管理核心在于其高效可靠的电源转换模块。相较于传统的线性稳压器,XBL4015降压型DC/DC转换器通过其拓扑结构能实现高效率的电压转换。本文推荐专为工业控制电源优化的XBL4015高性能降压型DC/DC转换器,它具备4.5V~36V宽输入电压范围,适应工业现场波动;采用先进的自适应控制技术,动态响应快,最大5A带载,确保负载突变稳定;转换效率高,最高可达93%,显著降低功耗与发热,提升系统可靠性。

产品概述

XBL4015是一款固定频率为180KHz的PWM降压型DC/DC转换器,能够以高效率、低纹波和优异的线性及负载调节性能驱动5A负载。其设计精简,所需外部组件数量少,简化了使用流程,并且内置频率补偿和固定频率振荡器,使得整个系统设计更为高效与便捷。

产品选用设计优势

-高效率与低纹波输出:确保在多种应用场景下提供稳定的电源输出,减少对后续电路的影响。

-优异的线性和负载调节性能:能够在输入电压和负载电流变化时,保持输出电压的稳定。

-最少外部组件:简化设计,降低系统复杂度和成本。

-内置频率补偿和固定频率振荡器:减少外部补偿组件,提高系统稳定性,方便客户开发。

应用场景

-工业设备电源管理

-车载电子设备

-消费电子产品

-电信网络设备

-电池充电器

引脚配置

采用TO-263-5L封装,具体引脚定义如下(顶部视图):

-VIN:电源输入引脚,连接输入电源正极。

-VC:控制引脚,用于关断功能。

-SW:开关引脚,连接电感续流二极管

-FB:反馈引脚,用于输出电压调节。

-GND:接地引脚,所有电路的公共地。

功能框图

XBL4015包含多个功能模块,如参考电压源、启动和偏置电流源误差放大器(EA)、反馈(FB)补偿(COMP)等,共同实现高效的降压转换功能。

绝对最大额定值

-VIN(输入电压):最大值为36V。

-VC(控制电压):最大值为36V。

-工作温度范围:-40°C至+125°C。

-储存温度范围:-65°C至+150°C。

-IOUT(输出电流):最大值为5A

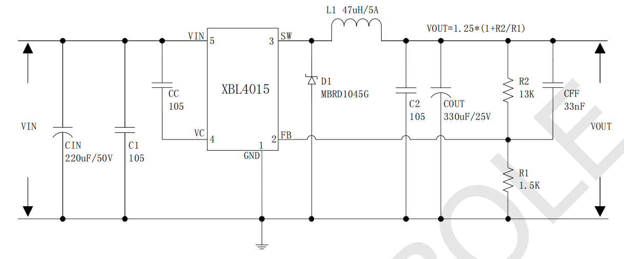
5V/5A输出典型应用电路

12V/4A降压转换电路典型系统应用

以输出12V/4A为例,提供典型应用电路和效率曲线,能够帮助用户了解在特定输出条件下的性能和设计要求。

-输入电压范围:15V至36V。

-输出电压:12V。

输出效率曲线

总结

综上所述,在工业控制电源应用中,XBL4015凭借其4.5V~36V宽输入电压范围,轻松应对现场电压波动,大幅提升系统供电稳定性;高达5A的持续输出电流能力,为后级负载提供充沛动力并确保充足设计裕量;最高93%的转换效率显著降低功耗与使用温度,其优异的热管理能力完美适配工业电源7×24小时不间断运行的严苛需求。

相关推荐