致力于亚太地区市场的国际领先半导体元器件分销商---大联大控股宣布,其旗下诠鼎推出基于PI(Power Integrations)InnoMux™-2系列IMX2379F芯片的62W三输出定电压反激式电源解决方案。


图示1-大联大诠鼎基于PI产品的62W三输出定电压反激式电源解决方案的展示板图
现代电子系统大多依赖多个内部电压实现计算、通信和传动等功能。然而,在每个电源转换阶段都会产生一定的损耗,这些损耗不仅会降低整体能效,还会导致发热问题。为优化这一问题,大联大诠鼎基于PI InnoMux™-2系列IMX2379F芯片推出62W三输出定电压反激式电源方案,能够提供多达三个独立稳压输出,或提供两个定电压和一个定电流输出。此举可大幅减少元件数量,在提升电源子系统效率的同时,有效缩小体积。

图示2-大联大诠鼎基于PI产品的62W三输出定电压反激式电源解决方案的场景应用图
本方案采用的IMX2379F是PI旗下InnoMux™-2系列反激式开关IC中的一员。InnoMux™-2是Single-stage、独立稳压多输出离线式电源IC,它创新地将AC-DC和下游DC-DC转换级集成于单一芯片。与传统两级架构相比,该IC去掉了单独的DC-DC级,可大幅减少元件数量,缩小PCB占位面积。并且凭借其750V PowiGaN™氮化镓晶体管、零电压开关及同步整流技术,进一步提升了系统效率。
InnoMux™-2性能卓越,能够在多种条件下稳定提供高达90W输出功率,且调节精度优于±3%,电力系统总效率(从交流电到调节式低压直流电段)超过90%。此外,先进的控制器还能管理轻负载功率传输,无需使用预载电阻器,可使无负载功耗降至30mW以下。根据欧洲耗能产品(EuP)法规,这在待机使用限额为300mW的应用中,可为必要功能节省电力。
不仅如此,该器件采用PI高散热效率的InSOP™24和InSOP™28封装,并结合PCB冷却功能,因此无需额外使用散热片。在电源输出方面,InnoMux™-2提供双输出和三输出定电压(CV)选项,并且其中一个输出可专用于定电流(CC)驱动,非常适合为监测器中的LED供电或用于内部电池的高速充电。

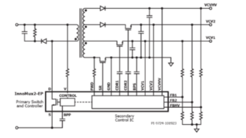
图示3-大联大诠鼎基于PI产品的62W三输出定电压反激式电源解决方案的方块图
得益于产品的出色性能及高度集成的紧凑设计,本方案可为白色家电、工业系统与显示器等多元电压应用场景带来兼具高效节能、稳定可靠且空间优化的设计。
核心技术优势:
- 高效率:多路输出实现超过90%的效率;
- 节省空间和元件:减小PCB板尺寸,元件数最多可减少50%;
- 高精度:所有输出满足3%调整精度,考虑了产线误差、温度变化和输入负载变化;
- 低待机功耗:空载功耗小于50mW;
- 集成高压开关:集成750V的PowiGaN™初级开关或650V和725V硅MOSFET,涵盖15W至100W功率范围;
- 多种保护和功能:输出电压设定、锁存/自动重启保护、内部/外部反馈机制、单路输出的过载保护、调光模式;
- 其他特性:零电压开关(SR ZVS)、脉冲共享、通过SR栅极控制对VFWD进行稳压调整。
方案规格:
- 输入电压:90VAC-265VAC;
- 输出规格:5V/4A,12V/1A,24V/1.25A;总计:62W;
- 满载效率要求:>85% @ 115/230VAC;
- 工作环境温度条件:40℃。
700