扫码加入

  • 正文
  • 相关推荐
申请入驻 产业图谱

SLB628D 1.2MHz 升压转换器:2.5A 大电流 + 20V 输出,电池供电设备核心方案

2025/12/29
626
加入交流群
扫码加入
获取工程师必备礼包
参与热点资讯讨论

在电池供电设备、机顶盒、LCD 偏置电源DSL 调制解调器等场景中,传统升压方案常面临体积大、效率低、轻载功耗高、电流输出不足等痛点,难以满足设备对 “小型化、长续航、稳可靠” 的核心需求。森利威尔推出的 SLB628D 电流模式升压转换器,凭借 2.2V-16V 宽输入、2.5A 开关电流、1.2MHz 高频、93% 转换效率等硬核优势,搭配小封装、多重保护设计,完美解决传统方案短板,成为低功耗升压场景的优选核心器件。

一、宽压 + 大电流:适配多元供电与负载需求

SLB628D 打破传统升压芯片的性能局限,从硬件架构上覆盖全场景需求:

2.2V-16V 宽输入,兼容多元电源输入电压覆盖 2.2V-16V,能稳定应对单节锂电池(3.7V)、双节锂电池(7.4V)、小型设备低压供电等不同方案,无需额外电压转换模块,适配性极强,一款芯片即可满足多型号产品设计。

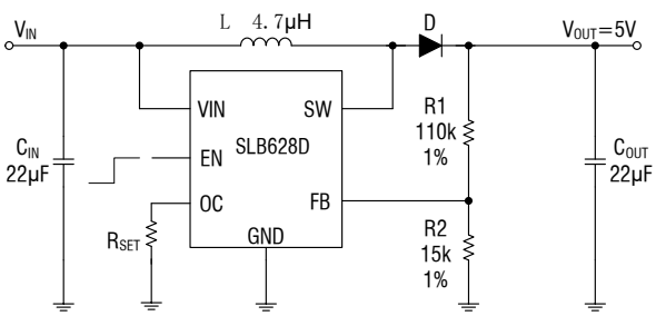
2.5A 开关电流 + 20V 输出,驱动重载无忧:最大开关电流达 2.5A(OC 脚悬空时),输出电压最高 20V,可通过 FB 引脚分压电阻灵活调节输出(公式:VOUT=0.6V×(1+R1/R2)),能稳定驱动 LCD 偏置电路、网络设备供电模块等负载,无需多芯片并联,简化电路设计

集成 MOSFET,高集成降本:内置 80mΩ 功率 MOSFET,无需外接功率器件,减少 PCB 板占用空间与物料成本;内部集成补偿电路,无需额外配置补偿元件,进一步精简外围电路,缩短研发周期。

二、1.2MHz 高频 + 轻载优化:兼顾小型化与长续航

SLB628D 在频率设计与能效优化上实现双重突破,平衡体积与续航:

1.2MHz 固定高频,元件小型化:开关频率固定为 1.2MHz,可搭配 2mm 以下高度的小型电感电容,大幅缩小电源模块体积,尤其适合便携电池供电设备、机顶盒等对空间要求严苛的场景。

轻载 PFM 模式,低耗节能:轻载时自动切换至脉冲频率调制(PFM)模式,静态电流仅 100μA(典型值),相比传统 PWM 模式大幅降低轻载功耗;满负载时转换效率高达 93%,有效延长电池供电设备的续航时间,契合低功耗设计趋势。

内置软启动,保护电源与负载:集成内部软启动功能,启动时无浪涌电流,避免冲击损伤电池与后端负载,延长设备使用寿命,适配电池供电设备 “频繁启停” 的工作特性。

三、多重保护 + 小封装:筑牢稳定防线,提升设计灵活性

SLB628D 内置全方位保护机制,同时优化封装形态,适配多元安装场景:

多重保护,应对复杂工况:集成过压保护(20V 阈值)、过流保护(0.5A-2.5A 可调)、欠压锁定(2.2V 阈值)、热关断保护(160℃触发,25℃迟滞),全方位应对电压异常、过载、高温等突发状况,保障设备在复杂环境下稳定运行。

过流保护可调,适配差异化需求:通过 OC 脚外接 19kΩ-96kΩ 电阻,可灵活设定过流保护阈值(公式:IOCP=4800/R3),比如便携设备设为 0.5A 低限流保护电池,机顶盒设为 2.5A 满足重载需求,无需更换芯片即可适配不同场景。

SOT23-6 小封装,节省空间:采用 6 引脚 SOT23-6 封装,体积小巧,引脚布局合理,可轻松集成到便携设备、微型模块等空间受限的产品中,不占用额外安装空间,提升产品设计的灵活性。

四、多场景深度适配:覆盖低功耗升压核心领域

SLB628D 凭借全能性能,精准匹配多元低功耗升压场景,针对性极强:

电池供电设备领域:便携仪器、手持终端,宽压适配单 / 双节锂电池,轻载 PFM 模式延长续航,小封装适配手持设计,软启动保护电池免受冲击。

消费电子领域:机顶盒、LCD 偏置电源,1.2MHz 高频搭配小型元件,节省内部空间;2.5A 大电流稳定驱动偏置电路,过压 / 过流保护保障设备长期运行。

网络设备领域:DSL 调制解调器、路由器、PCI 插槽供电网卡,宽压适配设备多元供电,93% 高效率降低能耗,多重保护应对网络设备长时间工作的严苛工况。

其他场景:工业辅助电源、小型传感器供电,过流保护可调适配不同负载,小封装 + 高集成简化模块设计,强抗干扰能力(ESD HBM 2kV)保障复杂环境稳定运行。

五、品牌实力背书:设计便捷,合作无忧

SLB628D 由深圳市森利威尔电子有限公司自主研发生产,为低功耗升压方案提供完善的技术保障与商业支持:

设计便捷,快速量产:官方提供典型应用原理图、输出电压参数参考,外围电路仅需搭配电感、电阻、少量电容,工程师可直接参考布局;内部集成补偿电路,无需复杂调试,缩短研发周期,加速产品量产落地。

严苛品控,稳定可靠:产品经过 - 40℃-85℃宽温测试、ESD 测试(人体模型 2kV),工作结温覆盖 - 40℃-160℃,核心参数(输入电压、输出电流、保护阈值)均通过实测验证,适配恶劣环境下的长期稳定运行。

原厂支持,性价比高:提供免费样品测试与专业技术支持,针对输出电压校准、过流阈值设定、PCB 布局等疑问,工程师团队 24 小时响应;原厂直供模式,供货稳定,批量采购价格具备竞争力,降低企业物料成本

在低功耗升压场景对 “小体积、长续航、高可靠” 需求日益严苛的趋势下,SLB628D 以 “1.2MHz 高频 + 2.5A 大电流 + 93% 高效” 的核心优势,成为替代传统方案的优选器件。无论是电池供电设备新品研发、机顶盒电源升级,还是网络设备供电模块设计,SLB628D 都能以高性价比、高可靠性助力产品提质升级,抢占市场先机。

相关推荐