在储能电源、电动工具、便携音箱等便携式大功率设备日益普及的背景下,多串锂电池的充电管理面临更高要求——需兼顾高效充电、兼容性、安全性与小型化设计。英集芯推出的IP2363多串锂电池充电管理芯片,集成PD3.0快充协议与同步升降压转换器,具备高集成度、配置灵活与多重保护等特点,为便携设备提供高效的充电解决方案。
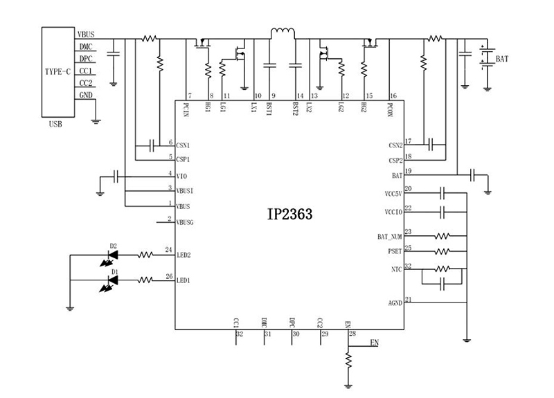
IP2363作为一款高集成多串锂电池充电管理SOC,无需外接协议芯片与功率器件,单芯片即可完成协议解析、升降压转换及充电管理等功能,有助于简化硬件设计,降低BOM成本,并减少PCB占用空间。芯片支持2-5串锂电池充电,可通过外接电阻设置电池节数,兼容三元锂电池(4.20V/节)与磷酸铁锂电池(3.65V/节),适配多种多串锂电池设备。
在充电方面,IP2363内置PD3.0 UFP协议及DP&DM输入快充协议,支持5V-20V宽范围输入,可搭配市面常见的PD快充适配器使用。充电功率最大支持30W,可通过外接电阻调节,满足不同设备的充电需求。芯片采用同步升降压架构,集成BUCK-BOOST驱动,开关频率为400kHz,有助于提升转换效率,减少能量损耗。
IP2363具备智能管理与低功耗特性。芯片内置温度与电压检测环路,可根据充电器功率调节充电电流,实现功率自适应,兼顾充电效率与安全。在未连接充电器时,芯片进入低功耗模式,待机电流为5μA,有助于降低电池闲置损耗。接入充电器后可自动唤醒并开始充电。IP2363提供两种型号:IP2363_I2C支持I2C通信,可读取充电数据并配置参数;IP2363_BZ为纯硬件设计,通过引脚配置相关参数。
芯片集成14bit ADC,可精确监测输入输出电压、充电电流及电池状态等信息。在保护方面,具备输入过压/欠压、电池过充/过流、IC过温及电池NTC温度保护等功能。输入引脚耐压达30V,ESD防护为4KV,有助于提升系统可靠性。芯片同时支持1-2路LED指示灯,用于显示充电状态。
IP2363采用QFN32封装,尺寸为5mm×5mm,工作温度范围为-40℃至85℃,适用于工业级应用环境,便于集成到各类便携设备中。
该芯片可应用于储能电源、便携应急电源、电动工具、大功率便携音箱、医疗设备及工业检测仪器等2-5串锂电池设备中,为其提供适配的充电管理方案。
英集芯IP2363通过高集成设计,在简化系统、降低成本的同时,兼顾充电效率与安全性,适应便携设备的开发需求。未来,英集芯将继续推进电源管理芯片的技术创新,为市场提供更多充电管理解决方案。
1586
