• 方案介绍
  • 相关推荐
申请入驻 产业图谱

便携移动储能升压恒压方案 40V耐压 10A大电流应用芯片 SL4008B、SL4010

04/17 15:50
517
加入交流群
扫码加入
获取工程师必备礼包
参与热点资讯讨论

100W大功率外置MOS升压DC-DC控制器SL4008B

概述:

SL4008B 是一款专为升压、升降压开关电源设计的专用DC-DC 控制器芯片

SL4008B 典型应用支持5-40V 输入电压范围。通过扩展输入供电,也可以支持

100V 以上的输入电压范围。芯片采用固定频率的PWM 控制方式,并在轻载条件下自动降频提高转换效率。

芯片内置高精度误差放大器振荡器,以及频率补偿电路,简化了外围设计。芯片内置过流保护以及EN 脚关断功能。

芯片工作频率可通过一个外接电阻调节,方便根据不同应用设置系统工作频率。

SL4008B 内部集成了软启动以及过温保护电路,减少外围元件并提高系统可靠性。

SL4008B 采用SOP8 封装

特点:

宽输入电压范围:5V~100V

高效率:可高达97%

固定工作频率,频率可外接电阻设置

EN 脚关断功能

FB 采样电压:1V

内置频率补偿

内置软启动

内置过温保护

内置限流功能

SOP8 封装

应用:

EPC/笔记本车载适配器

升压、升降压转换

手持设备供电

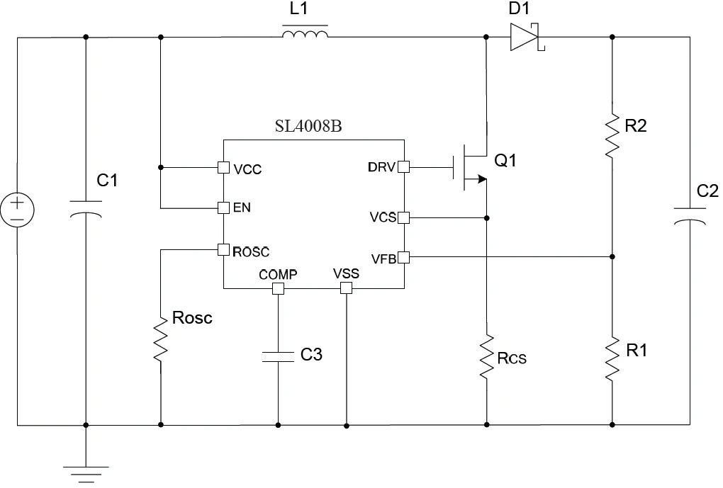
原理图

 

SL4010 BOOST 升压恒压控制器芯片

 

产品说明

SL4010是一款外围电路简单的 BOOST 升压恒压控制驱动芯片,适用于 2.8-40V 输入电压范围的升压恒压电源应用领域,启动电压可以低至 2.5V。

SL4010会根据负载的大小自动切换 PWM,PFM和BURST 模式以提高各个负载端的电源系统效率。

SL4010可以通过 EN 脚实现低待机关机功能,当 EN 脚接 VIN 的时候,系统正常工作,当EN 脚位被拉低, 系统关机,此时流入芯片内部的电流小于 2uA,进入低功耗待机模式。

SL4010还可以通过 ROSC 脚设置系统开关频率,当ROSC 悬空,开关频率为 130KHz,当ROSC 拉高,开关频率为 260KHz,如果需要别的开关频率,可以在ROSC 上对地加电阻实现。

SL4010支持软启动功能,调节 SS 端口的电容大小,可以改变软启动的时间。

SL4010支持逐周期的限流保护,输出过压保护以及过温保护,当保护机制被触发时,芯片会及时关闭 GATE 的输出,有效保护电源系统以及输出负载。

 

特性

⚫ 宽输入电压:2.8-40V

⚫ 2.5V 启动

⚫ 高效率:最高可达 95%

⚫ 逐周期限流保护

可编程的软启动

⚫ 内置过温保护

⚫ 内置过压保护

⚫ 支持PWM,PFM 以及 BURST 工作模式

⚫ 支持低功耗关机模式

⚫ 关机电流小于 2uA

⚫ 可设定工作频率

⚫ 恒压精度≤±3%

⚫ 封装: ESSOP10

 

应用领域

⚫ 移动设备供电

⚫ 太阳能

音频功放模块供电

⚫ 摄影灯光电源

⚫ LCD 背光显示

 

李生:13760325070,QQ:2355368872

相关推荐