扫码加入

  • 正文
  • 相关推荐
申请入驻 产业图谱

CS8726:四通道4X70W、2.1应用2X60+120DW、2.0应用2X99WD类音频IC

03/09 16:36
291
加入交流群
扫码加入
获取工程师必备礼包
参与热点资讯讨论

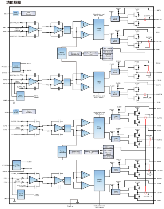
CS8726E 是一款高适配性多通道 D 类音频功率放大器,可兼容 2.0、2.1、4.0 三种音响应用组合,主打多功率输出模式与高可靠性,采用专属 EFB40 封装并设计顶层散热焊盘,适配车载音频、家庭音响、紧急呼叫等场景,额定工作温度 - 20℃至 85℃,能满足不同音响系统的功率与组合需求。

芯片支持 5V~28V 宽单电源供电,拥有 36V 高耐压设计,大幅提升工作可靠性并降低生产不良率,最高效率可达 92%,24V 供电下静态电流为 100mA。不同应用模式下功率输出表现优异,四通道模式 26V/4Ω 时可输出 4×70W,2.1 模式 24V 下实现 2×60W(高音)+120W(低音),2.0 模式 28V/4Ω 时输出 2×99W,且总谐波失真加噪声低至 0.05%,信噪比 102dB,电源纹波抑制比 70dB,搭配先进 EMI 抑制技术,仅需少量外围器件就能实现高质量音频输出,还集成 9K 输入电阻与 540K 反馈电阻,可通过公式灵活设置增益。

芯片内置完善的保护机制,具备过流、短路、过热保护功能,短路故障排除后 110ms 可自动恢复,结温超 170℃时自动关断,降温 20℃后恢复工作;配备 SDA、SDB 双引脚独立控制通道关机,均可拉低至低电位实现对应通道关断,双引脚均低电平时进入待机模式。此外,芯片对外部器件有明确选型要求,输出电感建议饱和电流 6A 以上,供电端需贴装 10uF 和 1uF 陶瓷电容且靠近管脚,供电电解电容推荐 470uF/50V,PCB 设计需保证大电流路径粗短走线、良好接地,散热片推荐 60mm×80mm×26mm 的高密齿状款式,确保芯片性能充分发挥。

一 、CS8726的特性

输出功率:4通道

VDD = 24V@RL = 4 Ω THD+N=10% Po=4X75W

VDD = 24V@RL=4 Ω THD+N=1% Po=4X62W

VDD = 26V@RL=4Ω THD+N=1% Po=4X70W

VDD = 26V@RL=4Ω

VDD = 28V@RL = 6Ω THD+N=1% Po=4X60W

输出功率:2.1应用:VDD=24V,THD+N=1%

Po=2X34W RL=8Ω(高音) Po=60W RL=4Ω(低音)

Po=2X60W RL=4Ω(高音) LPo=120W RL=2Ω(低音)

输出功率:2.0应用

VDD = 24V@RL = 3 Ω THD+N=1% Po=2X77W

VDD = 28V@RL = 4 Ω THD+N=1% Po=2X80W

单电源供电,宽电源电压范围:5V~28V

音频系统带滤波网络静态电流100mA@24V

高可靠性设计:36V耐压设计

单片可实现2.0,2.1,4.0等各种音响组合

效率:92%@PVCC=26VRL=8Ω Po=4X20W

良好短路保护和具备自动恢复功能的温度保护

良好的失真和防噗声功能

增强型封装设计:顶层散热焊盘的EFB40特殊设计

二 、CS8726的应用信息

1 、典型应用图

2、 引脚排列及定义

3、 功能框图

4 、基础参数

相关推荐