扫码加入

  • 正文
  • 相关推荐
申请入驻 产业图谱

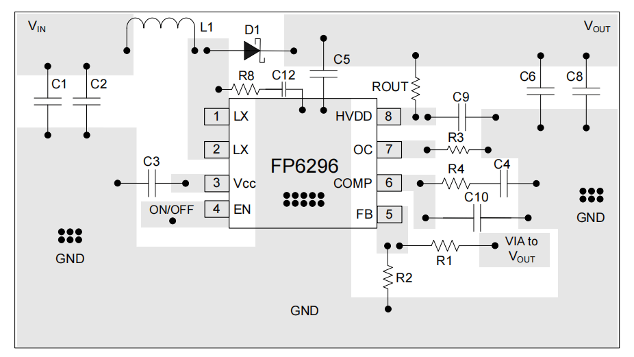
便携设备优选|FP6296内置MOS异步升压恒压芯片

10小时前
189
加入交流群
扫码加入
获取工程师必备礼包
参与热点资讯讨论

FP6296简要概述:

FP6296是一款高性能电流控制模式升压转换器,凭借内置大功率MOSFET、宽电压适配、高转换效率及丰富保护功能,可轻松实现单节锂电池15W(5V/3A)、双节锂电池30W(12V/2.5A)的输出能力。

芯片核心特性:

1.2.7V~12V宽输入电压范围适配单节、双节锂电池供电场景

2.内置低导通电阻(15mΩ)的大功率MOSFET,大幅降低导通损耗

3.SOP-8L(EP)封装,底部散热片(GND)可有效提升散热性能

4.丰富保护功能:过电流保护(OCP)、过温保护(OTP)、软启动功能、低关机功耗、欠压锁定(UVLO)

多重应用场景:

凭借宽电压适配、大功率输出、高集成度等优势,FP6296广泛应用于各类锂电池供电的便携设备,尤其适配需要大功率升压的场景,如快充移动电源、便携式音频设备、便携式工具与消费电子、其他便携设备。

总结:

在便携电子设备持续向大功率、小型化升级的趋势下,FP6296凭借其差异化的性能优势,有望在更多领域实现应用突破,成为电源管理芯片领域的主流选择之一。

相关推荐