• 正文
  • 相关推荐
申请入驻 产业图谱

芯伯乐XBLW SN75176B/SN65176B:高性能RS485/RS422总线收发器

04/22 08:48
216
加入交流群
扫码加入
获取工程师必备礼包
参与热点资讯讨论

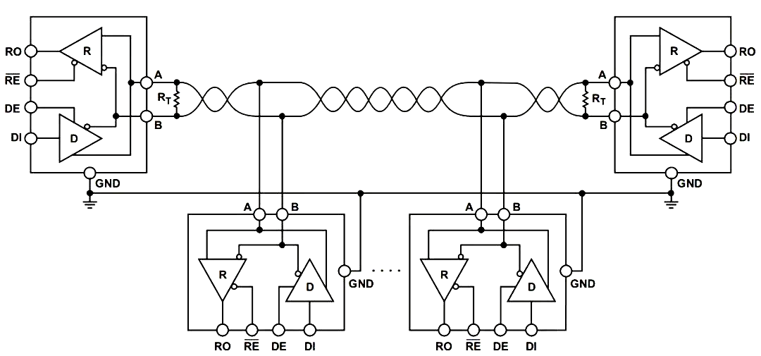
工业控制、楼宇自动化、电机驱动数据采集等应用中,RS485总线以其长距离传输、抗干扰能力强及支持多点通信的优势,长期占据主导地位。而一颗稳定、高速、兼容性强的收发器芯片,则是保证总线通信质量的核心。

芯伯乐(XBLW)的XBLW SN75176B/SN65176B差分总线收发器。该芯片专为多点数据传输设计,完全符合EIA标准RS485协议,并兼容RS422协议。

核心特点:

宽共模范围,强抗干扰能力

SN75176B/SN65176B支持7V至+12V的扩展共模电压范围。显著提升了系统在恶劣工业环境中的可靠性。

单+5V供电,高速传输

芯片采用单一+5V电源供电,集成度高,使用方便。其驱动器的传播延迟仅为22ns,能够满足高速数据通信的需求。

多点通信能力

该器件的驱动器输出和接收器输入的组合阻抗小于一个RS485单位负载,一条总线上最多允许挂载多达32个收发器,非常适合复杂的节点网络。

完善的保护机制

热关断保护:当总线发生冲突或短路导致片内功耗过大时,热关断电路会强制驱动器输出进入高阻抗状态,有效防止器件损坏。

失效安全设计:接收器具有典型的70mV迟滞,并且当输入端开路时,输出呈高阻抗状态,提高了信号的稳定性。

低功耗与灵活关断

无论是在驱动器三态模式下,还是在器件断电状态下,其总线引脚在整个共模范围内均呈现高阻抗,这允许总线上未使用的设备完全断电,从而降低系统整体功耗。

型号与封装选择

XBLW SN75176B/SN65176B系列提供DIP8和SOP8两种封装形式,以满足不同设计需求:

>注:SN65176B与SN75176B的主要区别在于工作温度范围。SN65176B支持工业级温度范围(40°C至+105°C),而SN75176B为商用级(0°C至+70°C)。工程师可根据具体应用环境灵活选型。

极限参数与推荐工作条件

为了确保器件的长期稳定运行,请务必遵守以下极限参数:

推荐工作条件:

电源电压(VCC):75V至5.25V

线电压(共模或差模):-7V至+12V

工作温度(TA):

SN75176B:0°C至+70°C

SN65176B:40°C至+105°C

开关特性与时序

对于高速通信而言,时序参数至关重要。以下是部分关键时序(CL=100pF、RLDIFF=60Ω):

驱动器传输延迟(tPLH/tPHL):12ns

驱动器上升/下降时间(tr/tf):18ns

接收器传输延迟(tPHL):30ns

接收器使能到输出(tZL/tZH):最快可达11ns

功能逻辑简表

发送模式(Transmitting)

注:当检测到短路或总线争用故障时,热关断保护将启动,X为任意状态。

接收模式(Receiving)

注:接收器具有失效安全设计,开路时输出为高阻,X为任意状态。

结语

XBLW SN75176B/SN65176B凭借其高速率、宽共模范围、强驱动能力以及完善的热保护功能,是一款非常适合工业现场、智能仪表及电机驱动等领域的RS485通信接口芯片。其工业级型号(SN65176B)更是能在40°C至+105°C的严苛环境下稳定工作,为系统设计提供了更高的可靠性保障。

相关推荐