扫码加入

  • 方案介绍
  • 相关推荐
申请入驻 产业图谱

自动加水报警器的设计

02/10 17:28
883
加入交流群
扫码加入
获取工程师必备礼包
参与热点资讯讨论
自动水满报警器是当今运用十分广泛的报警器产品,在消防部门,公司安全和人们的日常生活都发挥着重要的作用。该电路设计方法颇多,但其功能都是唯一的,实现水满后自动报警,而工作原理,分析方法,电路调试等都根据具体电路而定,所以对电路工作原理分析和电路安装与调试处理技术犹为重要。本文从自动水满报警功能出发设计了一个功能较为完善的电路,并对电路工作原理和元件参数选择处理进行了系统的分析,根据工作原理和调试的结果,从所存在的一些问题着手解决,改变电路结构和元件参数,进而更准确地制作完成电路功能。

关键词:报警器 ; 工作原理 ;PCB制作流程 ; 安装与调试

1 引言
现在生活好了,很多家庭都用上了太阳能热水器,其应用太阳能,清洁无污染,实用价廉,深受喜欢。但市场上出售的大多太阳能热水器水满报警装置太简陋,只设了一条回水管,水从回水管流出来很容易被忽视,易造成水的浪费,而现在却出现了水满报警装置采用了水满自动报警。这种“水满信号”容易被发现,如文中图1报警电路所示,它代替回水管的使用,当太阳能水满时,报警器发出柔和的报警音以提醒水满,关闭阀门后,报警音自动停止。它克服了传统回水管易老化,易断,易堵,易冻,费水和水满无声容易遗忘而漫水的缺点等等。因效果好能发声报警并且在市场上价格也较低,所以自动水满报警器广泛应用于太阳能热水器、水箱及储水池等。
结合以上所述,太阳能热水器以节能、无污染等优点,逐渐为企事业单位和家庭广泛使用,但热水器水箱水位在使用时不易观测,有时突然出现中途断水情况,会给使用者带来诸多不便。为此我设计了太阳能热水器水位自动水满报警器,它能在水箱里储水不多,或加入冷水过多时,自动发出约30秒钟的音乐报警,同时配以下灯光指示。

2电路原理图

在这里插入图片描述

3工作原理
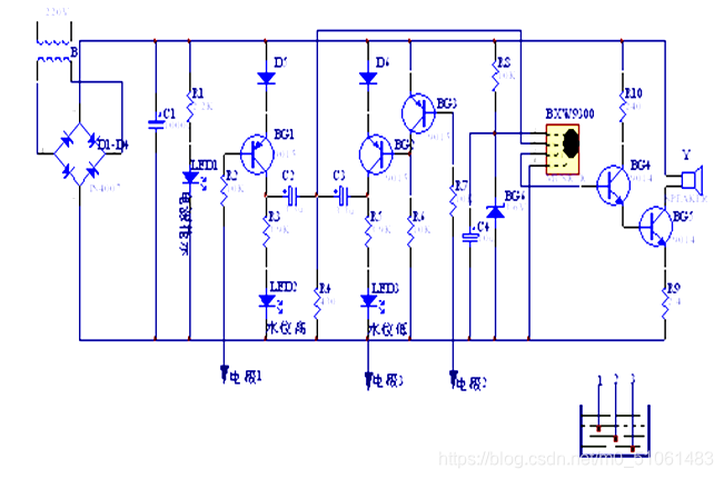
该报警器电路原理如图所示。图中D1~D4为全波整流器,为电路提供12V直流工作电压,LED1为电源指示灯,R8、BG6和C4为音乐块IC(BXW9300)提供3.6V的工作电压。IC的1端接正电源,4端接地,2端接触发输入端,3端为音乐信号输出端。BG4和BG5将输出信号进行功率放大,以推动扬声器发出报警声。
水位信号由电极1、2、3测得,电极3为公共信号电极。正常情况下,水位低于电极1高于电极2(末端),BG1基极相当于悬空,BG1截止,高水位指示灯LED2不发光。电极2、3都浸在水中,相当于接有一电阻(约10k)。BG3的ed结、R7和电极2、3构成偏置电路,使BG3饱和导通。这时ec间电压约0.3V,`使D6和BG2的eb结上电压箝位于0.3V,BG2因得不到足够的偏压而截止,BG2基极电压为零,低水位指示灯LED3不发光,整个报警系统处于待命状态。
热水器使用时,水箱内的水位将逐渐下,当水位低于电极2时,电极2、3断开,BG3因其偏置电路不通而截止。BG2因其eb结和R6构成偏置电路而导通。由C3和R4构成的微分电路在BG2基极电位突变的同时在C2、C3结点处得到一正向脉冲,该脉冲输入到音乐块IC的2端,触发IC工作,IC内存乐曲放完一次(约30秒钟)后,因IC 2端无触发脉冲而自行停止报警。
同理,当水箱中加冷水超过电极1时,BG1导通,BG1集电极由零电位升到高电位,高水位指示灯LED2发光。同时C2和R4构成的微分电路使C2、C3结点得到一正向脉冲,该脉冲触发IC工作,报警器发出报警信号,音乐块内存乐曲放完一次后报警自动结束[3]。

相关推荐