扫码加入

  • 方案介绍
  • 相关推荐
申请入驻 产业图谱

基于单片机的八路抢答器设计

01/15 15:51
1025
加入交流群
扫码加入
获取工程师必备礼包
参与热点资讯讨论
文末下载完整资料
1.1八路扫描式抢答器的概述
本文介绍的八路数显抢答器具有电路简单、成本较低、操作方便、灵敏可靠等优点,经使用效果良好, 具有较高的推广价值。无线遥控抢答器,它由8个发射器和1个接收器组成,可用于8组或8组以下的智力竞赛中。比赛前,将参赛组从0至7编号,每组发给对应的一个发射器。将接收器放于各组中央或前方。主持人按一下启动键后,抢答开始。此后,哪一组最先按下发射器上的抢答键,接收器就立即显示该组的组号并锁定,同时发出3次清脆的“叮咚”声。以后,按下任何一路抢答键均不起反映。只有主持人再次按动启动键后,才能进行下一次抢答该电路由直流稳压电源、抢答器、超时报警与电子计分四部分组成。
1.2本设计任务及要求
任务:设计一个供8名选手参加八路扫描式抢答器。
1.3系统主要功能
每名选手有一个抢答按钮,按钮的编号与选手的编号相对应,抢答器具有第一个抢答信号的鉴别和数据锁存、显示的功能。抢答开始后,若有选手按抢答按钮,刚该选手指示灯亮,并在数码管上显示相应编号,扬声器发出音响提示。同时,电路应具备自锁功能,禁止其他选手再抢答,优先抢答选手的编号一直保持到主持人将系统清0 为止。抢答器具有计分、显示功能。预置分数可由主持人设定,并显示在每名选手的计分牌上,选手答对加10分,答错扣10分。抢答器具有定时抢答的功能。一次抢答的时间由主持人设定,在主持人发出抢答指令后,定时器立即进行减计时,并在显示器上显示,同时扬声器发出短暂声响,声响时间持续0.5s左右。选手在设定的时间内进行抢答,抢答有效,定时器停止工作,显示器显示选手编号和抢答时刻的时间,并保持到主持人将系统清0为止。
第2节 系统硬件设计
2.1芯片的选择
本设计使用到的元器件包括:8051芯片、数码LED显示器、七段LED数码管的译码。
2.2工作原理
基于这个设计的上述要求,根据功能要求,须设计有抢答电路、译码显示电路、主持人控制电路、定时电路、报警电路,各个电路都有其自己的功能。通过复位按键FW,电路进入就绪状态,等待抢答。首先由主持人根据题目的难易程度,可以用“JIA SHI”和“JIAN SHA”两个按键,设定时间在(0S-99S)之间,然后再由主持人发布抢答命令(按下KS按键)同时发光二极管随即变亮,当看到二极管亮,进入倒计时状态和抢答状态。在电路中“S1-S8”为8路抢答器的8个按键,如果有人按下按键,程序就会判断是谁先按下的,然后从P2口输出抢答者号码的七段码值,经GAL16V8驱动,送到码管显示,并封锁键盘,保持刚才按键按下时刻的时间,禁止其他人按键的输入,从而实现了抢答的功能。如果在设定的时间中没有一个人按下按键,一到时间,则产生报警信号已经超时,不可以抢答。当要进行下一次的抢答时,由主持人先按一下复位按键FW,电路复位,进入下一次抢答的就绪状态。
2.3系统的硬件构成及功能
2.3.1 抢答器的电路框图
&emsp如图11、1所示为电路框图。其工作原理为:接通电源后,主持人将开关拨到“清除”状态,抢答器处于禁止状态,编号显示器灭灯,定时器显示设定时间;主持人将开关置,“开始”状态,宣布“开始”抢答器工作。定时器倒计时,扬声器给出声响提示。选手在定时时间内抢答时,抢答器完成:优先判断、编号锁存、编号显示、扬声器提示。当一轮抢答之后,定时器停止、禁止二次抢答、定时器显示剩余时间。如果再次抢答必须由主持人再次操作"清除"和"开始"状态开关。

在这里插入图片描述
在这里插入图片描述

2.3.2 单元电路设计
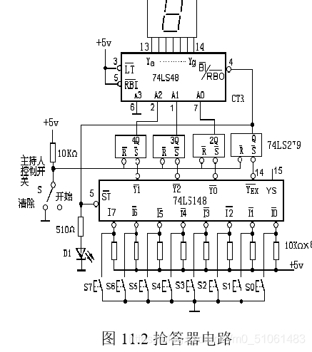
(1)抢答器电路
参考电路如图11.2所示。该电路完成两个功能:一是分辨出选手按键的先后,并锁存优先抢答者的编号,同时译码显示电路显示编号;二是禁止其他选手按键操作无效。工作过程:开关S置于“清除”端时,RS触发器的 端均为0,4个触发器输出置0,使74LS148的 =0,使之处于工作状态。当开关S置于"开始"时,抢答器处于等待工作状态,当有选手将键按下时(如按下S5),74LS148的输出 经RS锁存后,1Q=1, =1,74LS48处于工作状态,4Q3Q2Q=101,经译码显示为"5"。此外,1Q=1,使74LS148 =1,处于禁止状态,封锁其他按键的输入。当按键松开即按下时,74LS148的 此时由于仍为1Q=1,使=1,所以74LS148仍处于禁止状态,确保不会出二次按键时输入信号,保证了抢答者的优先性。如有再次抢答需由主持人将S开关重新置,“清除”然后再进行下一轮抢答。74LS148为8线-3线优先编码器,表11、1为其功能表。

在这里插入图片描述

(2)时序控制电路设计
时序控制电路是抢答器设计的关键,它要完成以下功能:
a.主持人将控制开关拨到"开始"位置时,扬声器发声,抢答电路和定时电路进人正常抢答工作状态。
b.当参赛选手按动抢答键时,扬声器发声,抢答电路和定时电路停止工作。
(3)复位电路的设计
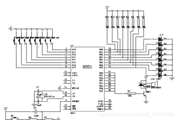
当MCS-5l系列单片机的复位引脚RST(全称RESET)出现2个机器周期以上的高电平时,单片机就执行复位作。如果RST持续为高电平,单片机就处于循环复位状态。根据应用的要求,复位作通常有两种基本形式:上电复位和上电或开关复位。8051的复位方式可以是自动复位,也可以是手动复位,见下图。此外,RESET/Vpd还是一复用脚,VCC掉电期间,此脚可接上备用电源,以保证单片机内部RAM的数据不丢失。
2.3.3 定时电路设计
为了达到抢答的合理性、完整性、可控性,需根据题目的难易程度的不同设定相应的抢答时间。所以本设计设置了抢答定时电路。它包括两个按键,一个是加(JIA SHI)、另一个是减(JIAN SHI),该两个按键由主持人用于在发布开始命令之前设定时间(可以设定在00S-99S),每按一下“JIA SHI”按键就会在原来的数字的基础上加上一,如果是按的“JIAN SHI”按键就会在原来的数值上减去一。
2.3.4 报警电路设计
报警电路用于报警,当遇到报警信号时,发出警报。一般喇叭是一种电感性.图11.4报警电路图。8051驱动喇叭的信号为各种频率的脉冲。因此,最简单的喇叭驱动方式就是利用达林顿晶体管,或者以两个常用的小晶体管连接成达林顿架势。在右图中电阻R为限流电阻,在此利用晶体管的高电流增益,以达到电路快速饱和的目的。不过,如果要由P0输出到此电路,还需要连接一个10K的上拉电阻
选手在设定的时间内抢答时,实现:优先判断、编号锁存、编号显示、扬声器提示。当一轮抢答之后,定时器停止、禁止二次抢答、定时器显示剩余时间。如果再次抢答必须由主持人再次*作"清除"和"开始"状态开关。图面是数字抢答器的报警电路图。

 

全套资料免费下载:
关注v-x-公-众-号:【嵌入式基地
后-台-回-复:【毕业设计】 即可获资料
回复【编程】即可获取
包括有:C、C++、C#、JAVA、Python、JavaScript、PHP、数据库、微信小程序、人工智能、嵌入式、Linux、Unix、QT、物联网、算法导论、大数据等资料

在这里插入图片描述

相关推荐