扫码加入

  • 方案介绍
  • 相关推荐
申请入驻 产业图谱

【物联网毕设】厨房监测系统-图传+STM32+APP+MQTT

02/06 16:50
2258
加入交流群
扫码加入
获取工程师必备礼包
参与热点资讯讨论

目录

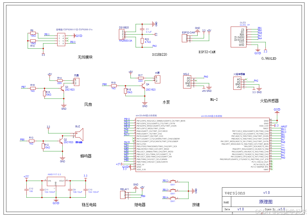
一 连线图

1 原理图

2 PCB效果

3 实物效果

4 APP效果

5 功能概括

(1)硬件端

(2)APP端

(3)ESP32端

(3)云平台使用(需要可以找我获取)

(4)演示视频

二 底层代码使用方式

1 使用说明

2 下载程序

三 APP使用方式

1下载APP

四 程序架构及修改(通用)


前言

该系统基于ESP8266-01s和STM32F103C8T6为核心,通过温湿度传感器火焰传感器和MQ-2气体传感器实时监测厨房环境参数,异常时触发声光报警(蜂鸣器+LED)、自动通风(风扇)或喷水灭火(水泵)。OLED屏本地显示状态信息,按键提供本地控制,ESP32-CAM支持APP远程查看实时图像。APP端采用MQTT协议通信,实现数据可视化、阈值设置、超标预警及远程控制风扇启停,形成完整的智能厨房安全监控解决方案。


关注微信公众号--星之援工作室 发送关键字(项目清单)
可获取项目清单资料

➡️➡️


⚠️⚠️(本文章仅提供思路和实现方法,并不包含代码,需要代码的同学请自行联系博主)

⚠️⚠️(有疑问或需要定制或者技术支持等,也请自行联系博主)⚠️⚠️


一 连线图

1 原理图

2. 开发板本身自带一个LED ,这个LED作为我们查看网络连接状态和获取数据状态的说明

(1)首先需要打开我们的WIFI热点让设备进行联网操作,看到显示数据界面,即可进行下一步功能测试

(2)硬件每隔几秒会向APP传输一次数据。

热点名字:NET密码:12345678,请使用2.4GHZ频率的无线网。

2 PCB效果

3 实物效果

4 APP效果

5 功能概括

(1)硬件端

  1. ESP8266-01s:使用wifi模块进行联网使用;
  2. STM32F103C8T6:用于所有程序的中控和模块数据通信
  3. 温湿度传感器(DS18B20):用于检测环境的温度;
  4. 风扇控制:在检测到烟雾或有害气体浓度过高时,自动启动风扇进行通风。
  5. 自动喷水灭火:在检测到火灾时,自动启动喷水灭火系统(水泵)进行灭火。
  6. 0.96OLED显示器:显示厨房状态等信息
  7. 火焰传感器:用于检测厨房是否存在明火;
  8. MQ-2:用于检测环境的的有害气体浓度是否超过阈值;
  9. 蜂鸣器与LED:实现声光报警,用于异常数据的报警处理(火灾,有害);
  10. 按键:可以进行电器的一键控制;
  11. ESP32-CAM:可以使用APP进行图像获取

(2)APP端

  1. 使用MQTT协议与设备进行信息交互;
  2. 可采集到底层设备数据并且展示到界面UI;
  3. 可以远程设置温度报警阈值、有害气体浓度阈值;
  4. 可以远程查看数据是否超标,界面会出现提示信息;
  5. 可以一键控制排风扇开启和关闭;
  6. 可以设置对应的图像IP地址进行图像获取

(3)ESP32端

  1. APP填写对应的IP地址,即可查看图像

如果手机热点查看不到IP地址,可以直接使用电脑打开对应的热点信息,电脑可以直接查看到IP地址(电脑需要与APP在同一网络的环境下哦)

(3)云平台使用(需要可以找我获取)

只是链接各个设备使用,采用MQTT即时通讯;

(4)演示视频

通过网盘分享的文件:60.1.厨房监测系统-图传.mp4

链接: https://pan.baidu.com/s/1YvzwmQF9Mnq897Ou9UpZIQ?pwd=XZY0 提取码: XZY0

--来自百度网盘超级会员v6的分享

二 底层代码使用方式

1 使用说明

(1). 使用的时候设备会自动连接WIFI

热点名字:NET密码:12345678,请使用2.4GHZ频率的无线网。

(2). 按键一可以控制阀门开启和关闭

(多看视频,视频中有完整功能演示)

(多看视频,视频中有完整功能演示)

(多看视频,视频中有完整功能演示)

2 下载程序

  1. 先根据原理图进行连线,连接好以后在做后面的操作
  2. 打开手机热点 热点名字:NET密码:12345678
  3. 打开程序(硬件由工作室出的可以忽略下载程序这部分)

三 APP使用方式

1下载APP

(1)操作方式:

使用Android手机安装APK进行操控

安装Android studio导入项目使用模拟器

官网下载最新版本

https://developer.android.google.cn/studio?hl=zh-cn

安装包(工作室使用版本)链接:

https://pan.baidu.com/s/1DnRGWeJt7XBTmzqHj1KRSQ?pwd=xzy0

提取码:xzy0

安装教程

https://zhuanlan.zhihu.com/p/528196912

(2)使用说明

打开APP后设备会自动订阅MQTT主题,等待1-5秒APP会自动获取到设备上的数据,若5秒内没有获取到设备数据,则请检测设备是否在线,若在线,则请重新打开APP进行数据的获取

(多看视频,视频中有完整功能演示)

(多看视频,视频中有完整功能演示)

(多看视频,视频中有完整功能演示)

四 程序架构及修改(通用)

链接:

https://pan.baidu.com/s/1TZkvdEOp-ERgi-2A1o-KWw?pwd=XZY0

提取码:XZY0

APP参数修改

 

联系方式 微信号:13648103287

相关推荐