• 资料介绍
  • 相关推荐
申请入驻 产业图谱

抗噪液晶驱动芯片液晶显示驱动IC超小体积段码驱动 VK1625

04/14 08:07
322
加入交流群
扫码加入
获取工程师必备礼包
参与热点资讯讨论

抗噪液晶驱动芯片液晶显示驱动IC超小体积段码驱动 VK1625

110.07 KB

VK1625是一个点阵式存储映射的LCD驱动器,可支持最大512点(64EGx8COM)的LCD屏。

单片机可通过3/4线串行接口配置显示参数和发送显示数据,也可通过指令进入省电模式。Z105+68

特点

  • 工作电压 2.4-5.2V
  • 内置32 kHz RC振荡器(上电默认)
  • 可外接32kHz时钟源或32.768KHz晶体振荡器
  • 偏置电压(BIAS)固定为1/4
  • COM周期(DUTY)固定为1/8
  • 内置显示RAM为64x8位
  • 蜂鸣器频率可配置为2kHz、4kHz
  • 省电模式(通过关显示和关振荡器进入)
  • 时基和看门狗共用1个时钟源,可配置8种频率
  • 时基或看门狗溢出信号输出脚为/IRQ脚 (开漏)
  • 3/4线串行接口
  • 软件配置LCD显示参数
  • 写命令和读写数据2种命令格式
  • 读写显示数据地址自动加1
  • VLCD脚提供LCD驱动电压(<VDD

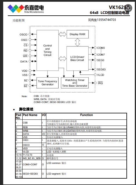
3 应用领域 永嘉微电 Vinka Microelectronics VK1625是一个点阵式存储映射的LCD驱动器,可支持最大512 点(64EGx8COM)的LCD屏。单片机可通过3/4线串行接口配 置显示参数和发送显示数据,也可通过指令进入省电模式。 VK1625 64×8 LCD显示驱动芯片 • 工作电压 2.4-5.2V • 内置32 kHz RC振荡器(上电默认) • 可外接32kHz时钟源或32.768KHz晶体振荡器 • 偏置电压(BIAS)固定为1/4 • COM周期(DUTY)固定为1/8 • 内置显示RAM为64x8位 • 蜂鸣器频率可配置为2kHz、4kHz • 省电模式(通过关显示和关振荡器进入) • 时基和看门狗共用1个时钟源,可配置8种频率 • 时基或看门狗溢出信号输出脚为/IRQ脚 (开漏) • 3/4线串行接口 • 软件配置LCD显示参数 • 写命令和读写数据2种命令格式 • 读写显示数据地址自动加1 • VLCD脚提供LCD驱动电压(<VDD) • 封装 LQFP100(14.0mm×14.0mm PP=0.5mm) QFP100(20.0mm×14.0mm PP=0.65mm) DICE COG • 计数器 • 家用电器 • 仪器表盘

LCD/LED控制器及驱动器系列芯片简介如下:

RAM映射LCD控制器和驱动器系列:

VK1024B  2.4V~5.2V   6seg*4com  6*3   6*2    偏置电压1/2 1/3   S0P16  省电模式

VK1056B  2.4V~5.2V   14seg*4com   14*3  14*2   偏置电压1/2 1/3   SOP24  省电模式

VK1056C  2.4V~5.2V   14seg*4com   14*3  14*2    偏置电压1/2 1/3   SSOP24 省电模式

VK1072B  2.4V~5.2V   18seg*4com   18*3  18*2    偏置电压1/2 1/3   SOP28  省电模式

VK1072C  2.4V~5.2V   18seg*4com  18*3  18*2    偏置电压1/2 1/3   SOP28  省电模式

VK1072D  2.4V~5.2V   18seg*4com  18*3  18*2   偏置电压1/2 1/3   SSOP28 省电模式

VK1088B  2.4V~5.2V   22seg*4com  22*3   22*2   偏置电压1/2 1/3 QFN32(4*4mm PP=0.4mm)超小体积

VK1128C    2.4V~5.2V    32seg*4com   32*3    32*2     偏置电压1/2 1/3  QFN48 (5*5mm PP=0.35mm)超小体积

VK0192M   2.4V~5.2V   24seg*8com              偏置电压1/4      LQFP44 省电模式

VK0256   2.4V~5.2V   32seg*8com             偏置电压1/4      QFP64  省电模式

VK0256B  2.4V~5.2V   32seg*8com              偏置电压1/4      LQFP64 省电模式

VK0256C  2.4V~5.2V   32seg*8com             偏置电压1/4     LQFP52 省电模式

VK0384   2.4V~5.2V     48seg*8com              偏置电压1/4       LQFP64 省电模式

VK1621     2.4V~5.2V   32seg*4com  32*3 32*2        偏置电压1/2 1/3    LQFP44(QFP44正方形)/LQFP48/SSOP48/SDIP28;DICE/DIE裸片(绑定COB);COG(绑定玻璃)          省电模式

VK1622    2.4V~5.2V   32seg*8com              偏置电压1/4   LQFP44/LQFP48/LQFP52/LQFP64/QFP64;DICE/DIE裸片(绑定COB);COG(绑定玻璃) 省电模式

VK1623    2.4V~5.2V   48seg*8com              偏置电压1/4      LQFP100/QFP100;DICE/DIE

裸片(绑定COB);COG(绑定玻璃)  省电模式

VK1625   2.4V~5.2V   64seg*8com             偏置电压1/4      LQFP100/QFP100;DICE/DIE

裸片(绑定COB);COG(绑定玻璃)  省电模式

VK1626   2.4V~5.2V   48seg*16com             偏置电压1/5      LQFP100/QFP100;DICE/DIE裸片(绑定COB)  省电模式

——————————————————————————————————————————————————

抗干扰LCD液晶控制器及驱动系列:

VK1C21A  2.4~5.2V  32seg*4com       偏置电压1/2 1/3  3线/4线通讯接口   SSOP48;DICE/DIE裸片(绑定COB);COG(绑定玻璃)     高抗干扰/抗噪/低功耗

VK1C21B  2.4~5.2V  32seg*4com       偏置电压1/2 1/3  3线/4线通讯接口   LQFP48;DICE/DIE裸片(绑定COB);COG(绑定玻璃)     高抗干扰/抗噪/低功耗

VK1C21C  2.4~5.2V  32seg*4com       偏置电压1/2 1/3  3线通讯接口        LQFP44;DICE/DIE裸片(绑定COB);COG(绑定玻璃)     高抗干扰/抗噪/低功耗

VK1C21D  2.4~5.2V  18seg*4com       偏置电压1/2 1/3  3线通讯接口    SOP28  高抗干扰/抗噪/低功耗

VK1C21DA  2.4~5.2V  18seg*4com       偏置电压1/2 1/3  3线通讯接口    SSOP28 高抗干扰/抗噪/低功耗

VK1C21E   2.4~5.2V  14seg*4com       偏置电压1/2 1/3  3线通讯接口    SOP24  高抗干扰/抗噪/低功耗

VK1C21EA   2.4~5.2V  14seg*4com       偏置电压1/2 1/3  3线通讯接口    SSOP24 高抗干扰/抗噪/低功耗

———————————————————————————————————————————————————

VK2C21A  2.4~5.5V  20seg*4com  16*8  偏置电压1/3 1/4  I2C通讯接口   SOP28;DICE/DIE裸片(绑定COB);COG(绑定玻璃)     高抗干扰/抗噪/低功耗

VK2C21AA  2.4~5.5V  20seg*4com  16*8  偏置电压1/3 1/4  I2C通讯接口   SSOP28;DICE/DIE裸片(绑定COB);COG(绑定玻璃)     高抗干扰/抗噪/低功耗

VK2C21B  2.4~5.5V  16seg*4com  12*8  偏置电压1/3 1/4  I2C通讯接口  SOP24;DICE/DIE裸片(绑定COB);COG(绑定玻璃)     高抗干扰/抗噪/低功耗

VK2C21BA  2.4~5.5V  16seg*4com  12*8  偏置电压1/3 1/4  I2C通讯接口  SSOP24;DICE/DIE裸片(绑定COB);COG(绑定玻璃)     高抗干扰/抗噪/低功耗

VK2C21C  2.4~5.5V  12seg*4com  8*8   偏置电压1/3 1/4  I2C通讯接口  SOP20;DICE/DIE裸片(绑定COB);COG(绑定玻璃)     高抗干扰/抗噪/低功耗

VK2C21D  2.4~5.5V  8seg*4com  4*8  偏置电压1/3 1/4  I2C通讯接口  NSOP16;DICE/DIE裸片(绑定COB);COG(绑定玻璃)     高抗干扰/抗噪/低功耗

VK2C22A  2.4~5.5V    44seg*4com      偏置电压1/2 1/3  I2C通讯接口  LQFP52;DICE/DIE裸片(绑定COB);COG(绑定玻璃)     高抗干扰/抗噪/低功耗

VK2C22B  2.4~5.5V  40seg*4com      偏置电压1/2 1/3  I2C通讯接口  LQFP48;DICE/DIE裸片(绑定COB);COG(绑定玻璃)     高抗干扰/抗噪/低功耗

VK2C23A  2.4~5.5V  56seg*4com   52*8 偏置电压1/3 1/4  I2C通讯接口  LQFP64;DICE/DIE裸片(绑定COB);COG(绑定玻璃)     高抗干扰/抗噪/低功耗

VK2C23B  2.4~5.5V  36seg*8com      偏置电压1/3 1/4   I2C通讯接口  LQFP48;DICE/DIE裸片(绑定COB);COG(绑定玻璃)     高抗干扰/抗噪/低功耗

VK2C24A  2.4~5.5V  72seg*4com  68*8 60*16  偏置电压1/3 1/4 1/5  I2C通讯接口  LQFP80;DICE/DIE裸片(绑定COB);COG(绑定玻璃)     高抗干扰/抗噪/低功耗

VK2C24B  2.4~5.5V  56seg*4com  52*8 44*16  偏置电压1/3 1/4 1/5  I2C通讯接口  LQFP64;DICE/DIE裸片(绑定COB);COG(绑定玻璃)     高抗干扰/抗噪/低功耗

——————————————————————————————————————————————————

超低功耗LCD液晶控制器及驱动系列:

VKL060   2.5~5.5V 15seg*4com  偏置电压1/2 1/3  I2C通讯接口 SSOP24  超低功耗/抗干扰

VKL076   2.5~5.5V 19seg*4com  偏置电压1/2 1/3  I2C通讯接口 SSOP28  超低功耗/抗干扰

VKL128   2.5~5.5V 32seg*4com  偏置电压1/2 1/3  I2C通讯接口 LQFP44  超低功耗/抗干扰

VKL144A  2.5~5.5V 36seg*4com  偏置电压1/2 1/3  I2C通讯接口 TSSOP48超低功耗/抗干扰

VKL144B  2.5~5.5V  36seg*4com  偏置电压1/2 1/3  I2C通讯接口 QFN48(6*6超小体积) 超低功耗/抗干扰

——————————————————————————————————————————————————

静态显示LCD液晶控制器及驱动系列:

VKS118  2.4~5.2V 118seg*1com  偏置电压 --     4线通讯接口  LQFP128  可视角大,对比度好,不闪烁

VKS232  2.4~5.2V 116seg*2com  偏置电压1/1 1/2    4线通讯接口  LQFP128 可视角大,对比度好,不闪烁

(永嘉微电/VINKA原厂-FAE技术支持,主营LCD驱动IC; LED驱动IC; 触摸ICLDO稳压IC; 水位检测IC)

LCD驱动、液晶显示IC、LCD显示、液晶显示、显示LCD、段码液晶屏驱动、LCD液晶显示、段码屏LCD驱动、LCD显示驱动芯片、LCD显示驱动IC、液晶驱动原厂、LCD屏驱动、液晶屏驱动、驱动LCD、驱动液晶、LCD驱动控制器、液晶显示驱动原厂、段码LCD驱动、液晶段码屏驱动、液晶显示驱动芯片、点阵式液晶显示驱动、点阵式液晶显示IC、液晶驱动IC、液晶驱动芯片、LCD芯片、液晶芯片、液晶驱动控制器、液晶IC、段码驱动显示IC、笔段式液晶驱动、LCD液晶显示驱动、液晶LCD显示驱动、段码屏驱动厂家、段码驱动IC、段码驱动芯片、段码屏显IC、

相关推荐