扫码加入

  • 产品详情
  • 附件下载
申请入驻 产业图谱

轨到轨运算放大器

  • 型号:AiP8731/AiP8732/AiP8733/AiP8734/AiP8739
  • 制造商:中微爱芯
联系方式:15190238456

产品详情

附件下载

介绍

在音频输出、精密电流检测等对信号质量要求严苛的场景中,“低噪声”是保障信号纯净度的核心刚需,“宽带宽”是保障高频信号不失真的关键,中微爱芯推出一款AiP873X系列轨到轨运算放大器,恰好精准匹配这两大市场需求。该系列电路电源电压为5V、输入输出轨到轨,具有低失调电压输入电压、低电流噪声和宽信号带宽特性。其中,AiP8731为单通道运放,AiP8732为双通道运放,AiP8734为四通道运放;AiP8733和AiP8739为单通道和双通道带使能型号,可实现低功耗待机模式。应用于音频输出、热电偶放大器、精密电流检测、光电二极管放大器等。

产品优势

  • 低噪声特性:1kHz频率下噪声仅为7.3 nV/√Hz,有效抑制信号干扰,保障微弱信号传输精度。
  • 宽频响应:该系列产品的增益带宽积达20MHZ,可稳定支持宽信号带宽场景,满足高频信号处理需求。

主要特点

  • 电源范围:2.2V~5.5V
  • 增益带宽积:20MHz
  • 电源电流:3.2mA/ch
  • 压摆率:12V/us
  • 噪声:7.3nV/√Hz@f=1kHz
  • 输入偏置电流:0.3pA (typ)
  • 失调电压:1mV (max)
  • 封装形式:
    - AiP8731:SOT23-5,SOT353,SOP8,MSOP8
    - AiP8732:SOP8,MSOP8,TSSOP8
    - AiP8733:SOT23-6,SOP8
    - AiP8734:SOP14,TSSOP14
    - AiP8739:MSOP10

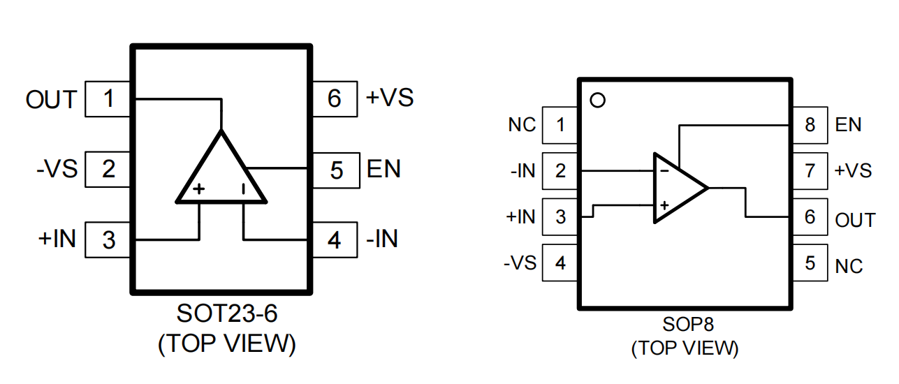
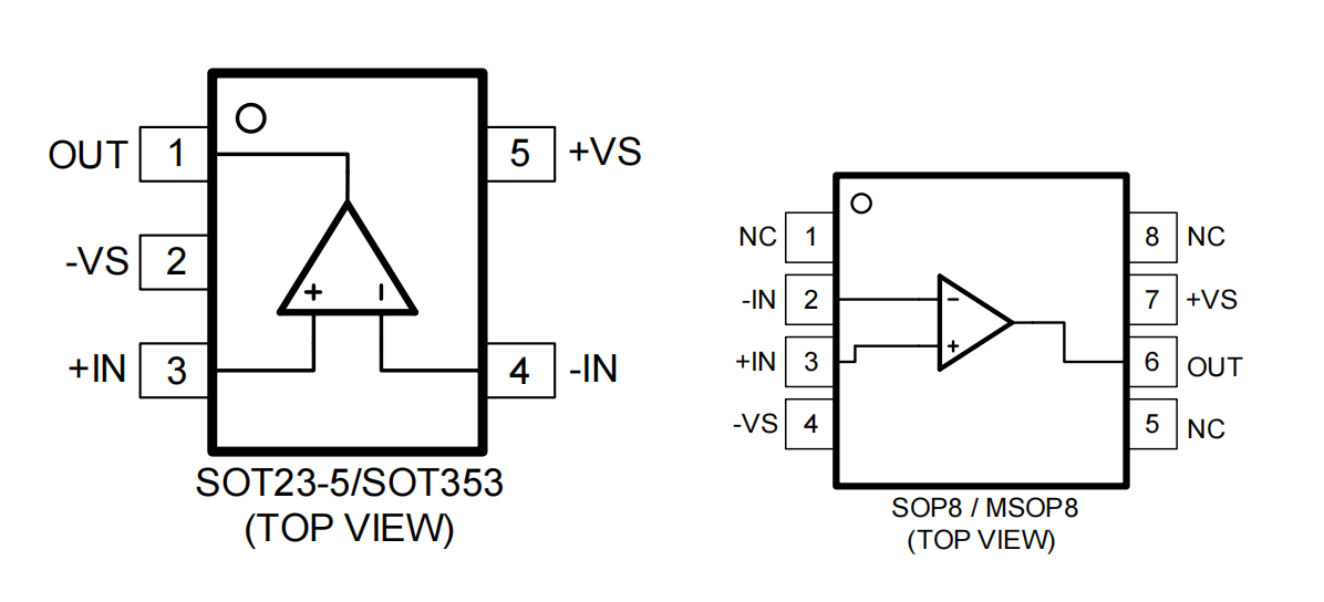
引脚排列图

AiP8731:

AiP8732:

AiP8733:

AiP8734:

AiP8739:

AiP873X详细参数见下表:

  • AiP8731 AiP8732 AiP8733 AiP8734 AiP8739(中文).pdf
    下载