• 正文
  • 推荐器件
  • 相关推荐
申请入驻 产业图谱

昂科烧录器支持Silicon labs芯科科技的8位微控制器C8051F310-GQ

2024/03/07
535
加入交流群
扫码加入
获取工程师必备礼包
参与热点资讯讨论

芯片烧录行业领导者-昂科技术近日发布最新的烧录软件更新及新增支持的芯片型号列表,其中Silicon labs芯科科技的8位微控制器C8051F310-GQ已经被昂科的通用烧录平台AP8000所支持。

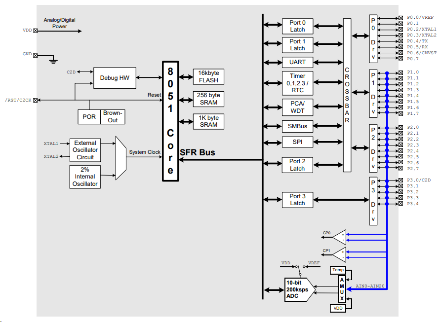
C8051F310-GQ是高度集成的混合信号8位微控制器,其特征是具有强大的8051内核,性能为25 MHz。C8051F310-GQ具有16kB闪存、1.25kB RAM以及其他通信接口和4x16位定时器位于7x7mm的QFP32中。片上模拟功能包括一个10位、21英寸、200ksps ADC 和2个比较器。借助片上上电复位、VDD监控器、看门狗定时器和一个±2内部振荡器

C8051F310-GQ是真正的系统单芯片解决方案,并成为电池充电器、电子玩具和游戏、电机控制光通信等应用的理想之选。

产品特征

  • 模拟外设

– 10位ADC(仅限C8051F310/1/2/3/6)

– 最高200ksps

– 多达21、17或13个外部单端或差分输入

– 外部引脚或VDD的VREF

– 内置温度传感器

– 外部转换启动输入

  • 比较器

可编程滞后和响应时间

– 可配置为中断或复位源(比较器0)

– 低电流(<0.5µA)

  • 片上调试

– 片上调试电路可实现全速、无侵入式系统内调试(无需仿真器

– 提供断点、单步执行、检查/修改内存和寄存器

– 比使用ICE芯片、目标吊舱和插座的仿真系统性能优越

– 完整的开发套件

– 典型工作电流:25MHz时为5mA;32kHz时为11µA

– 典型停止模式电流:0.1µA

– 温度范围:-40°C至+85°C

  • 高速8051微控制器内核

– 流水线指令架构;在1或2个系统时钟内执行70%的指令

– 时钟频率为25 MHz时,吞吐量高达25 MIPS

– 扩展的中断处理程序

  • 记忆力

– 1280字节内部数据RAM (1024+256)

– 16kB(C8051F310/1/6/7)或8kB(C8051F312/3/4/5)闪存;512字节扇区中的系统内可编程

  • 数字外设

– 29/25/21端口I/O;全部5V容忍,具有高吸收电流

硬件增强UART、SMBus™和SPI串行端口

– 四个通用16位计数器/定时器

– 16位可编程计数器阵列(PCA),具有五个捕获/比较模块

– 使用PCA或定时器和外部时钟源的实时时钟功能

  • 时钟源

– 内部振荡器:24.5MHz,精度为±2%,支持无晶振UART操作

– 外部振荡器:晶体、RC、C或时钟(1或2引脚模式)

– 可随时在时钟源之间切换;在省电模式下非常有用

包装

– 32引脚LQFP

整体框图

昂科技术自主研发的AP8000万用烧录器包含主机,底板,适配座三大部分。

主机支持USB和NET连接,允许将多台编程器进行组网,达到同时控制多台编程器同时烧录的目的。内置芯片安全保障电路保证即使芯片放反或其他原因造成的短路可以被立即检测到并进行断电处理,以保障芯片和编程器安全。内嵌高速FPGA,极大地加速数据传输和处理。主机背部有SD卡槽,将PC软件制作得到的工程文件放到SD卡的根目录下并插入到该卡槽内,通过编程器上的按键可进行工程文件的选择,加载,执行烧录等命令,以达到脱离PC便可操作的目的,极大地降低了PC硬件配置成本,方便迅速地搭配工作环境。

AP8000通过底板加适配板的方式,让主机扩展性更强,目前已经支持了所有主流半导体厂家生产的器件,包括TI, ST, MicroChip, Atmel, Hynix , Macronix, Micron, Samsung ,Toshiba等。支持的器件类型有NAND,NOR,MCU,CPLD,FPGA,EMMC等,支持包括Intel Hex,Motorola S, Binary, POF等文件格式。

推荐器件

更多器件
器件型号 数量 器件厂商 器件描述 数据手册 ECAD模型 风险等级 参考价格 更多信息
FOD4208V 1 Fairchild Semiconductor Corporation Triac Output Optocoupler, 1-Element, 5000V Isolation, LEAD FREE, DIP-6
$6.08 查看
MX25U51245GZ4I00 1 Macronix International Co Ltd Flash,
$8.74 查看
FKFSREIHM0.032768-T3 1 Fox Electronics Parallel - Fundamental Quartz Crystal, 0.032768MHz Nom, SMD, 4 PIN

ECAD模型

下载ECAD模型
$1.07 查看

相关推荐